Logo - Journal der Monderkundungen - Apollo 16

Überarbeitete Niederschrift und Kommentare © Eric M. Jones

Redaktion und Edition Ken Glover

Übersetzung © Thomas Schwagmeier u. a.

Alle Rechte vorbehalten

Bildnachweise im Bilderverzeichnis

Filmnachweise im Filmverzeichnis

MP3‑Audiodateien: Roland Speth

Nach der Landung

  1. Audiodatei (, MP3-Format, 1,2 MB) Beginnt bei .

  2. Irwin: Okay, Charlie, wenn du die Checkliste Oberfläche hervorholen könntest? Wir haben ein paar Änderungen, die ich mitteilen möchte.

  3. Duke: Warte.

  4. Charlie soll sich die Checkliste für den Aufenthalt auf der Mondoberfläche bei Apollo 16 (Apollo 16 LM Lunar Surface Checklist) nehmen. Wegen der verspäteten Landung und der sich daraus ergebenden Verschiebung der ersten EVANASAEVAExtravehicular Activity müssen die Abläufe geändert werden.

  5. Young: Da gibt es bestimmt mehrere, oder?

  6. Irwin: Ja, einige. Und noch ein paar, um Strom zu sparen, damit ihr möglichst lange bleiben könnt.

  7. Young: Ausgezeichnet! (Pause)

  8. John ist sehr erfreut. Offenbar denkt man in Houston darüber nach, wie sich die knapp Verspätung kompensieren lässt, sodass der Aufenthalt auf der Mondoberfläche nicht allzu sehr verkürzt werden muss.

  9. Young: 1/6g ist viel angenehmer, wenn man die Haltekabel aushakt. (lange Pause)

  10. John und Charlie hatten jeweils an den Hüften ein Haltesystem eingehakt, dessen Kabel über mehrere am Raumschiffrumpf befestigte Umlenkrollen laufen und die Astronauten bei Schwerelosigkeit, während des Landemanövers und beim Start von der Mondoberfläche an ihrem Platz halten.

    Jones: Es war einigermaßen eng in der Kabine. Machte die geringere Schwerkraft dennoch einen Unterschied?

    Duke: Natürlich. Ohne die Haltekabel konnte man sich freier bewegen und im Stand hatten wir reichlich Platz. Es machte nichts aus, lange zu stehen.

    Jones: Sie standen die meiste Zeit?

    Duke: Ja. Ich lehnte mich mit dem Rücken gegen die Verkleidung des Lebenserhaltungssystems (ECSNASAECSEnvironmental Control System), um zu entspannen. Vor allem wenn wir keine Anzüge trugen. Aber man konnte dort wirklich stundenlang stehen, ohne dass es unangenehm wurde. Eng fand ich es in der Kabine nur, wenn wir die Anzüge an- und auszogen oder unsere Tornister (PLSSNASAPLSSPortable Life Support System) hin- und herräumten. Werden wir hier nicht gleich das PLSSNASAPLSSPortable Life Support System wegräumen, das zwischen uns auf dem Boden lag? Im Training musste John sich ordentlich anstrengen, um es hochzuwuchten. Denn das Teil wog einiges! 155 Pfund (70 kg). Allerdings verwendeten wir eine etwas leichtere Attrappe. Doch bei der geringen Schwerkraft da oben konnte John das echte PLSSNASAPLSSPortable Life Support System mit einer Hand anheben. Unglaublich. Man kam sich vor wie Superman. Also nein, beengt war es nicht. Wir hatten Platz.

  11. Duke: Houston, haben wir die Freigabe zur DPSNASADPSDescent Propulsion System‑Entlüftung?

  12. Irwin: Bestätigt. Ihr könnt. (lange Pause)

  13. Nach dem Öffnen der beiden Sprengventile – je eins in den Leitungssystemen für Brennstoff und Oxidationsmittel – kann das Helium entweichen, mit dem die Landestufentanks unter Druck gesetzt wurden. Laut Checklistenseite SUR 1-1 sollte das bereits kurz nach passieren, doch wegen der verspäteten Landung liegen John und Charlie knapp hinter dem Zeitplan.

  14. Young: Okay, Houston. Hauptscharfschaltung ist An, zwei Leuchten. (Paneel 8)

  15. Irwin: Verstanden.

  16. Young: Landestufe Tankentlüftung … (Pause) Landestufe Tankentlüftung – Auslösen. (Paneel 8)

  17. Irwin: Verstanden. (Pause) Die erste Änderung in der Checkliste Oberfläche betrifft Seite 1-2. Und wir sehen Hauptscharfschaltung – Aus (Paneel 8). (Pause)

  18. Duke: Okay, fang an.

  19. Irwin: Bitte Landestufe (HeNASAHeHelium) REG 1NASAREGRegulator schließen. (Pause)

  20. Young: Landestufe (HeNASAHeHelium) REG 1NASAREGRegulator geschlossen. (Paneel 1)

  21. Der Druckregler sollte eigentlich vor dem Öffnen der Entlüftungsventile geschlossen werden (SUR 1-1). Deshalb erinnert Jim daran.

  22. Irwin: Charlie, sagtest du, dass ich die Änderungen durchgeben kann?

  23. Duke: Ja, Sir. Fang an.

  24. Irwin: Okay. Auf 1‑2, etwa in der Mitte der rechten Spalte, kannst du die Einstellungen für Neigungs- und Schwenkwinkel der S‑Band‑Antenne streichen. Ebenso die Spitzenwert‑Geschichte. Mit anderen Worten: Wir verwenden weiterhin die Omni. Ende.

  25. Duke: Okay, notiert. (SUR 1-2)

  26. Der Verzicht auf die ohnehin in einer Bewegungsachse festsitzende S‑Band‑Antenne spart ebenfalls Strom. Laut Missionsbericht (Apollo 16 Mission Report, Abschnitt 7.2 Stromversorgung) kostete die verspätete Landung etwa 200 der insgesamt 2025 Amperestunden, die von den Landestufenbatterien zur Verfügung gestellt wurden (Abschnitt 7.8.6 im Bericht). Jedoch konnten durch verschiedene Maßnahmen annähernd 100 Amperestunden eingespart werden, was den Verlust also beinah halbierte.

  27. Irwin: Okay, die nächste Änderung haben wir auf 1‑3 unten bei der Batteriekonfiguration (SUR 1-3). Anstatt Batterie 2 – Trennen(/Zurücksetzen) möchten wir Batterie 3 – Trennen/Zurücksetzen. Eine Zeile weiter bei Batterie L bitte CDRNASACDRCommander anstatt LMPNASALMPLunar Module Pilot, und natürlich sollte die entsprechende Zustandsanzeige (TBNASATBTalkback) dann auf CDRNASACDRCommander stehen. Noch eine Zeile weiter möchten wir Batterie 4 – Trennen/Zurücksetzen. Ende.

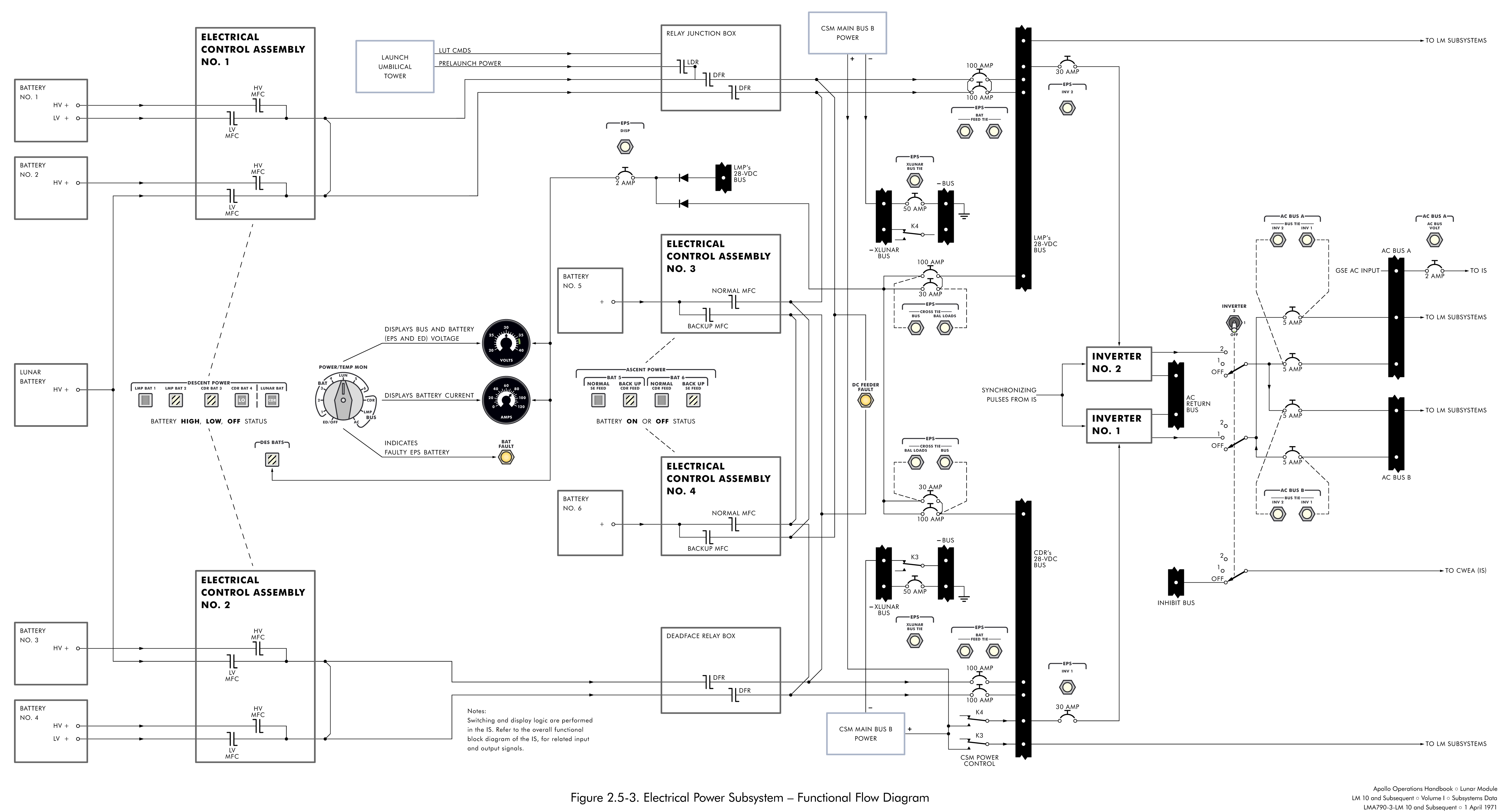
  28. In den Landestufen der J‑Missionen gab es fünf Batterien mit Nennladungen von je 415 Amperstunden. Die Batterien 1 und 2 versorgten über ECA-1NASAECAElectrical Control Assembly die LMPNASALMPLunar Module Pilot‑Verteilerschiene, die Batterien 3 und 4 über ECA-2NASAECAElectrical Control Assembly die CDRNASACDRCommander‑Verteilerschiene. Batterie L, gelegentlich auch als Luna‑Batterie oder Luny‑Batterie bezeichnet, konnte entweder die eine oder die andere Verteilerschiene mit Strom versorgen. Hier soll Batterie L über ECA-2NASAECAElectrical Control Assembly an die CDRNASACDRCommander‑Verteilerschiene angeschlossen werden. Abbidung 2.5-3 im Handbuch zu LM-10NASALMLunar Module (Apollo Operations HandbookLunar ModuleLM-10) ist eine Darstellung der Schaltwege.

    Im Fenster der Zustandsanzeige (TBNASATBTalkback) für Batterie L erscheint CDR oder LMP, je nachdem, welche Verteilerschiene mit Strom versorgt wird. Ist die Batterie nicht zugeschaltet, erscheint das Streifenmuster. Vor der Änderung lautete die entsprechende Zeile in der Checkliste: BATNASABATBattery L (LMPNASALMPLunar Module Pilot) – Zuschalten, tbNASATBTalkback-LMPNASALMPLunar Module Pilot. Dabei bezeichnet das LMP in Klammern den Schalter und das LMP am Zeilenende die zugehörige Anzeige auf Paneel 14.

    Audiodatei (, RA-Format, 2,4 MB) Beginnt bei .

  29. Duke: Okay, alles notiert. BATNASABATBattery 3 – Trennen/Zurücksetzen; BATNASABATBattery Luny auf Kommandant, Zustandsanzeige (TBNASATBTalkback): Kommandant; BATNASABATBattery 4 – Trennen/Zurücksetzen. Ende. (SUR 1-3)

  30. Irwin: Okay, es geht weiter mit den Unterbrechern auf 1‑4. Zuerst in der obersten Reihe von Paneel 11: S‑Band‑Antenne, der dritte von links, soll offen sein. In der zweiten Reihe … Missionsuhr in der zweiten Reihe soll offen sein. Dann unten in der vierten Reihe soll LGCNASALGCLunar Module Guidance Computer/DSKYNASADSKYDisplay and Keyboard offen sein.

  31. Um Strom zu sparen, werden S‑Band‑Antenne, Missionsuhr und LGCNASALGCLunar Module Guidance Computer abgeschaltet.

  32. Duke: Okay, notiert. S‑Band‑Antenne – Offen, erste Reihe. Zweite Reihe: Missionsuhr – Offen. Dritte Reihe unverändert. Vierte Reihe: LGCNASALGCLunar Module Guidance Computer/DSKYNASADSKYDisplay and Keyboard – Offen. (SUR 1-4)

  33. Irwin: Korrekt. (Pause) Nächste Seite: 1…

  34. Duke: Ist das alles?

  35. Irwin: …-5. Nein, ich habe noch eine … noch ein paar, vermutlich. Okay, auf 1‑5, Paneel 16, in der vierten Reihe: Inverter 2 – Offen. Ende. (Pause)

  36. Seite SUR 1-4 zeigt die Schalterkonfiguration für Paneel 11 links neben John, Seite SUR 1-5 die Konfiguration für Paneel 16 rechts neben Charlie.

  37. Duke: Okay. Inverter 2 – Offen (SUR 1-5). Inverter 2 versorgt im Augenblick den Wechselstromkreis.

  38. Irwin: Okay. Als Teil unserer Stromsparstrategie wollen wir, dass die Wechselstromversorgung abgeschaltet wird, solange ihr auf der Oberfläche seid.

  39. Duke: Okay. In Ordnung.

  40. Da auch schon der Unterbrecher für Inverter 1 gezogen ist (SUR 1-1, Paneel 11), wollte Charlie sich vergewissern, dass die Wechselstromversorgung tatsächlich komplett abgeschaltet werden soll.

  41. Irwin: Und die nächste Änderung …

  42. Young: Jemand muss …

  43. Irwin: Und die letzte Änderung ist auf Seite 1-7 in der rechten Spalte, vierte Zeile von oben. Wir möchten Inverter … Anstatt Inverter – 2 möchten wir Inverter – Aus. Ende. (Pause)

  44. Duke: Okay. Notiert. Inverter – Aus (SUR 1-7).

  45. Irwin: Die allerletzte Änderung ist auf 1‑8 in der linken Spalte. Wir möchten Ausrichtungsmodus – Aus und bei S-Band die beste Omni, was vermutlich die Antenne ist, die ihr schon eingestellt habt. (Pause)

  46. Duke: Okay, wir haben Ausrichtungsmodus – Aus, S-Band auf beste Omni (SUR 1-7).

  47. Irwin: Das war alles fürs Erste.

  48. Duke: Okay, Jim, machen wir jetzt weiter mit der Checkliste für den ersten Orbit (nach der Landung)?

  49. Gemeint sind die Seiten 1-1 bis 1-9 der Checkliste für den Aufenthalt auf der Mondoberfläche bei Apollo 16 (Apollo 16 LM Lunar Surface Checklist). Vorgesehen ist unter anderem die Ausrichtung der Trägheitsplattform (IMUNASAIMUInertial Measurement Unit) und das dafür erforderliche Anpeilen eines Sterns mit dem AOTNASAAOTAlignment Optical Telescope.

  50. Irwin: Ja, macht weiter. Die Sterne, die in der Checkliste stehen, sollten funktionieren.

  51. Duke: Sehr schön.

  52. Unterbrechung des Funkverkehrs.

    Weil die Landefähre fast senkrecht und mit 0° Gierwinkel (YNASAYYaw) auf der Mondoberfläche steht, sollten sich die in der Checkliste notierten Sterne im Sichtfeld des AOTNASAAOTAlignment Optical Telescope befinden und wie vorgesehen angepeilt werden können. Für die erste Plattformausrichtung nach der Landung ist dies der relativ helle Stern Altair (Stern 40 in Stellung 3, SUR 1-2).

    Jones: Je nachdem wie das Raumschiff stand, hätten Sie für die Plattformausrichtung möglicherweise andere Sterne wählen müssen?

    Duke: Richtig. Hätten wir extrem schief gestanden, wäre es vielleicht nötig gewesen, andere Sterne anzupeilen.

    Larry McGlynn stellt einen Scan der Sternkarte zur Verfügung, die Charlie bei Apollo 16 verwendete.

    Jones: Und jetzt wollen Sie die Trägheitsplattform (IMUNASAIMUInertial Measurement Unit) ausrichten? Damit sorgen Sie dafür, dass dem Flugleitsystem die Stellung des Raumschiffs auf der Mondoberfläche in Bezug zur lokalen Vertikalen bekannt ist. Es geht nicht darum, die Koordinaten der Position zu bestimmen.

    Duke: Richtig.

    Jones: Das Wo kann man in Houston anhand der Bahnverfolgungsdaten herausfinden.

    Duke: Richtig. An Bord gab es keine Möglichkeit, unsere genaue Position festzustellen. Die Ausrichtungsprogramme (P-52NASAP-52Program 52 (IMU Realign Program), P-57NASAP-57Program 57 (Lunar Surface Align)) dienten allein dazu, die Plattform so einzustellen, dass uns die lokale Vertikale angezeigt wurde. Wir hatten ein REFSMMATNASAREFSMMATReference (to) Stable Member Matrix und an der 8er-Kugel (FDAINASAFDAIFlight Director/Attitude Indicator) konnten wir unsere Fluglage ablesen, um exakt zu manövrieren und gegebenenfalls abzubrechen. Also mussten wir uns vergewissern, dass die Plattformausrichtung stimmte, und eventuelle Abweichungen korrigieren.

    Jones: Können Sie mir erläutern, was REFSMMATNASAREFSMMATReference (to) Stable Member Matrix bedeutet?

    Duke: Bezugsschema. Davon gab es für jede Mission mehrere, sodass der Pilot bei allen kritischen Manövern leicht erfassbare Anzeigen sah. Ein Beispiel: Auf der Mondoberfläche soll die Kugel (FDAINASAFDAIFlight Director/Attitude Indicator) Null‑Null‑Null anzeigen – 0° Neigungswinkel (PNASAPPitch), 0° Gierwinkel (YNASAYYaw), 0° Rollwinkel (RNASARRoll). Nicht wahr? Dann kann man sich beim Fliegen gut an der Kugel orientieren und intuitiv steuern. Niemand will ein REFSMMATNASAREFSMMATReference (to) Stable Member Matrix, bei dem die Anzeige auf 90° Rollwinkel, 10° Gierwinkel und 14° Neigung steht. Viel zu kompliziert. Das REFSMMATNASAREFSMMATReference (to) Stable Member Matrix war also eine Reihe Zahlen, die passend für das jeweilige Manöver in den Computer geladen wurden. Damit konnte sich die IMUNASAIMUInertial Measurement Unit entsprechend ausrichten und die Kugel (FDAINASAFDAIFlight Director/Attitude Indicator) zeigte die Fluglage so an, dass man nicht viel überlegen musste.

    David Woods fügt hinzu: Man darf zudem nicht außer Acht lassen, dass bei Apollo‑Raumschiffen immer die Gefahr einer Kardanrahmenkopplung bestand, weil die kardanische Aufhängung der Trägheitsplattform nur über drei Freiheitsgrade verfügte. Deshalb musste schon während der Missionsplanung berücksichtigt werden, zu welchem Zeitpunkt welche Fluglage erforderlich ist. So konnte die Plattform in Bezug auf die Sterne passend ausgerichtet werden, um die Kardanrahmenkopplung während eines Manövers zu vermeiden. Als REFSMMATNASAREFSMMATReference (to) Stable Member Matrix bezeichnete man die Zahlengruppe, die eine bestimmte Plattformausrichtung definierte, im Grunde genommen ein Satz Winkel bezogen auf die Sterne. Für Apollo 8 gab es drei REFSMMATsNASAREFSMMATReference (to) Stable Member Matrix. Bei den J‑Missionen waren mehr als acht notwendig, um in den vielen unterschiedlichen Fluglagen gut manövrieren zu können.

    Jones: Eine Landmarkenpeilung vor PDINASAPDIPowered Descent Initiation fand zu Ihrer Zeit nicht mehr statt? Ich weiß, dass bei Apollo 11 und Apollo 12 noch Landmarken angepeilt wurden, bevor …

    Duke: Nicht bei uns. Ich erinnere mich an Landmarkenpeilungen, aber nur vom Kommandomodul.

    Jones: Bei den ersten Missionen gab es diese Peilungen auch im LMNASALMLunar Module.

    Duke: Ja? Nun, wir haben es nicht getan. Das war vorbei.

    Im Gegensatz zu den darauffolgenden Missionen flogen die Raumschiffe bei Apollo 11 und Apollo 12 in einem kreisförmigen Orbit ungefähr 60 nautische Meilen über der Mondoberfläche, als das LMNASALMLunar Module vom CSMNASACSMCommand and Service Module abdockte. Der Transfer in den Landeorbit (60×9 nautische Meilen) erfolgte durch Zündung des LMNASALMLunar Module-Triebwerks (DPSNASADPSDescent Propulsion System). Deshalb mussten die Astronauten im LMNASALMLunar Module durch Landmarkenpeilungen überprüfen, ob sie den geplanten Orbit erreicht haben. Ab Apollo 14 kam das SPSNASASPSService Propulsion System zum Einsatz, um beide Raumschiffe in den Landeorbit zu bringen. Folglich wurde die Landmarkenpeilung zur Überprüfung der Orbitparameter im Kommandomodul vorgenommen, bevor die LMNASALMLunar Module‑Besatzung an Bord ihres Raumschiffs ging.

  53. Irwin: Okay, Orion. Ich habe weitere Änderungen für die Checkliste Oberfläche, wann immer jemand mitschreiben kann. (keine Antwort)

  54. Unterbrechung des Funkverkehrs.

  55. Irwin: Orion, wie sind wir zu hören? Houston.

  56. Duke: Laut und deutlich. (Pause)

  57. Irwin: Okay …

  58. Duke: (nicht zu verstehen) wir beginnen jetzt mit Seite 1-2, Jim.

  59. Jones: Wie mir scheint, sollen Sie auf Seite 1-2 zunächst die Trägheitsplattform mithilfe der Schwerkraft ausrichten.

    Duke: Mit P-57NASAP-57Program 57 (Lunar Surface Align) wurde die Plattform ausgerichtet. Und man konnte sie mithilfe der Schwerkraft ausrichten. Ich weiß nicht mehr, welche Sensoren die Schwerkraft registrierten, aber es war eine Methode. Außerdem wurden Sterne angepeilt.

    Jones: Die Schwerkraft ermöglicht nur die Bestimmung einer Achse, während man mithilfe der Sterne alle drei bestimmen kann.

    Duke: Richtig.

  60. Irwin: Okay. Wir sind natürlich darauf aus, dass ihr bald alles runterfahrt. Versucht einfach, so schnell wie möglich so viel wie möglich zu schaffen. Und vielleicht hat jemand einen Moment Zeit, um die restlichen Änderungen für die Checkliste Oberfläche zu notieren. Wie ihr euch vermutlich denken könnt, möchten wir, dass ihr erst (vor der EVANASAEVAExtravehicular Activity) etwas schlaft.

  61. Duke: Das passt uns.

  62. Young: Ihr habt wohl geahnt, was wir wollen.

  63. Irwin: Wir wollen das ebenfalls. (Pause)

  64. Young: Ja. Es war ein harter Tag, auch für euch.

  65. Wörtlich sagt John: It’s been a hard day’s night …  und zitiert damit die Anfangszeile des Titels der Beatles A Hard Day’s Night von 1964.

  66. Irwin: Ihr habt euch die Schlafpause redlich verdient. (lange Pause)

  67. Johns Äußerung bei kann man so oder so verstehen:

    • Mit ironischem Unterton im Sinne von: Wir wollten eigentlich erst aussteigen und die EVANASAEVAExtravehicular Activity absolvieren.
    • Zustimmend: Auch wir wollen erst schlafen.

    Für beide Interpretationen gibt es Argumente, wie aus dem folgenden Dialog hervorgeht.

    Audiodatei (, MP3-Format, 0,9 MB) Beginnt bei .

  68. Duke: Jim, es geht mir genau so, wie ich es erwartet habe. Ich würde am liebsten gleich aussteigen, aber hier ist Vorsicht besser als Nachsicht, denke ich.

  69. Irwin: Eine sehr gute Einstellung. (Pause)

  70. Young: Mann, obwohl die Versuchung wirklich groß ist, bei dieser beeindruckenden Landschaft da draußen. (lange Pause)

  71. Duke: Rückblickend war es keine gute Idee. Meiner Meinung nach hätten wir erst aussteigen sollen. Doch zu dem Zeitpunkt hielten es alle für besser, wenn wir vorher schlafen. John denkt vielleicht heute noch so. Ich allerdings nicht, denn ich konnte nicht abschalten. Die Gedanken rasten und ich wollte unbedingt raus. Ich musste ständig an das denken, was vor uns lag. Außerdem hatten wir die aufregende Landung gerade hinter uns. In meinem Kopf wirbelte es und das Adrenalin wurde durch die Adern gepumpt, wahrscheinlich hätten wir problemlos zwei Tage –  – durchmachen können. Daher denke ich heute, erst auszusteigen wäre besser gewesen. Aber das ist Geschichte.

  72. Duke: Okay, Jim. Falls ihr es nicht gesehen habt, mein 047 im AGSNASAAGSAbort Guidance System war plus37566 (Paneel 6), 053 war minus73667 (Paneel 6).

  73. Auf Seite SUR 1-1 gibt es Platz, um die Werte einzutragen, doch Charlie hat sie offenbar woanders notiert.

  74. Irwin: Bitte gib mir die Werte noch einmal, Charlie. Ich war zu langsam.

  75. Duke: Plus37566, minus73667.

  76. Irwin: Verstanden. Notiert. (lange Pause) Okay, Orion. Wir können die Entlüftung der OXNASAOXOxidizer‑Tanks beenden. (Pause)

  77. Duke: Okay. Ventil wird geschlossen.

  78. Young: OXIDNASAOXIDOxidizer-Entlüftung ist Gestreift (Paneel 8).

  79. Irwin: Verstanden. (lange Pause)

  80. Bei wurde die Freigabe zur Entlüftung der Brennstoff- und Oxidationsmitteltanks in der Landestufe erteilt. Inzwischen ist der Druck in den beiden Oxidationsmitteltanks ausreichend gesunken und das Magnetventil für die Tankentlüftung kann geschlossen werden.

    Jones: Was bedeutet Entlüftung ist Gestreift?

    Duke: Das Ventil ist geschlossen. Es gab zwei Zustände, Offen und Geschlossen. Bei offenem Ventil war die Anzeige leer, bei geschlossenem Ventil sah man Streifen (BPNASABPBarber Pole).

    Jones: Also ein kleines Fenster, in dem je nach Ventilstellung entweder nichts oder ein Streifenmuster zu sehen war.

    Duke: Richtig. Und deshalb sagten wir Gestreift (BPNASABPBarber Pole). Hier sieht man diese Anzeige in einer schematischen Darstellung des DPSNASADPSDescent Propulsion System in den Technischen Daten der LM‑Systeme, SKB32100126-385, Zeichnung 11.1.

  81. Duke: Jim, würdet ihr ein oder zwei Ampere Strom opfern, damit ich versuchen kann, die Richtantenne in Gang zu bringen? Vielleicht hat sich bei der Landung etwas gelockert.

  82. Irwin: Warte bitte. (lange Pause)

  83. Young: Auf jeden Fall haben sich Charlies Füllungen gelockert. So viel wissen wir. (Pause)

  84. Duke: Wenn man drei Jahre mit Navy‑Piloten fliegt, ist klar, worauf man sich eingelassen hat.

  85. Irwin: Ja, ich weiß genau, was du meinst. Im Übrigen möchten wir, dass du versuchst, die Richtantenne zu bewegen.

  86. Duke: In Ordnung. Wird gemacht.

  87. Unterbrechung des Funkverkehrs.

    Charlie und Jim waren Air‑Force‑Piloten, John und Ken waren Marineflieger.

  88. Duke: Okay, Jim. Es hat nicht funktioniert. Am Schatten konnte ich sehen, dass die Antenne schön um die Neigungsachse rotiert. Sie schwingt etwas nach und bleibt dann stehen. Seitlich bewegt sich allerdings nichts. Ich denke, wir können die Antenne abschreiben.

  89. Irwin: Okay. Und wir dürfen annehmen, dass alle notwendigen Unterbrecher drin waren, Gleich- und Wechselstrom?

  90. Duke: Ja, ich habe ACNASAACAlternating Current-Verteiler ▷S‑Band (Paneel 11) und Kommunikation ▷S‑Band‑Antenne (Paneel 16) gedrückt. Die Neigung funktioniert gut, aber die Schwenkachse sitzt fest.

  91. Irwin: Okay. Verstanden.

  92. Duke: Dann schalte ich alles wieder aus.

  93. Irwin: Okay. (lange Pause) Okay. Und, Charlie, falls du gerade Zeit hast, könnte ich dir die restlichen Änderungen für die nächsten Stunden durchsagen.

  94. Duke: Okay. John ist dabei, Altair anzupeilen. Fang an, ich schreibe mit.

  95. Irwin: Okay. Aber bitte kein Licht einschalten, das John bei der Peilung stört.

  96. Um die Kabine für das Anpeilen des Navigationssterns zu verdunkeln, wurden die am unteren Fensterrand befestigten Blenden hochgerollt.

  97. Irwin: Hier die erste Änderung … Am besten suchst du dir vorher ein leeres Blatt, auf das du die Abschnitte und Seitenzahlen schreiben kannst, um nicht durcheinanderzukommen. (Pause)

  98. Duke: Wie es der Zufall will, ist die Rückseite der Formularsammlung (Apollo 16 LM Data Card Book) leer. Lies vor.

  99. Wir sahen uns die Formularsammlung an, die Charlie vom Mond wieder mitbrachte.

    Jones: Sie haben tatsächlich auf der Rückseite etwas notiert. Sowohl mit Kugelschreiber als auch mit Bleistift. Demnach hatten Sie beides dabei?

    Duke: Ja.

  100. Irwin: Okay. Änderung Nummer betrifft den Abschnitt Kabine für den Aufenthalt einrichten auf Seite 1-9. Damit solltet ihr bei beginnen.

  101. Die neue Zeit, , für den Beginn des Abschnitts hat Charlie auf die Rückseite der Formularsammlung (Apollo 16 LM Data Card Book) geschrieben. Im Folgenden wird er einige Änderungen dort und andere direkt auf den entsprechenden Seiten der Checkliste für die Oberfläche notieren.

  102. Irwin: Wenn du nun Seite 1-9 aufschlagen würdest, falls du die Checkliste zur Hand hast. Ende.

  103. Duke: Moment. (Pause) Okay, hab die Seite.

  104. Irwin: Okay. Nebenbei bemerkt, da eure Missionsuhr abgeschaltet ist, sorgen wir dafür, dass ihr im Zeitplan bleibt. Du siehst die Pause zum Essen in der rechten Spalte? (SUR 1-9) Die möchten wir verschieben, bis ihr die Anzüge ausgezogen habt. Die nächste Änderung, Änderung Nummer , haben wir auf Seite 2-1. Einfach umblättern. Mit dem Abschnitt Kabine für die EVANASAEVAExtravehicular Activity vorbereiten solltet ihr bei beginnen. Wir sagen euch Bescheid. Wobei es nur darum geht, alles an den richtigen Platz zu räumen. Nachdem ihr fertig seid mit der Seite, geht es weiter auf Seite 3-4. Ende.

  105. Audiodatei (, MP3-Format, 1,3 MB) Beginnt bei .

  106. Duke: Okay. Ich notiere: Seite 2-1 abarbeiten, dann geht es weiter auf 3-4.

  107. Irwin: Richtig. Damit wären wir auch gleich bei Änderung Nummer , im Abschnitt Anzüge ausziehen auf Seite 3-4. (Pause) Mit dem Ausziehen der Anzüge solltet ihr gegen beginnen. Anschließend könnt ihr etwas essen, während wir euch über die weitere Planung für die Zeit auf der Oberfläche informieren. Ende.

  108. Duke: Verstanden. Hört sich sehr gut an, Jim. Ab jetzt geht es weiter wie besprochen. Neben den Informationen würden wir in der Besprechung nachher gern etwas dazu erfahren, wie sich unser Aufenthalt gestalten wird und so weiter. …

  109. Irwin: Okay. Wir verstehen.

  110. Duke: … Ich bin sicher, ihr habt eine Vorstellung. (Pause) Bemerkenswert ist, dass die Funkverbindung sich deutlich verbessert hat, seit wir gelandet sind.

  111. Irwin: Sehr schön. (Pause) Okay, wir können auch die Entlüftung der Brennstofftanks beenden, Orion. (Pause)

  112. Young: Entlüftung Brennstoff ist Gestreift (Paneel 8).

  113. Irwin: Verstanden. (Pause)

  114. Inzwischen ist John mit seinen Peilungen zu Altair fertig. Nun fragt er nach, ob der Computer die ermittelten Winkeldifferenzen verwenden soll, um die Ausrichtung der Trägheitsplattform anzugleichen.

  115. Young: Okay, Houston. Sollen wir das einstellen? (SUR 1-2)

  116. Irwin: Bitte warten. (Pause) In Ordnung. Ihr könnt sie drehen, Orion. Die Winkel sehen gut aus.

  117. Young: Meine Winkeldifferenzen waren … (hört Jim) Okay. (Pause) Also, das sind hier ganz nette Eindrücke. Ich habe die Erde im (Andock-)Fenster und sehe (durch das AOTNASAAOTAlignment Optical Telescope) direkt zum Stern. Wirklich schön. (Pause)

  118. Irwin: Orion, hier ist Houston. Ich habe die Parkwinkel für euch – für die IMUNASAIMUInertial Measurement Unit.

  119. Young: Verstanden. Wir hören.

  120. Gemäß SUR 1-3 bekommen John und Charlie die Winkel der kardanischen Aufhängung – OGNASAOGOuter Gimbal, IGNASAIGInner Gimbal, MGNASAMGMiddle Gimbal – um die Trägheitsplattform in die Parkposition zu bringen. Charlie trägt sie im Formular Mondoberfläche in das Feld N20 (Parken) ein (Apollo 16 LM Data Card Book, Seite 6, linke Spalte, drittes Feld von oben).

    Des Weiteren teilt Charlie mit, wie sich die Faktoren für den Abweichungsausgleich der drei Gyroskope des ASANASAASAAbort Sensor Assembly nach der AGSNASAAGSAbort Guidance System‑Kalibrierung verändert haben (SUR 1-2).

  121. Irwin: Okay. X ist 286Komma25, Y alles Nullen, Z ist 087Komma57. Ende.

  122. Duke: 28625, alles Nullen, 087 · 57.

  123. Irwin: Die Wiederholung war korrekt.

  124. Duke: Okay, Jim. Die Faktoren unter (AGSNASAAGSAbort Guidance System‑Adressen) 544 bis 546: Bei 544 haben wir eine ziemliche Veränderung. Der Wert ist jetzt negativ (0)Komma116, 545 ist plus052, 546 ist minus(0)Komma068. Das war nach der Kalibrierung. Die Werte vor der Kalibrierung lauten: plus006, plus045, minus088. Ende.

  125. Irwin: Verstanden. Ich hab alles, Charlie. (Pause)

  126. Duke: Dann würde ich meinen, wir sind bereit, den löschbaren Speicher zu übertragen (E-Dump). (SUR 1-3)

  127. Irwin: Moment bitte.

  128. Young: Sagt Bescheid, Houston. (Pause)

  129. Irwin: Okay. Wir sind bereit für die Übertragung des Speicherinhalts.

  130. Young: Ist unterwegs.

  131. Irwin: Verstanden.

  132. Duke: Und, Jim, nach der AGSNASAAGSAbort Guidance System‑Ausrichtung vorhin im Modus Mondoberfläche betrug die Abweichung zum PGNSNASAPGNSPrimary Guidance and Navigation System weniger als ein halbes Grad.

  133. Irwin: Verstanden. Notiert. (lange Pause) Orion, euer Status bei T-3NASATTime (of event) ist Bleiben. (SUR 1-3)

  134. Young: Verstanden. Bleiben bei T-3NASATTime (of event).

  135. Audiodatei (, RA-Format, 2,5 MB) Beginnt bei .

  136. Duke: Okay, Jim. Das AGSNASAAGSAbort Guidance System ist runtergefahren. (SUR 1-3, Paneel 6)

  137. Irwin: Verstanden. Notiert.

  138. Unterbrechung des Funkverkehrs.

  139. Young: Wir sollen das (die IMUNASAIMUInertial Measurement Unit parken) wirklich tun, Houston. Richtig? (Pause)

  140. Irwin: Kommen, Orion. (Pause) Orion, hier ist Houston. Bitte wiederholen.

  141. Young: Es funktioniert. (Pause) Es funktioniert.

  142. Irwin: Was meinst du, John. Was funktioniert?

  143. Young: Bewegt sich direkt in die Rahmenkopplung.

  144. Irwin: Okay. Sehr gut.

  145. Young: Ja, ich dachte mir, dass euch das gefällt.

  146. Duke: (lachend) Aber es ist nicht leicht, Jim, mit ansehen zu müssen, wie sich das Ding verabschiedet. (lange Pause)

  147. Duke: Als John fragte: Wir sollen das wirklich tun, Houston?, wollte er sich noch einmal vergewissern. Denn damit verloren wir die Trägheitsplattform. Wir schalteten unser Flugleit- und Navigationssystem ab, und diese Winkel bewegten die Plattform in die Rahmenkopplung. Dabei liegen alle drei Rahmenachsen in einer Ebene, was normalerweise den Verlust des räumlichen Bezugsschemas für die Fluglage bedeutet. Man hatte einfach ein ungutes Gefühl. Herrje, warum soll ich eine Rahmenkopplung einstellen? Was ist, wenn sich das Ding nicht mehr ausrichten lässt? Deshalb wollte John mit seiner Frage um eine Bestätigung bitten. Wir machten es dann, (Lachen) und es klappte! Es hat wirklich funktioniert.

    Technische Nachbesprechung am

    Duke:Die Plattform in der Rahmenkopplung zu parken, kann ich nur empfehlen. Sie blieb in dieser Ausrichtung und wir mussten (beim Einschalten) nicht einmal die Korrekturwerte der PIPAsNASAPIPAPulsed Integrating Pendulous Accelerometer oder den Abweichungsausgleich der Kreisel aktualisieren. Alles funktionierte einwandfrei.

    Jones: Doch auf dem Mond sagten Sie (): Aber es ist nicht leicht, Jim, mit ansehen zu müssen, wie sich das Ding verabschiedet.

    Duke: Es sieht eben so aus, als ob die Plattform abschmiert, (Charlie macht das Geräusch eines abstürzenden Flugzeugs) wenn sie sich in die Rahmenkopplung dreht.

    Ausführliche Erläuterungen zur Kardanrahmenkopplung sind im Journal von Apollo 11 zu lesen.

  148. Duke: Und, Jim, die EDNASAEDExplosive Device‑Batterien bleiben stabil. Jede bei 37 Volt. (SUR 1-3, Paneel 14)

  149. Irwin: Verstanden. Ist notiert. Und ich habe T-17NASATTime (of event) bis T-21NASATTime (of event), sobald ihr mitschreiben könnt. (Pause)

  150. Duke: Fang an.

  151. Die ersten drei Startmöglichkeiten wurden einfach durchnummeriert. Ab jetzt erhalten sie die Nummer des Orbits, in dem das CSMNASACSMCommand and Service Module fliegt. Charlie trägt die Zeiten ebenfalls in das Formular Mondoberfläche ein (Apollo 16 LM Data Card Book, Seite 6). Dafür vorgesehen ist das Feld Startzeitentabelle in der unteren Mitte.

    Jones: Ein Start wäre praktisch zu jedem Zeitpunkt möglich gewesen und Ken hätte Sie holen können, nicht wahr?

    Duke: Ja. Das Rendezvous hätte dann länger gedauert. Hin und wieder trainierten wir auch einen außerplanmäßigen Start, doch ich weiß nicht mehr genau, wie viel Zeit maximal nötig war. Doch bis zum Andocken konnte es durchaus dauern. Also tut man so etwas nur, wenn es unbedingt sein muss.

  152. Irwin: Okay. T17 · 106 · 25 · 05 Komma 65T18 · 108 · 23 · 36 Komma 87T19 · 110 · plus 22 · plus 08 Komma 13T20 · 112 · plus 20 · plus 39 Komma 04T21 · 114 · plus 19 · plus 10 Komma 65. Ende.

  153. Duke: T17 · 106 · 25 · plus 0565Sieb… 18 ist 108 · 23 · 36 · 8719 ist 110 · 22 · 081320 ist 112 · 20 · 390421 ist 114 Stunden · 19 Minuten und 10 Komma 65 Sekunden.

  154. Irwin: Die Wiederholung war korrekt.

  155. Die Zahlen stehen für:

    1. T-17 Start in Rev-17NASAREV oder RevRevolution bei GETNASAGETGround Elapsed Time
    2. T-18 Start in Rev-18NASAREV oder RevRevolution bei GETNASAGETGround Elapsed Time
    3. T-19 Start in Rev-19NASAREV oder RevRevolution bei GETNASAGETGround Elapsed Time
    4. T-20 Start in Rev-20NASAREV oder RevRevolution bei GETNASAGETGround Elapsed Time
    5. T-21 Start in Rev-21NASAREV oder RevRevolution bei GETNASAGETGround Elapsed Time

    Technische Nachbesprechung am

    Young:Ohne Missionsuhr (bei wurde darum gebeten, den Unterbrecher Missionsuhr auf Paneel 11 zu ziehen) sind diese Startzeiten im Grunde sinnlos. Denn man weiß nicht genau, wie spät es ist. Wir bekamen immer wieder einen Block mit Startzeiten, doch ohne genaue Uhrzeit konnte ich damit nichts anfangen.

    Duke:Wir hatten keine GETNASAGETGround Elapsed Time, aber unsere Armbanduhren zeigten die Houston‑Zeit. Mit Angaben in Houston‑Zeit hätten wir die Armbanduhr verwenden können.

    Young:Sollte man tatsächlich im Notfall zu einem dieser Zeitpunkte starten müssen und es besteht Funkkontakt zum Boden (MCCNASAMCCMission Control Center), würde man die Armbanduhr nutzen, um erst einmal alles hochzufahren. Dann könnte vom Boden eine sekundengenaue Zeitansage bis zum Start kommen.

    Duke:Aber man gab uns die Zeiten extra für den Fall, dass die Verbindung abbricht.

    Young:Stimmt.

    Duke:Also nützten sie nichts.

    Young:Wenn die Missionsuhr nicht läuft, ist ein Start auf die Sekunde genau kaum möglich. Mit der Armbanduhr schafft man es vielleicht, auf die Minute genau zu starten.

    Duke:Das ist richtig.

  156. Duke: Jim, eine Frage. Ich bin auf Seite 1-5, dem Schema Abgeschaltet für meine Unterbrecher. In Reihe 3 unter COMMNASACOMMCommunications sollen wir die Schalter Leistungverstärker und Sender/Empfänger des Primären S-Band-Systems drücken … (korrigiert sich) drin lassen. Im Augenblick sind sie draußen. Was möchtet ihr?

  157. Irwin: Warte bitte. (Pause) Okay, Charlie, lass diese Unterbrecher offen. (Pause)

  158. Duke: Verstanden. S‑Band‑Antenne ist auch offen und ich lasse den Unterbrecher ebenfalls offen. Was ist mit Steuerung Kabinenventilator? Wollt ihr den Geschlossen? (Paneel 16)

  159. Audiodatei (, MP3-Format, 1,2 MB) Beginnt bei .

  160. Irwin: Warte. (lange Pause) Orion, Steuerung Kabinenventilator bitte öffnen.

  161. Duke: Verstanden. Ist Offen.

  162. Unterbrechung des Funkverkehrs.

    Selbstverständlich kennt Charlie sich mit den LMNASALMLunar Module‑Systemen gut genug aus, um seinerseits Vorschläge machen zu können, die Strom sparen.

  163. Duke: Jim, auf meiner 2:00‑Uhr‑Position, ungefähr … direkt oben auf der Anhöhe, die wir euch vorhin beschrieben haben, sehe ich einen kleinen jungen Krater. Der Durchmesser beträgt etwa 10 Meter und rundherum liegen viele 30 bis 40 Zentimeter große Brocken. Ende.

  164. Irwin: Okay, ist notiert. (Pause)

  165. Möglicherweise meint Charlie den Krater, der auf AS16-113-18307 in der linken Bildhälfte unterhalb des Horizonts zu sehen ist.

  166. Duke: Anscheinend … Auch in der Kraterwand sind solche Brocken zu erkennen. Anscheinend ist der Regolith dort ziemlich steinig.

  167. Irwin: Verstanden. Notiert. (lange Pause)

  168. Charlie befürchtet, dass es beim Bohren oder dem Anlegen der Gräben eventuell Probleme mit Gesteinsbrocken geben könnte, die im Regolith vergraben sind.

  169. Duke: Und, Houston, es ist wirklich hell draußen. Die Oberfläche sieht für mich fast weiß aus. (lange Pause) Okay, Jim, der Wechselstrom wird jetzt abgeschaltet.

  170. Entsprechend der Änderung auf SUR 1-5 zieht Charlie den Unterbrecher Inverter 2 (Paneel 16).

  171. Irwin: Verstanden.

  172. Unterbrechung des Funkverkehrs.

  173. Young: Wollt ihr die MESANASAMESAModular(ized) Equipment Stowage Assembly‑Heizung auf hoher Stufe, Houston? (SUR 1-6)

  174. Irwin: Warte. (lange Pause) Bitte warten. Wir überlegen noch. (lange Pause) Also, Orion. Lass die MESANASAMESAModular(ized) Equipment Stowage Assembly‑Heizung auf Stufe Hoch.

  175. Young: MESANASAMESAModular(ized) Equipment Stowage Assembly‑Heizung auf Hoch. (Paneel 8)

  176. Unterbrechung des Funkverkehrs.

    Jones: Weshalb wurde das MESANASAMESAModular(ized) Equipment Stowage Assembly beheizt?

    Duke: Darin befanden sich Verpflegung, Filmmagazine, die zwei Probenbehälter (SRCsNASASRCSample Return Container) und man hatte die Fernsehkamera darauf montiert. Irgendetwas durfte nicht zu kalt werden. Was genau die kritischen Teile waren, weiß ich nicht mehr.

    Auf dem Weg zum Mond flog der Apollo‑Verbund überwiegend im PTCNASAPTCPassive Thermal Control‑Modus. Dabei rotierten die Raumschiffe mit 0,3° pro Sekunde (3 Umdrehungen pro Stunde) um die gemeinsame X‑Achse, sodass alle Seiten gleichmäßig der Hitze der Sonne und der Kälte des Weltraums ausgesetzt waren. Nach der Landung auf dem Mond befindet sich das MESANASAMESAModular(ized) Equipment Stowage Assembly nun dauerhaft im Schatten und würde ohne Heizung zu stark abkühlen.

    Jones: Gab es im Vergleich zur Air Force bei der NASANASANASANational Aeronautics and Space Administration mehr oder weniger Akronyme und Abkürzungen?

    Duke: Mehr von beidem.

    Der Berichterstatter (PAONASAPAOPublic Affairs Officer) im MOCRNASAMOCRMission Operations Control Room meldet einen Schichtwechsel. Die Mannschaft von Gerry Griffin (Gold FLIGHTNASAFLIGHT oder FDFlight Director) wird abgelöst und die Mannschaft von Pete Frank (Orange FLIGHTNASAFLIGHT oder FDFlight Director) übernimmt.

  177. Duke: (heftige Störgeräusche) Houston, die Checkliste verlangt den Funktionsschalter Distanz auf Distanz (SUR 1-7). Momentan steht er auf Aus/Zurücksetzen (Paneel 12). Was möchtet ihr?

  178. Die momentane Schalterstellung ist wegen der lauten Störgeräusche fast nicht zu verstehen. Nachdem das Problem behoben wurde, fragt Charlie bei erneut und man hört deutlich: Aus/Zurücksetzen. Ich bedanke mich bei Frank O’Brien für den Hinweis.

  179. Irwin: Ich verstehe dich sehr schlecht. Ihr müsst etwas gemacht haben, das hier unten ein lautes Rauschen verursacht.

  180. Duke: Wir haben den Verstärker ausgeschaltet (SUR 1-7, Paneel 12). (Pause)

  181. Young: (nicht zu verstehen) Konfiguration Abgeschaltet (nicht zu verstehen).

  182. Irwin: Okay, Orion. Bitte den Verstärker wieder einschalten, damit ihr besser zu hören seid. (lange Pause, das Rauschen verschwindet)

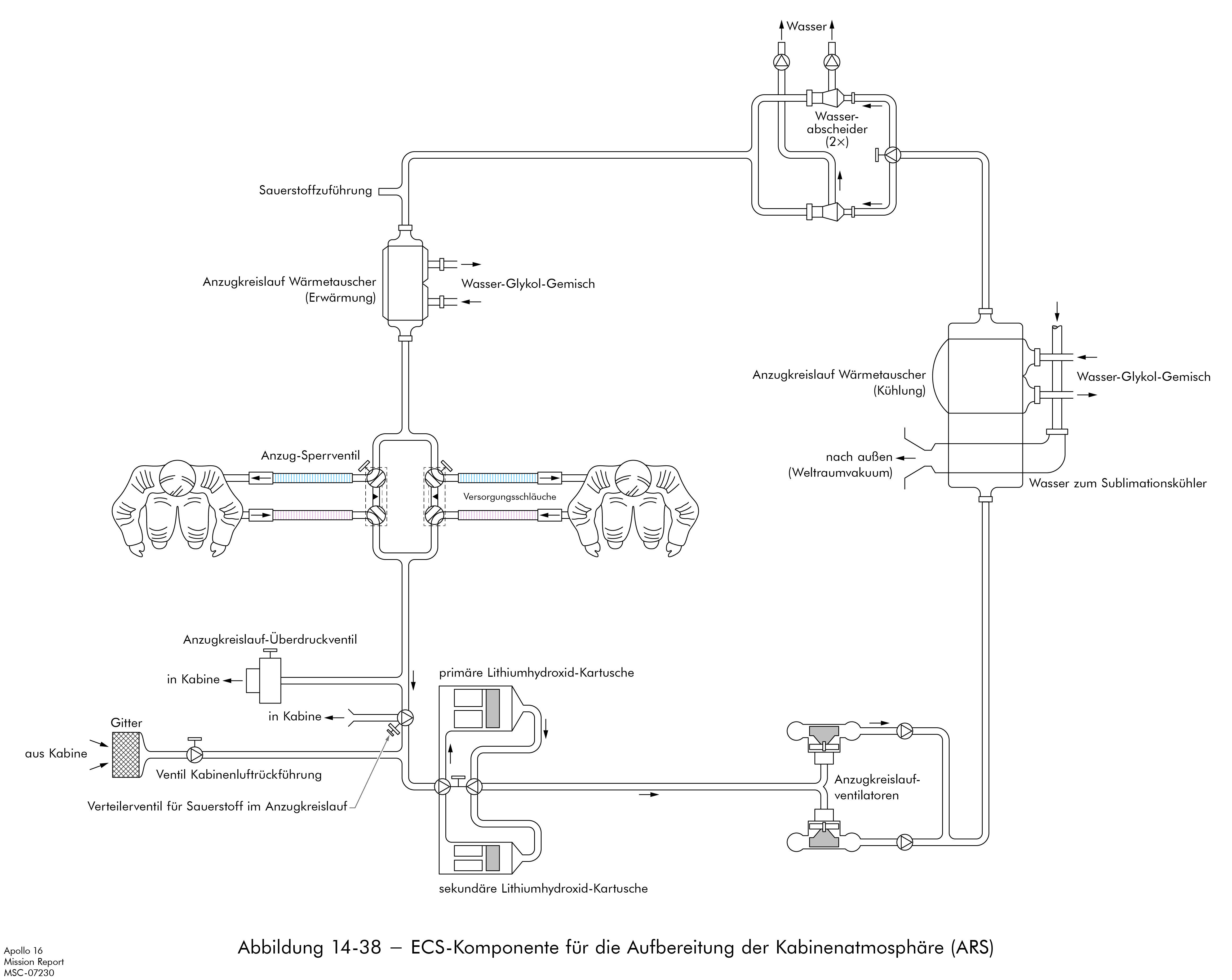
  183. Duke: Wie hörst du uns jetzt, Jim?

  184. Irwin: Laut und deutlich, Charlie.

  185. Duke: Okay. Wir lassen den Verstärker auf An, beziehungsweise Sekundär. Wollt ihr den Funktionsschalter auf Distanz, wie es in der Checkliste steht? Momentan steht er auf Aus/Zurücksetzen. (Paneel 12)

  186. Audiodatei (, MP3-Format, 0,5 MB) Beginnt bei .

  187. Irwin: Warte. (lange Pause) Okay, Orion. Den Schalter bitte auf Distanz. (Paneel 12)

  188. Unterbrechung des Funkverkehrs.

    Tony England ist jetzt CapComNASACapComSpacecraft (Capsule) Communicator. schreibt Tony in einer , dass er als Missionswissenschaftler bereits an Apollo 13 beteiligt war. Unter anderem sollte er die Aufgabe des CapComNASACapComSpacecraft (Capsule) Communicator während der geplanten EVAsNASAEVAExtravehicular Activity und während der Schlafpausen auf dem Weg zum Mond sowie zurück zur Erde übernehmen. John und Charlie gehörten zur Ersatzmannschaft von Apollo 13. So konnten sie sich von Tonys Fähigkeiten überzeugen und baten ihn, bei Apollo 16 für sie als EVANASAEVAExtravehicular ActivityCapComNASACapComSpacecraft (Capsule) Communicator zu arbeiten.

    Der folgende Dialog legt nahe, dass John und Charlie in der Checkliste auf Seite SUR 1-9 angekommen sind.

    Audiodatei (, MP3-Format, 50 kB) Beginnt bei . Der Berichterstatter (PAONASAPAOPublic Affairs Officer) im MOCRNASAMOCRMission Operations Control Room kündigt unter anderem an, dass die Pressekonferenz zum Schichtwechsel stattfindet und nun übertragen wird.

    Audiodatei (, MP3-Format, 0,4 MB) Beginnt bei . Der Berichterstatter (PAONASAPAOPublic Affairs Officer) im MOCRNASAMOCRMission Operations Control Room meldet das Ende der Pressekonferenz, rekapituliert die Ereignisse im LMNASALMLunar Module und teilt mit, dass der währendessen aufgezeichnete Funkkverkehr nun gesendet wird.

    Audiodatei (, MP3-Format, 1,3 MB) Beginnt bei (aufgezeichnet während der Pressekonferenz zwischen und ).

  189. Duke: Jim, Houston. Ende.

  190. England: Kommen, Charlie.

  191. Duke: (über seinen Versprecher lachend) Beziehungsweise: Jim, Orion.

  192. England: Kommen, Charlie. Ah, …

  193. Duke: Es war ein langer Tag. …

  194. England: Ah, …

  195. Duke: … Ja, könnten … (hört Tony) Ja, könnten wir die Anzüge ausziehen, bevor wir die Kabine einrichten? (Pause)

  196. England: Okay. Wir haben keine Einwände, Charlie. Zieht sie aus.

  197. Duke: Ah, hallo Tony.

  198. Young: Ja, das …

  199. England: Ja, Guten Abend, Leute. Hervorragende Leistung!

  200. Duke: Danke.

  201. England: Wirklich beeindruckend.

  202. In Houston ist es .

    Informationen dazu, weshalb Ende in Houston noch die Standardzeit galt anstatt der Sommerzeit, finden sich im Wikipedia-Artikel Uniform Time Act sowie unter https://www.webexhibits.org/daylightsaving/index.html.

  203. Young: Na dann warte, bis du die Steine hier siehst.

  204. England: Ich habe euch gehört. Klang vielversprechend.

  205. Duke: Tony … (hört Tony)

  206. Young: Es reicht, um einen Geophysiker vom Hocker zu reißen.

  207. England: (Lachen) Also das habt ihr schon geschafft.

  208. Duke: So viele interessante Steine hast du noch nie gesehen, Tony. Ein paar große gibt es auch.

  209. England: Hört sich fantastisch an. Ich werde schon wieder grün vor Neid. Das war vor allerdings weniger der Fall. (Pause) Ich denke, ihr habt euer Geld heute verdient.

  210. Young: Die Burschen im Graben, von denen alles ausgetüftelt wurde, die haben heute ihr Geld verdient. Das sage ich dir. (lange Pause)

  211. Duke: Hey, Tony. Du kannst John Covington ausrichten, das Teil (Charlies PLSSNASAPLSSPortable Life Support System) ist ein Fliegengewicht im Vergleich zu seiner leichten Trainingsversion.

  212. England: (Lachen) Mach ich. Er ist hier irgendwo unterwegs.

  213. Young: Ihr hättet sehen müssen, wie Charlie seinen 130-Pfund‑Tornister mit einer Hand aufhebt. (Pause)

  214. Duke: John Covington war Ingenieur und verantwortlich für die Abschnitte in unserer Checkliste, die das Einrichten der Kabine sowie das An- und Ausziehen der Anzüge umfassten. Hier meine ich das (LMPNASALMPLunar Module Pilot‑)PLSSNASAPLSSPortable Life Support System, das zwischen uns (auf dem Boden) lag. Ich konnte es einfach hochheben. Sogar im Vergleich zu den leichteren Trainingsversionen wog es deutlich weniger.

    Jones: War es Ihr PLSSNASAPLSSPortable Life Support System, das vor der Luke auf dem Kabinenboden lag, und Johns hing an der Wand?

    Duke: Ich glaube, kann mich aber nicht mehr genau erinnern.

    Jones: Auf den Fotos sieht man diese Streifen an der PLSSNASAPLSSPortable Life Support System‑Rückseite, wahrscheinlich Velcro‑Streifen. Ich könnte mir vorstellen, dass Johns PLSSNASAPLSSPortable Life Support System damit zusätzlich an der Wand fixiert werden sollte. Lag Ihr PLSSNASAPLSSPortable Life Support System ebenso mit der Rückseite auf dem Boden?

    Duke: Nein, die Rückseite war oben. Es gab Sicherungsstifte und im Boden versenkte Ösen, das weiß ich noch. Außerdem einen passenden Rahmen.

    Jones: Und diesen Rahmen hoben Sie hoch. Demnach sind Sie durch mit der Schalterkonfiguration (SUR 1-6, SUR 1-7, SUR 1-8).

    Duke: Ja. Wir sind auf Seite 1-9.

    Jones: Okay. Armstützen hochklappen, COASNASACOASCrewman Optical Alignment Sight am Frontfenster montieren (SUR 1-9). Was war ein COASNASACOASCrewman Optical Alignment Sight?

    Duke: Ein optisches Visier für John. Man konnte es an eine andere Stelle … Es wurde am Fenster montiert. Während des Rendezvous hat John damit das CSMNASACSMCommand and Service Module anvisiert und bekam so einen Anhaltspunkt für die Relativbewegung. Oder er montierte es für das Andocken am oberen Fenster.

    Im erfuhren die Herausgeber des ALSJNASAALSJApollo Lunar Surface Journal, dass die Velcro‑Streifen an der PLSSNASAPLSSPortable Life Support System‑Rückseite nicht dazu dienten, das Gerät irgendwo zu befestigen. Der tatsächliche Zweck blieb jedoch weiterhin unklar. brachte Ken Thomas mit seinem Artikel Die Velcro‑Streifen am PLSS (PLSS Velcro) etwas Licht ins Dunkel.

  215. Duke: Zur Information, Tony, wir haben unsere Meinung geändert, was das Ausziehen der Anzüge betrifft (vorgesehen auf SUR 3-4, nachdem SUR 2-1 abgearbeitet wurde). Weil einige Sachen hinter der Triebwerksabdeckung verstaut werden, halten wir uns nun doch an die ursprüngliche Reihenfolge. Wir sind jetzt bei Kabine für den Aufenthalt einrichten (SUR 1-9).

  216. England: Okay. Wir verstehen.

  217. Sehr lange Unterbrechung des Funkverkehrs.

  218. Young: Okay, Houston. Wir erreichen die Stelle, an der die Armstützen abmontiert werden (SUR 1-9). Hoffentlich bekommen wir die Tür noch auf, wenn der Müllsack nachher voll ist.

  219. England: Ich weiß, was du meinst. (Pause)

  220. Jones: Bedeutet Tonys Aussage, dass er am Training für die Abläufe im LMNASALMLunar Module teilnahm?

    Duke: Ja. Nicht mit uns gemeinsam, aber er ist vieles durchgegangen. Er wollte sich mit Vorgängen wie zum Beispiel dem Aus- und Anziehen der Anzüge möglichst gut vertraut machen, um zu wissen, was wir tun.

    Jones: Die Unterstützungsmannschaft wurde zum selben Zeitpunkt ausgewählt wie Sie. Also haben Sie mit den Leuten die ganze Zeit zusammengearbeitet.

    Duke: Ja, fast. Ich weiß nicht mehr, wer dazugehörte. Tony ist in der Unterstützungsmannschaft und gleichzeitig CapComNASACapComSpacecraft (Capsule) Communicator gewesen. Als Geophysiker begleitete er uns auch bei den geologischen Feldexkursionen.

    Zur Unterstützungsmannschaft für Apollo 16 gehörten Don Peterson, Tony England, Phil Chapman und Hank Hartsfield. Neben seiner Funktion als CapComNASACapComSpacecraft (Capsule) Communicator war Tony England ebenfalls Missionswissenschaftler.

    Jones: Hatten Sie Einfluss darauf, wer in die Unterstützungsmannschaft kam?

    Duke: John vielleicht. Ich nicht.

    schrieb ich an Tony England: Soviel ich weiß, verbrachten Sie einige Zeit in LMNASALMLunar Module‑Simulatoren oder -Attrappen, um die Abläufe durchzugehen und sich selbst ein Bild zu machen von dem, was auf dem Mond vor sich geht. Bin ich richtig informiert? Falls ja, hatten Sie noch jemanden aus der Unterstützungsmannschaft dabei? Gab es auch andere Missionsabschnitte, mit denen Sie sich in der Trainingsphase intensiver auseinandersetzten? Ich möchte erfahren, wie Sie sich auf Ihre Aufgaben während der Mission vorbereiteten, und wäre Ihnen dankbar für alles, was Sie mir dazu sagen können.

    England: Leider verblassen die Erinnerungen allmählich, soviel vorweg. Was meine Vorbereitung anbelangt, ich war bei allen Durchläufen und allen Simulationen für den Aufenthalt auf der Mondoberfläche dabei, an denen die Flugmannschaft teilnahm. Ebenso bin ich mit einem Trainer alle Abläufe durchgegangen, nicht selten im Anzug. Dann erinnere ich mich, dass ich auf der nachgebildeten Mondoberfläche hinter dem Trainingsgebäude des KSCNASAKSCKennedy Space Center mehrmals jede EVANASAEVAExtravehicular Activity‑Simulation absolviert habe, immer im Anzug. Jedoch weiß ich nicht mehr, wer mein Partner gewesen ist und wer welche Rolle übernahm. Vermutlich wechselten wir uns ab, um beide Seiten kennenzulernen (CDRNASACDRCommander und LMPNASALMPLunar Module Pilot). Ich glaube, wir fuhren auch in der 1g‑Trainingsversion des Mondfahrzeugs um das Gelände. Ich betrieb den Aufwand, weil ich über jeden Schritt genau Bescheid wissen wollte, um mich gut in die Mannschaft auf dem Mond hineinversetzen zu können und die auftauchenden Probleme möglichst schnell zu verstehen. Des Weiteren gestattete mir die Ersatzmannschaft (Haise, Roosa und Mitchell) gelegentlich bei weniger wichtigen Trainingseinheiten, keinesfalls bei integrierten Simulationen, als Landemodulpilot dabei zu sein. Denn sie trainierten tatsächlich nur für den Fall der Fälle und nicht für eine reale Mission. Zudem hatten Mitchell und Roosa die Erfahrung bereits gemacht. Die Bemerkung über den Müllsack hat folgenden Hintergrund. Es musste so viel Kram entsorgt werden, dass mit einem vollen Sack in der Kabine fast kein Platz blieb, um die nach innen schwingende Lukentür zu öffnen.

    Als jüngster Astronaut ohne viel Erfahrung wollte ich den Rückstand unbedingt aufholen, um die Mission nicht durch irgendeinen dummen Fehler zu gefährden. John, Charlie und Ken, wie auch alle anderen Beteiligten, taten absolut alles, damit die Mission ein Erfolg wird und gute wissenschaftliche Ergebnisse liefert. Wobei man schon das Ende des Apollo‑Programms vor Augen hatte. Wir wollten einfach unser Bestes geben. Deshalb akzeptierte ich die Aufgabe, das Raumschiff abschließend auf den Start vorzubereiten – es gab dafür eine spezielle Bezeichnung, die mir aber nicht mehr einfällt – und die Position als CapComNASACapComSpacecraft (Capsule) Communicator für die EVAsNASAEVAExtravehicular Activity auf der Mondoberfläche. Im Nachhinein betrachtet habe ich zu viel gewollt. Es wäre klüger gewesen, mich nicht an den Abschlussvorbereitungen auf der Startrampe zu beteiligen. Andererseits rief dieser Abschluss Emotionen hervor, die mir immer in Erinnerung bleiben werden. Einmal der Stolz, weil ich helfen durfte, die drei loszuschicken. Aber auch eine gewisse Traurigkeit, als ich sie anschnallte und starten sah, weil ich zurückbleiben musste.

  221. Duke: Okay, Tony. Mein Passiv… Mein persönliches Dosimeter (PRDNASAPRDPersonal Radiation Dosimeter) zeigt 21109. (PRD‑Ansicht)

  222. England: Okay, 21109. (lange Pause) Als ich die Entsorgung durchging, kam es mir vor, als würde ich die halbe Kabine wegschmeißen.

  223. Bis jetzt befinden sich allerdings nur die erwähnten Armstützen (Charlies zwei Stützen und Johns linke Stütze) sowie ein Kamerabeutel im Müllsack (SUR 1-9). Der Rest folgt bei der Vorbereitung auf die erste EVANASAEVAExtravehicular Activity am nächsten Tag.

  224. Young: Meins zeigt 22050, Houston. (PRD‑Ansicht)

  225. England: Okay, 22050. (lange Pause)

  226. Young: Okay, Houston. Bevor wir im Abschnitt Kabine vorbereiten dazu kommen, die ETBNASAETBEquipment Transfer Bag zu packen (SUR 2-1), ziehen wir die Anzüge aus. (SUR 3-4)

  227. England: Okay.

  228. Young: Es wäre schlauer gewesen, wenn wir das gleich am Anfang gemacht hätten.

  229. England: (kurzes Lachen, Pause) Vor dem Ausziehen der Anzüge wollt ihr vielleicht noch die 500‑mm‑Sachen hinter der Triebwerksabdeckung hervorholen.

  230. Jones: Das 500‑mm‑Objektiv war an einer separaten Kamera, nicht wahr?

    Duke: Es war keine separate Kamera, sondern ein separates Objektiv. Das Teleobjektiv wurde einfach an eine Hasselblad angesetzt.

    Jones: Hatten Sie draußen nicht drei Hasselblad-Kameras, eine für jeden von Ihnen und eine für das 500‑mm‑Objektiv?

    Duke: Könnte sein. Sie haben recht, wir hatten eine separate … Meine Güte, Sie verunsichern mich.

    Jones: Ich kann mir nicht vorstellen, dass Sie draußen das Objektiv wechselten, bei all dem Dreck.

    Duke: Ich weiß es nicht mehr. Was hatten die zwei bei Apollo 17? Denn ihre Ausrüstung war die gleiche wie unsere.

    Jones: Es gab eine dritte Kamera, die im Fahrzeug unter dem Sitz lag. Allerdings brauchten wir eine Weile, um das herauszufinden.

    Duke: Wie bei uns. Ah! Jetzt erinnere ich mich, auch weil der Abzug fehlte. Ja, ein separates Objektiv mit Gehäuse. Ich hielt sie so (Charlie nimmt die entsprechende Haltung ein) und drückte den Auslöser direkt an der Kamera. Das musste ich wirklich üben.

    Jones: Also hielten Sie die Kamera in der linken Hand vor sich …

    Duke: Ja. Welche Hand vorn war, kann ich nicht mehr sagen. Doch ich hielt sie wohl ungefähr so, denn der Auslöser war links. Das Objektiv lag in der linken Hand und das Gehäuse in der rechten …

    Jones: Dann konnten Sie mit dem Zeigefinger den Auslöser drücken. Möglicherweise sehen wir in den Fernsehbildern, wie Sie mit der Telekamera fotografieren.

    Duke: Ich glaube nicht.

  231. Duke: Wir sind dir voraus, Tony. Ist schon geschehen. Wir haben alles von da hinten hervorgeholt und ich befestige jetzt die ISSNASAISSInterim Stowage Shelf. John zieht seinen Anzug aus.

  232. England: Sehr gut.

  233. Lange Unterbrechung des Funkverkehrs.

  234. Duke: Okay, Tony. Wir sind zu dritt. John hat seinen Anzug ausgezogen.

  235. England: Und ihr drei schlendert jetzt in der Kabine herum, wie ich annehme. (Pause)

  236. Duke: Nun ja, nicht ganz. Einer liegt (auf der Triebwerksabdeckung, SUR 3-4).

  237. Unterbrechung des Funkverkehrs.

    Technische Nachbesprechung am

    Duke:Das Ausziehen der Anzüge bereitete keine Schwierigkeiten. Natürlich wurde es enger in der Kabine, weil sie aufgebauschter waren als die abgenutzten Anzüge für das Training. Nachdem beide auf der Triebwerksabdeckung lagen, hatten wir jedoch immer noch genug Platz.

    Ed Hengeveld verwendete die Fotos AS17-134-20522 und AS17-134-20525 für ein zusammengesetztes Bild vom Innenraum der Kabine. Es zeigt, wie die Besatzung von Apollo 17 ihre Anzüge auf der Triebwerksabdeckung bis fast an die Decke aufgestapelt hat.

  238. Duke: Tony, empfangt ihr Daten mit hoher Bitrate (HBRNASAHBRHigh Bit-Rate)? (Pause)

  239. England: Ja, tun wir, Charlie.

  240. Duke: Okay. John müsste wieder angeschlossen sein (an das Kommunikationssystem, SUR 3-5).

  241. Young: Okay. Ich höre dich, Tony.

  242. England: Ausgezeichnet, John. (Pause)

  243. Für das Ausziehen der Anzüge, den Wechsel der Anschlüsse und die richtige Lagerung – erst CDRNASACDRCommander dann LMPNASALMPLunar Module Pilot – wurden insgesamt veranschlagt (SUR 3-4). John schaffte es in knapp , was wahrscheinlich daran lag, dass der Anzug sauber und der Urinbeutel nur zum Teil gefüllt war.

  244. Young: Alles in allem müssen wir feststellen, dass die Kühlung im Anzug kaum zu spüren ist. Deshalb möchten wir die Erlaubnis, etwas kaltes Wasser durch den Anzug pumpen zu dürfen, damit wir nicht so sehr schwitzen. Auch wenn Strom gespart werden muss. Wäre das in Ordnung? Immer wenn wir in der Kabine den Anzug tragen?

  245. England: Okay. Ich kläre das. (lange Pause) Ja. Ist kein Problem, John.

  246. Young: Also dann, Danke. Nur kurz, vielleicht . (lange Pause)

  247. England: Orion, Houston. (Pause)

  248. Young: Kommen, Tony.

  249. England: Okay. Wir möchten Kabinenluftrückführung auf AUTONASAAUTOAutomatic (SUR 3-4).

  250. Young: Verstanden. Kabinenluftrückführung – AUTONASAAUTOAutomatic (ECS – Atemgasaufbereitung).

  251. England: Okay. Und den Sauerstoffverteiler auf Kabine (SUR 3-4). (Pause)

  252. Young: Okay, ist auf Drücken-Kabine (ECS-Paneel).

  253. England: Okay. (lange Pause)

  254. Young: Okay, Houston. Die ECSNASAECSEnvironmental Control System‑Warnleuchte H2O SEPNASASEPSeparator ist an (Paneel 2). Bedeutet die Leuchte im gegenwärtigen Modus nicht, dass wir auf SEP 2NASASEPSeparator umschalten müssen? (Pause)

  255. England: Verstanden, John. Wir arbeiten daran.(Pause)

  256. Im ECSNASAECSEnvironmental Control System gibt es zwei vom Gasstrom angetriebene Fliehkraftabscheider, um dem Atemgas die Feuchtigkeit zu entziehen. Entsprechend SUR 1-8 ist derzeit Abscheider 1 in Betrieb.

  257. Young: Ja. Im Verteilerventil für Anzugsauerstoff (ECS-Paneel) klappert etwas. Man hört eine Art Schnurren. (lange Pause)

  258. England: Okay, John. Wir möchten, dass du auf den anderen Wasserabscheider umschaltest. (lange Pause)

  259. Young: Okay. Griff ist gezogen, SEP 2NASASEPSeparator läuft.

  260. England: Okay.

  261. Unterbrechung des Funkverkehrs.

    Das Umschalten zwischen den Wasserabscheidern erfolgte mit einem Druck/Zug-Griff.

  262. Young: Okay. Die Warnleuchte für den Wasserabscheider ist nach wie vor an.

  263. England: Okay. Verstanden. (Pause)

  264. Young: Wir haben die … Ich werde euch kurz unsere Konfiguration mitteilen. Wir sind auf Ziehen: SEP 2NASASEPSeparator. Die Kabinenluftrückführung steht auf AUTONASAAUTOAutomatic. Wir verwenden die primäre LiOHNASALiOHLithiumhydroxid‑Kartusche. Das Anzugkreislauf Überdruckventil steht auf AUTONASAAUTOAutomatic. Wir sind auf Drücken-Kabine und die Schläuche stecken in den Anschlüssen an der Wand.

  265. England: Okay. Ist notiert. (lange Pause) Okay, John. Die Drehzahl des Abscheiders steigt noch. Offenbar dauert es eine Weile. Im Augenblick ist er nur etwas langsam.

  266. Young: Okay, gut. (lange Pause)

  267. England: Orion, Houston.

  268. Young: Sprich, Tony.

  269. England: Okay. Man vermutet bei euch das Wasser‑im‑Schlauch‑Problem und möchte, dass ihr die Schläuche nach unten haltet, um das Wasser ablaufen zu lassen. Dann bittet man darum, mit der Hand vor der Öffnung des blauen Schlauchs zu prüfen, ob genug Sauerstoff ausströmt. (lange Pause)

  270. Nachdem John seinen Anzug ausgezogen hatte, steckte er die Anschlusskupplungen der vom ECSNASAECSEnvironmental Control System kommenden Sauerstoffschläuche in dafür vorgesehene Anschlüsse an der Kabinenwand. Laut SUR 3-4 konnten die Astronauten entweder das Anzuginnere trocknen oder, entsprechend SUR 3-6, die Schläuche an der Wand anschließen, damit sie nicht im Weg lagen. Weil keine EVANASAEVAExtravehicular Activity unternommen wurde, war der Anzug innen kaum verschwitzt und eine Trocknung nicht nötig.

    Schläuche mit blauen Kupplungen leiteten Sauerstoff vom ECSNASAECSEnvironmental Control System oder PLSSNASAPLSSPortable Life Support System in den Anzug, Schläuche mit roten Kupplungen leiteten das ausgeatmete Sauerstoff‑Kohlendioxid‑Gemisch aus dem Anzug zum ECSNASAECSEnvironmental Control System oder PLSSNASAPLSSPortable Life Support System. Die Anschlüsse an der Kabinenwand werden auch bei erwähnt.

  271. Duke: Okay, Tony. Ich bin wieder angeschlossen (an das Kommunikationssystem). Wie hörst du mich?

  272. England: 5/5, Charlie.

  273. Charlie brauchte ebenfalls ungefähr , um seinen Anzug auszuziehen.

  274. Duke: Okay. Mit dem Ventil‑Griff am ECSNASAECSEnvironmental Control System auf Drücken-Kabine. Für mich klingt es, als ob darin so etwas wie ein Klappventil rattert und den Durchfluss behindert.

  275. Young: Ja, genau so hört es sich an. (lange Pause)

  276. England: Okay. Strömt Sauerstoff aus dem blauen Schlauch?

  277. Duke: Bestätigt.

  278. Young: Es tritt Sauerstoff aus. Aber wie Charlie sagte, irgendetwas da drin hemmt den Strom.

  279. England: Ja. Okay.

  280. Young: Und der Strom pulsiert. (Pause) Ihr müsstet es eigentlich hören können (man hört ein Flattern). Ich halte das Mikrofon direkt vor die Schlauchöffnung, sodass es angeblasen wird. Der Sauerstoff strömt nicht konstant, sondern pulsiert. Als ob ein Ventil nicht richtig funktioniert.

  281. England: Alles klar. Wir haben es gehört, John. (Pause)

  282. Young: Dasselbe bei Charlies Schlauch.

  283. England: Okay, John. Wir möchten den Sauerstoffverteiler wieder auf Aussteigen. Und gib uns ein Zeichen, wenn du den Griff ziehst. (Pause)

  284. Young: Okay. 3, 2, 1. Jetzt. Okay. Sauerstoffverteiler steht auf Aussteigen.

  285. England: Okay. (lange Pause)

  286. Young: Der Durchfluss im Sauerstoffverteiler ist in Ordnung.

  287. England: Okay. Verstanden. (Pause) Okay. Das heißt, alle Geräusche sind verschwunden?

  288. Young: Ja. Kein Klappern mehr im Ventil.

  289. England: Okay.

  290. Unterbrechung des Funkverkehrs.

  291. Young: Die Warnleuchte für den Wasserabscheider ist natürlich aus inzwischen. (Paneel 2)

  292. England: Okay. (Pause)

  293. Laut Missionsbericht zu Apollo 16 (Apollo 16 Mission Report, Abschnitt 14.2.5 Klemmendes Ventil für Kabinenluftrückführung, Seite 14-57) fand man den Fehler schließlich im Ventil für die Kabinenluftrückführung. Durch dieses Ventil sollte das ausgeatmete Sauerstoff‑Kohlendioxid‑Gemisch aus der Kabine zurück in das ECSNASAECSEnvironmental Control System strömen, wo dem Gemisch Kohlendioxid und Feuchtigkeit entzogen wurden. Allerdings öffnete sich das Ventil nicht automatisch, wahrscheinlich aufgrund einer Kontamination in der Mechanik. Abbildung 14-38 ist eine schematische Darstellung der Atemgasaufbereitung im Sauerstoffkreislauf (ARSNASAARSAtmosphere Revitalization Section). Abbildung 14-39 ist eine Schnittdarstellung des Ventils. Bei kommt das Problem erneut zur Sprache.

  294. Young: Charlie hat die Telekamera zusammengesetzt (SUR 2-1) und sie funktioniert. Was mich nicht überrascht, denn sie war sicher genug verpackt, um sogar einen Aufschlag zu überstehen.

  295. England: (Lachen) Okay.

  296. Young: In einem dieser 30g‑Beutel.

  297. England: Immerhin. Eine Kamera funktioniert schon mal. (lange Pause)

  298. Jones: Die Kamera war gut gepolstert?

    Duke: Ja. Soweit ich noch weiß, wurde das Ding bombenfest eingepackt. Man hatte Angst, dass bei einer harten Landung etwas kaputtgeht.

  299. England: Okay, John. Wir möchten, dass ihr bei Gelegenheit zurückschaltet auf SEP 1NASASEPSeparator. (Pause)

  300. Duke: Ist geschehen.

  301. England: Okay.

  302. Unterbrechung des Funkverkehrs.

    Audiodatei (, MP3-Format, 1,5 MB) Beginnt bei (aufgezeichnet während der Pressekonferenz zwischen und ).

  303. Young: Okay, Houston. Der Bildzähler an MAGNASAMAGMagazin A, Charlies Kamera (HEDCNASAHEDCHasselblad Electric Data Camera), steht jetzt auf 30. Gerade habe ich ein partielles Panorama aus dem Frontfenster fotografiert. Mann, das Gebiet ist … Hier gibt es nirgendwo eine flache Stelle.

  304. England: Gut, John. A: 30.

  305. Zwischen dem Abdocken vom CSMNASACSMCommand and Service Module und der Landung entstanden im Orbit die Aufnahmen AS16-113-18279 bis AS16-113-18295. Die ersten Bilder auf der Mondoberfläche sind AS16-113-18296 bis AS16-113-18303, von John aus dem linken Fenster fotografiert, und AS16-113-18304 bis AS16-113-18310, von Charlie aus dem rechten Fenster fotografiert. Dave Byrne verwendete die Aufnahmen für ein zusammengesetztes Bild.

  306. Young: Das Gelände ist hügelig. Im Übrigen glaube ich nicht, dass wir Schwierigkeiten haben werden, den Berg hochzufahren (Stone Mountain). Obwohl der Hang … Nun, mal sehen, die Steigung zu (Krater) Crown schätze ich auf etwa 20 Grad. Wir müssen eben sehr vorsichtig sein.

  307. Das Fahrzeug (LRVNASALRVLunar Roving Vehicle) war darauf ausgelegt, Steigungen bis 25 Grad (47 %) zu bewältigen. Bei EVA-2NASAEVAExtravehicular Activity werden John und Charlie an der Nordflanke von Stone Mountain ein gutes Stück bergauf fahren, um Cinco A zu erreichen, den größten Krater der Cinco-Formation, rund 800 Meter nördlich von Krater Crown und 130 Meter tiefer gelegen.

  308. England: Verstanden. Was ist …

  309. Young: Beim ersten Anstieg sind es ungefähr 10 Grad. Aber dann, hoch zu Cinco (A) und Echo (Cinco E), wird es steil.

  310. England: Was ist mit Felsbrocken?

  311. Young: Wie schon beschrieben, der Hang von Stone Mountain ist sehr stufig. Was die Felsbrocken betrifft … Also, wir sind in einer Blockhalde gelandet, das wisst ihr.

  312. England: Richtig. (Pause) Siehst du welche oben auf Stone (Mountain)?

  313. Young: Nein. Keine. Na ja, vielleicht doch. Aus der Nähe können wir sicher mehr erkennen. Denn ich sehe da oben ein paar verdächtige Schatten.

  314. England: Was sagst du zur Befahrbarkeit der EVA-1NASAEVAExtravehicular Activity‑Strecke?

  315. Duke: Tony, ich … (hört Tony sprechen)

  316. Young: Ein Spaziergang, denke ich.

  317. England: Schön.

  318. Duke: Tony, wir werden allerdings Probleme haben, eine flache Stelle für das ALSEPNASAALSEPApollo Lunar Surface Experiments Package zu finden, in diesem welligen Gelände mit 4 bis 5 Meter hohen Hügeln.

  319. Young: Ja, 100 Meter von hier (die geplante Entfernung) müssten wir es an einem Hang aufstellen.

  320. Duke: Wir können es möglicherweise da drüben links aufstellen, John. Tony, als wir auf etwa 4000 Fuß (1219 m) gesunken waren, habe ich mir die Gegend bei (Krater) North Ray angesehen (). Dort liegen einige große Brocken. Sie bedecken schätzungsweise 5 Prozent des Randbereichs. Doch weiter südlich, Richtung (Krater) Palmetto, nimmt die Dichte rapide ab. Daher würde ich auch auf dieser Strecke (bei EVA-3NASAEVAExtravehicular Activity) keine Probleme erwarten.

  321. England: Sehr gut.

  322. Duke: Eine letzte Bemerkung, bevor ich weitermache. Auf meiner 1:00‑Uhr‑Position hinter dem LMNASALMLunar Module‑Schatten, ungefähr 30 Meter oder zwei Schattenlängen entfernt, gibt es einen Sekundärkrater. Darin liegt ein metergroßer Felsbrocken, der offensichtlich den Krater erzeugte. Der Brocken ist schwarz und weiß … Die oberen 3 bis 5 Prozent sind schwarz und weiß. Unterhalb davon ist er komplett weiß. Ende.

  323. England: Interessant.

  324. Duke: Diese schwarz‑weißen Brocken liegen hier überall.

  325. John und Charlie werden an vielen Stationen ihrer Erkundungsfahrten solche schwarz‑weißen Brekzien finden. Es wird angenommen, dass es sich um Auswurfmaterial von Krater South Ray handelt. Bei spricht Charlie erneut darüber.

  326. England: Ist der Krater rund oder länglich? Kannst du eine Richtung feststellen?

  327. Sekundärkrater entstehen bei Einschlägen von Fragmenten mit geringerer Geschwindigkeit, die bei einem primären Hochgeschwindigkeitseinschlag ausgeworfen wurden. Erfolgt der Sekundäreinschlag in flachem Winkel, bekommt der Krater eine längliche Form, an der sich die Flugrichtung des Fragments erkennen lässt.

  328. Duke: Ja. Es scheint, dass der Brocken von South Ray stammt. Der Krater ist länglich und wird tiefer in Richtung (Krater) Palmetto. So ähnlich wie die am Kap, die mit einem Bulldozer gegraben wurden.

  329. Jones: Sie sprechen von künstlichen Kratern für das Training …

    Duke: Ja. Hinter dem Gebäude für unterstützende Einrichtungen (am KSCNASAKSCKennedy Space Center), dem Trainingsgebäude, gab es einen Platz, wo wir das Aufstellen der Experimente trainierten. Anschließend setzten wir uns in das Fahrzeug (1g‑Trainingsversion), um ein Stück durch den Sumpf zu fahren. Man hatte zwischen den Palmen einen Weg durch den Morast angelegt. Wir fuhren etwas herum und kamen schließlich zu einem künstlichen Krater, bei dem ein paar Steine lagen. Dort stiegen wir dann aus, schalteten die Fernsehkamera ein und begannen mit der geologischen Erkundung. Proben sammeln, Fotos machen und beschreiben, was zu sehen war. Für einige dieser Kraternachbildungen verwendete man einen Bulldozer, und mit einem Bulldozer kann der Krater natürlich nicht rund werden.

    Ich hatte den Eindruck, dass der Brocken nach dem Aufschlag noch etwas weitergerutscht ist, weshalb ein länglicher Krater entstand.

    Jones: Am tiefsten an der Aufschlagsstelle?

    Duke: Nein. Das war die flachste Stelle, und von dort aus wurde er tiefer.

    Jones: Der Brocken grub sich ein.

    Jones: Ein anderer Punkt. Jack und Gene sagten, dass beim Training am Kap die operativen Abläufe im Vordergrund standen. Wenn Sie dagegen im Fahrzeug (GroverNASAGroverGeologic Rover) und mit PLSSNASAPLSSPortable Life Support System‑Attrappen draußen am Sunset‑Krater oder wo auch immer unterwegs waren, lag der Schwerpunkt auf der geologischen Ausbildung.

    Duke: Ja, stimmt. Geologie spielte am Kap keine Rolle, dort ging es … Am Kap trainierten wir das Aufstellen des ALSEPNASAALSEPApollo Lunar Surface Experiments Package und den Umgang mit unserer Ausrüstung. Es ging um die Praxis. Doch am Sunset‑Krater, in der Jackass‑Ebene oder auf Hawaii beschäftigten wir uns eingehend mit Geologie. Dort studierten wir geologische Zusammenhänge und versuchten, etwas über die Prozesse herauszufinden.

    Jones: Das bringt mich auf die nächste Frage. Die nach den Kraternamen. Stammen viele der Namen von Ihnen und John?

    Duke: Ja, wir suchten sie aus. Wir saßen mit Muehlberger und einigen anderen zusammen, aber ich kann mich erinnern, dass die meisten Krater von John und mir benannt wurden.

    Muehlberger ( in einer ): Das Benennen der Krater war grundsätzlich eine Angelegenheit, die wir in erster Linie den Besatzungen überlassen wollten. Also baten wir Charlie (stets das Sprachrohr), John Young und Tony England (CapComNASACapComSpacecraft (Capsule) Communicator) darum, die Namen zu vergeben. Man darf wohl davon ausgehen, dass viele Namen mit dem persönlichen Hintergrund der Astronauten zu tun haben. Bei etlichen Kraternamen weiß ich allerdings nicht mehr, woher sie kamen. Spook wurde nach Tony Englands Ehefrau benannt. Krater Buster nach dem Hund der beiden, glaube ich. Bei allen anderen kann ich Ihnen leider nicht weiterhelfen.

    Jones: Palmetto und Gator erinnern an …

    Duke: Palmetto steht für meinen Heimatstaat, South Carolina, und Gator für Johns, Florida. Krater Lone Star repräsentiert Texas, den Staat mit dem einzelnen Stern. Dann Krater CaT … Man sagte uns, dass wir die Namen unserer Kinder oder anderer Familienmitglieder nicht verwenden dürfen. Generell durften wir Krater nicht nach Personen benennen. Deshalb gibt es einen Krater Dot für Dotty (Charlies Ehefrau) und einen Krater CaT für Charles und Tom (Charles and Tom, Charlies Söhne). John hat einen für Susy. Ich glaube, das ist Spook. (Hier irrt sich Charlie laut Muehlbergers .) Stone Mountain bekam den Namen, weil der Berg dem Stone Mountain in Georgia ähnelt. Im Norden hinter North Ray liegen die Smokies. Unsere Fotos von der Gegend hatten in dem Bereich eine bläuliche Verfärbung, die uns an den Dunst über den (Great) Smoky Mountains (an der Grenze zwischen Tennessee und North Carolina) erinnerte. Die Namen der Krater North Ray und South Ray erklären sich selbst (aufgrund ihrer Lage sowie der sich strahlenförmig ausbreitenden Ejektadecke). Nicht zu vergessen Double Spot. Und schließlich noch die Cincos (span. für Fünfergruppe) an der Nordflanke von Stone Mountain. Es hieß (während der Missionsplanung): Wir wollen dort hin. Also brauchten wir einen Namen dafür. Deswegen saßen wir zusammen und überlegten uns diese Namen.

    Jones: In der Internationalen Astronomische Union (IAUNASAIAUInternational Astronomical Union) gibt es eine Kommission, die das Recht zur Vergabe der Namen auf dem Mond beansprucht und einige Regeln aufgestellt hat. Unter anderem ist es tabu, Landschaftsmerkmale nach lebenden Personen zu benennen. Achtete jemand auf die Einhaltung dieser Regeln?

    Duke: Ja. Man kam auf uns zu und wollte sein Territorium verteidigen. Nach dem Motto: Wir haben die Hoheit über die Namensvergabe. Unsere Haltung dazu war (Lachen): Ihr wisst schon, was ihr mit eurer »Hoheit« machen könnt! Immerhin wollten wir uns an die Regeln halten und haben die Namen mehr oder weniger getarnt. Ich glaube nicht, dass man sie offiziell bestätigte. Auf jeden Fall verwendeten wir sie im Training (und auf dem Mond). Doch ob der Verein die Namen jemals in eine Karte eintrug, weiß ich nicht.

    Anmerkung des Verfassers: Ich vertrete folgenden Standpunkt. Solange der Mond mit Teleskopen erkundet wird, ist es das Recht der IAUNASAIAUInternational Astronomical Union, offiziell Namen zu vergeben. Aber als die Apollo‑Astronauten dort landeten, stand ihnen das Privileg zu, noch namenlose Landschaftsmerkmale in den Landegebieten und entlang der CSMNASACSMCommand and Service Module‑Flugpfade zu benennen.

    Jones: Waren Sie im Training auch am Sunset‑Krater bei Flagstaff? Ich meine den schönen, von Basaltströmen umgebenen Schlackenkegel‑Vulkan.

    Duke: Ja. Und wir waren am Meteor‑Krater (dem Einschlagkrater in Arizona). Wir gingen eine Strecke hoch zum Rand und anschließend um den Krater herum. So simulierten wir die Erkundung eines Mondkraters.

    Jones: Unternahmen Sie etwas Ähnliches auch am Sedan‑Krater auf dem NTSNASANTSNevada Test Site?

    Duke: Ja. Ich weiß nicht mehr genau, welche Krater auf dem Gelände wir uns ansahen, aber wir nutzten sie ebenfalls für das Training.

    Sedan‑Krater ist 98 Meter tief, hat einen Durchmesser von 390 Metern und entstand am bei einer Nuklearexplosion, die 365 Meter tief unter lockerem Wüstenschwemmland stattfand. Das Luftbild und ein am Kraterrand aufgenommenes Foto stammen vom Energieministerium der Vereinigten Staaten. Im Rahmen ihrer geologischen Grundausbildung kamen viele Astronauten auf das Testgelände, um solche Krater zu untersuchen.

    Duke: Am Sunset‑Krater beschäftigten wir uns hauptsächlich mit Vulkanismus. Wir unternahmen einige Exkursionen, um an verschiedenen Stellen Aufschlüsse zu untersuchen und Proben zu sammeln. Ich glaube, wir waren zweimal in Flagstaff. Und bei einem dieser Aufenthalte verbrachten wir ein oder zwei Tage am Meteor‑Krater. Wir sind früher schon einmal dort gewesen (lange vor der Auswahl für die Ersatzmannschaft von Apollo 13), allerdings mit einer großen Gruppe während des Einführungskurses in Geologie. Damals gingen wir in den Krater hinein bis zum Grund. Bei der Vorbereitung auf unsere Apollo‑Mission gestalteten wir alles realistischer, weil wir auf dem Mond niemals in einen so großen Krater hineinlaufen würden. Also machten wir es nicht und simulierten eine mögliche EVANASAEVAExtravehicular Activity.

  330. Young: Ich muss bei dem bleiben, was ich vorhin sagte (). Wir stehen etwa 200 Meter nördlich und 100 Meter hinter (westlich von) Double Spot, dem nördlichen der beiden Krater. Sobald wir draußen sind, wissen wir es genau. Jedenfalls wird das die erste geologische Exkursion, bei der mir halbwegs klar ist, wo ich bin, wenn es losgeht.

  331. England: Ah, jetzt übertreib nicht. Du wusstest doch immer, wo du bist.

  332. Young: Wir wussten es immer nach . (Pause)

  333. Jones: Johns Bemerkung klingt, als hätte man Sie bei Feldexkursionen gelegentlich mit einer Karte irgendwo abgesetzt, ohne Ihnen zu sagen, wo genau Sie sind.

    Duke: Das ist richtig. Wir sollten lernen, wie man geologische Karten liest und wie die Streckenführung den Gegebenheiten angepasst wird. Es war ein Training für uns und ebenso für die Leute im Nebenraum (SORNASASORScience Operations Room). Man setzte uns in der Nähe ab, aber so, dass wir herausfinden mussten, wo wir sind. Ein gutes Training.

  334. England: Seid ihr fertig mit der Kabine?

  335. Young: Charlie packt die ETBNASAETBEquipment Transfer Bag (SUR 2-1). Weil es hier drin so voll ist, kann immer nur einer etwas tun.

  336. England: Verstanden. Okay. Eins noch. Wir würden uns wünschen, dass ihr den ALSEPNASAALSEPApollo Lunar Surface Experiments Package‑Standort festlegt, bevor ihr aussteigt. (lange Pause)

  337. Young: Also, wir machen uns Gedanken darüber. Das Problem ist, wir haben ungefähr 50 Meter vor uns eine Anhöhe und ich weiß nicht, wie es dahinter aussieht. Etwa 100 Meter entfernt sind eine Menge Felsbrocken zu sehen. Aber das ist die Nullphasenrichtung, darum kann ich nicht erkennen, wie viele Krater es dort gibt. Ich glaube nicht, dass wir zu dem Zeitpunkt etwas entscheiden können.

  338. England: Okay. Wir verstehen. (lange Pause)

  339. Young: Derartig helle Felsbrocken wie bei South Ray – am Rand dieses Kraters – habe ich sonst nirgendwo gesehen.

  340. England: Okay. Und, John, mit abnehmender Rotorgeschwindigkeit im Wasserabscheider gab es gleichzeitig einen Druckanstieg im Anzugkreislauf. Bestätigt uns bitte, dass die Schläuche richtig angeschlossen sind: Blau zu Blau und Rot zu Rot. (Pause) Ich meine die Anschlüsse an der Wand.

  341. Duke: Ah, Tony … Bestätigt. Blau zu Blau und Rot zu Rot.

  342. England: Okay.

  343. Duke: An der Wand. Jetzt sind sie draußen. Ich habe die blauen Schläuche abgezogen.

  344. England: Okay. Verstanden.

  345. Unterbrechung des Funkverkehrs.

  346. England: Über EVA-1NASAEVAExtravehicular Activity müsst ihr nicht weiter nachdenken, denn im Wesentlichen bleibt alles wie geplant. Höchstwahrscheinlich bekommt ihr ein paar neue Objekte für die UV‑Kamera, aber die geben wir euch jeweils zum entsprechenden Zeitpunkt. Und die Fernsehübertragung beim Aussteigen entfällt. Ihr schaltet die Kamera ein, wenn sie an der LCRUNASALCRULunar Communications Relay Unit angeschlossen ist. Ansonsten gibt es bis jetzt keine Änderungen. (Pause)

  347. Young: Verstanden, Tony.

  348. Unterbrechung des Funkverkehrs.

    Wie bei allen Missionen davor befand sich auf dem MESANASAMESAModular(ized) Equipment Stowage Assembly eine Fernsehkamera. Von dort aus hätte die Kamera zunächst übertragen, wie die Astronauten auf der Leiter absteigen. Danach sollte sie auf ein Stativ montiert und etwa 15 Meter Richtung Westen weggetragen werden, damit man in Houston das Ausladen des Fahrzeugs verfolgen konnte.

    Duke: Weil alles abgeschaltet war (um wegen der verspäteten Landung Strom zu sparen) verzichteten wir darauf. Fernsehbilder gab es erst, nachdem wir die Kamera auf dem Fahrzeug installiert hatten.

    Einzelheiten zu dieser Entscheidung erläutert Tony England bei .

  349. Duke: Okay, Tony. Ich habe die EVANASAEVAExtravehicular Activity‑Karten in der Hand. Es sind zwei Karten und eine Rückwegtabelle (SUR 2-1). Ist das korrekt? (Pause)

  350. England: Okay, wir sehen kurz nach. (lange Pause) Okay, Charlie. Unsere Unterlagen sagen dasselbe.

  351. Duke: Okay. Ich bin optimistisch und lasse die Karte für eine Erkundungstour zu Fuß in der Kabine.

  352. England: In Ordnung.

  353. Unterbrechung des Funkverkehrs.

    Jones: Haben Sie auch speziell für Erkundungstouren zu Fuß trainiert?

    Duke: Nein.

    Jones: Nur darüber gesprochen?

    Duke: Ja.

  354. Duke: Okay, Tony. Die ETBNASAETBEquipment Transfer Bag steht gepackt in meiner Ecke. (SUR 3-4)

  355. England: Ausgezeichnet. (lange Pause)

  356. Duke: Übrigens, im Training konnte ich die Tasche kaum anheben, und bei 1/6(g) reicht ein Finger. (Pause)

  357. England: Daraus schließe ich, ihr könnt auf dem Mond auch ein höheres Pensum schaffen.

  358. Duke: Ja, vielleicht.

  359. Unterbrechung des Funkverkehrs.

  360. Duke: Was macht das ECSNASAECSEnvironmental Control System, Tony?

  361. England: Im Augenblick funktioniert es einwandfrei.

  362. Unterbrechung des Funkverkehrs.

  363. Duke: Okay, Tony. Wir sind durch mit eurer Liste. Wir haben die Anzüge ausgezogen und auf die Triebwerksabdeckung gepackt, die Kabine ist eingerichtet, und ich denke, wir könnten jetzt etwas essen. Anschließend legen wir uns aufs Ohr. Okay?

  364. England: Okay. Allerdings gibt es einige Änderungen für die Checkliste, die ich gern durchgeben würde, wenn ihr bereit seid. Ich meine die Checkliste Oberfläche.

  365. Duke: Fang an.

  366. England: Okay. Die Besprechung mit Houston soll bei stattfinden. Die Uhr steht jetzt auf , wir sind also beinah pünktlich. Eure Pause zum Essen beginnt bei . PLSSNASAPLSSPortable Life Support System O2 H2O nachfüllen überspringen wir. Wasser nachfüllen überspringen wir (SUR 3-5). Weiter auf der nächsten Seite. Vor der Ruhepause beginnt bei , wobei wir das kurze Aufwecken des Computers überspringen, die erste Zeile des Abschnitts. (Pause) Die Ruhepause beginnt bei …

  367. Duke: Weiter.

  368. England: … Gut. Die Ruhepause beginnt bei (SUR 3-6). (Pause) Nummer , der nächste …

  369. Duke: Weiter.

  370. England: … der nächste Abschnitt beginnt bei , das ist Nach der Ruhepause. Und auch hier überspringen wir die Computereingaben weiter unten im sechsten Absatz des Abschnitts. Die Pause zum Essen beginnt bei (SUR 3-7) …

  371. Duke: Warte. Hey, nicht so schnell, Tony. Okay. Da sind wir, auf Seite 3-7 Nach der Ruhepause. Kann weitergehen.

  372. England: Verstanden. Nach der Ruhepause auf Seite 3-7, Nummer  – das heißt, meine Nummer  – beginnt bei . Ich wiederhole: Nach der Ruhepause. Im sechsten Absatz darunter stehen einige Computereingaben, PRONASAPROProceed, Verb 37 Eingabe und so weiter, die fallen weg. Die Pause zum Essen beginnt bei . Und die letzte Zeile in der Spalte, PLSSNASAPLSSPortable Life Support System‑Sauerstoff ergänzen, streichen wir. (Pause) Okay. Bei Planung EVA-2NASAEVAExtravehicular Activity mit Houston überspringen wir alles (SUR 3-7). Weiter mit Anzüge anziehen auf der nächsten Seite, 3-8. (Pause) Das passiert bei . (Pause) Okay. Am Ende der Seite …

  373. Duke: Ist notiert.

  374. England: … Okay. Am Ende der Seite blättern wir zurück auf Seite 2-5. (Pause)

  375. Duke: Okay.

  376. England: Okay. Die Vorbereitung auf EVA-1NASAEVAExtravehicular Activity beginnt bei (SUR 2-5). Von da an geht es normal weiter. (Pause)

  377. Duke: Okay. Auf 2-5, welche Zeit sagtest du?

  378. England: .

  379. Duke: Okay, notiert. Lass mich alles noch mal durchgehen. Ah … (Pause) Okay. Wir haben die Anzüge ausgezogen. Als nächstes kommt Nummer 2 Besprechung mit Houston. Nummer 3 ist die Pause zum Essen …

  380. England: Okay, Charlie.

  381. Duke: … Umblättern. Nummer 4 … (hört Tony) Kommen.

  382. Die im Folgenden relevanten Seiten der Checkliste für die Oberfläche sind:

    1. SUR 3-4
    2. SUR 3-5
    3. SUR 3-6
    4. SUR 3-7
    5. SUR 3-8
    6. SUR 2-5
  383. England: Okay. Damit es bei der Nummerierung keine Missverständnisse gibt. Besprechung mit Houston ist Nummer , Pause zum Essen ist Nummer . Aber deine Reihenfolge stimmte. Vor der Ruhepause ist Nummer und so weiter.

  384. Duke: Okay. Vor der Ruhepause ist , (lebhaft) dann weckt ihr uns und wir sind bei Nach der Ruhepause! Das wäre Nummer .

  385. England: Verstanden. Ruhepause ist Nummer .

  386. Duke: Und wir haben eine … (hört Tony) Ah, okay. Ruhepause ist . Alles klar. Also ist Nach der Ruhepause Nummer ?

  387. England: Bestätigt.

  388. Duke: Wir überspringen die Aktivierung des Computers, Nummer ist die Pause zum Essen. Wir streichen PLSSNASAPLSSPortable Life Support System‑Sauerstoff ergänzen, blättern um und überspringen … Moment, wir überspringen Planung EVA-2NASAEVAExtravehicular Activity mit Houston, blättern um und sind bei Anzüge anziehen.

  389. England: Richtig. Das ist Nummer .

  390. Duke: Das ist Nummer . (Pause) Okay. Dann blättern wir zurück auf (SUR) 2-5 und haben wieder die normale Reihenfolge.

  391. England: Richtig. Und auf (SUR) 2-5 ist Nummer .

  392. Duke: Verstanden.

  393. England: Okay. Guten Appetit.

  394. Technische Nachbesprechung am

    Duke:Es gab einige Änderungen, weil wir später gelandet sind. Um Strom zu sparen, wurde (unter anderem) die Wechselstromversorgung abgeschaltet und der Unterbrecher LGCNASALGCLunar Module Guidance Computer/DSKYNASADSKYDisplay and Keyboard gezogen (Paneel 11). Alles funktionierte einwandfrei. Die Vorgehensweise schien mir gut durchdacht zu sein. Wir schrieben die einzelnen Schritte in die Checkliste, richteten uns danach und hatten keine Probleme.