Apollo Lunar Surface Journal Banner

 

Apollo Oxygen Purge System (OPS)

for the Portable Life Support System (PLSS)
& Extravehicular Mobility Unit (EMU)


By Karl Dodenhoff

 


Above: NASA photo S69-38496
Apollo OPS unit used by Edwin Aldrin on Apollo 11.  In front of the OPS is the RCU.
These two units, along with the PLSS, comprised the life support system used on all of the Apollo program lunar surface EVAs.

 
Description
From:  CSD-A-789-(1) REV V
Apollo Operations Handbook Extravehicular Mobility Unit, March 1971
Volume 1 – System Description
Pages 2-106 thru 2-110

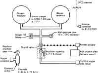
The OPS (fig. 2-44, below) supplies the EMU with oxygen purge flow and pressure control for certain failure modes of the PLSS or PGA during EVA. In the event of a PLSS failure, the OPS flow is regulated to 3.7 +/- 0.3 psid for 30 minutes to provide breathing oxygen to the crewman, to prevent excessive carbon dioxide buildup, and to provide limited cooling. In this mode, the crewman sets his purge valve in the high-flow position (8.1 pounds per hour).   In a second mode, the OPS may be used to provide make-up flow to the PLSS oxygen ventilating circuit via the PGA at flow rates of 0.07 to 2.0 pounds per hour.  Finally, the OPS can be used in conjunction with the BSLSS to provide a 1.25-hour supply of purge flow for a crewman with a failed PLSS. For this mode, the crewman sets his purge valve in the low-flow position (4.0 Ib of 02 per hour).  In the lunar EVA configuration, the OPS is mounted on top of the PLSS. For normal EV activity from the command module, the OPS is worn in the helmet-mounted mode as shown in figure 2-45. During contingency EV transfer from the lunar module, however, the OPS is attached by straps to the lower front torso of the PGA (figure 1-46).


The 2 OPS for Apollo 11 stowed inside Eagle
Note stowed antennae and crewmen's name tags
(CDR in RED, LMP in black)

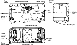
A schematic representation of the OPS is shown in figure 2-47.  The OPS consists of two interconnected, spherical, high pressure oxygen bottles (total of 5°1 pounds of usable oxygen at 5880 +/- 80 psia and 70 ° F), a pressure regulator assembly, a fill fitting, a high-pressure gage, a delta-pressure gage, a suit connector and hose, a suit connector stowage plate, a shutoff valve, and an actuator cable and handle. The OPS has no communications capability, but provides the hard mount for the PLSS antenna. The OPS used for Apollo 15 and subsequent missions differs from the OPS used on Apollo 14 in that attachment points for the PLSS harnesses have been moved to permit helmet mounting. Also the oxygen outlet temperature control capability incorporated in the OPS for all missions through Apollo 13 has been deleted. Thus the heater, control
circuitry, terminal board, temperature sensor, power switch, and battery have been removed, as shown in figure 2-2.  The OPS is not rechargeable during a mission. The high pressure gage is used to monitor bottle pressure during ground charge and during preoperational checkout.


Detail from NASA photo 71-HC-731
The blue arrow shows the OPS Actuator cable
The red arrow shows the Oxygen Umbilical
The yellow arrow shows the OPS Actuator
attached to the side of the RCU



Diagrams

OPS diagram 2-44 Fig. 2-44
Excellent diagram of the OPS
OPS figure
                  2-47
Fig. 2-47
Schematic
HS
                  blueprint
Hamilton Standard blueprint 
of the OPS general 
configuration
OPS figure 2-2-1
Figure 2-2-1
Primary parts

of the OPS
OPS Figure 2-2
Fig. 2-2
Same as previous, with parts that 
were removed   for the latter 
Apollo missions identified
PLSS/OPS drawn from the back
General 
configuration 
of PLSS/OPS
OPS subsystems
Some sub-systems 
of the OPS
OPS figure
                  1-46
Fig. 1-46
Normal and contingency 
configurations for 
the OPS
OPS Figure
                  2-45
Fig. 2-45
OPS in helmet mounted 
configuration as used 
by CMP during 
SIM Bay EVA


 OPS Photos
by David Jackson

OPS back
Probably the "familiar face" of the OPS to most people, as seen in so many lunar EVA photographs. This is the "back", the side facing away from the crewmen, with the white Beta cloth thermal covering
OPS top from the rear
Top face of the OPS, from the rear.  Note the various flaps. The triangular flap was most often photographed open.  It was used to cover the OPS Pressure Gage and to help keep the antenna folded down when it was stowed.  This OPS came with no antenna  or tags on the thermal cover.  Compare to photo above
OPS top surface
Top face of the OPS, from the front - the side facing the crewmen. Note the velcro patches, and the small, vertical opening in the thermal  cover right of center on the front face.  This is where  the Heater Test Light was located on the G and H-Series OPS.  Compare to photo of the stowed A11 OPSs
top, showing pressure guage
Excellent photo showing the top face of the OPS, from the rear, with the triangular flap open to reveal the OPS Pressure Gage and Actuator in it's stowed configuration.
OPS from left
                  rear
Three quarter view from the rear, showing the round Locking Pin that anchored the OPS firmly to the top of the PLSS
OPS bottom
Bottom view with the white Beta cloth thermal covering, showing the 4 mounting feet (one of which is badly damaged)
OPS bottom
Bottom view with the white Beta cloth thermal covering open, showing the serial number for the thermal covering and the working end of the Locking Pin (red arrow)
OPS bottom
Bottom view with the white Beta cloth thermal covering open, showing the Structural Plate at center.
OPS bottom
Bottom view with the white Beta cloth thermal covering open, showing the Structural Plate at the left. The Regulator Checkout Pressure Gage is marked with a red arrow, and the main OPS Oxygen Connector is marked with a yellow arrow.
OPS front
Front view showing the Regulator Checkout Pressure Gage (center) and blue OPS Oxygen Connector at right, which is attached to the Oxygen Connector Stowage Plate. 
OPS w/o thermal
Rear view of the OPS with thermal covering removed.  The blue shell is made of fiberglass.  You can clearly see the Locking Pin, Pressure Gage, and Actuator. The yellow arrow shows the opening where the comm antenna was connected to the OPS.
OPS w/o thermal
Side view showing oval opening where the main OPS Oxygen umbilical and Actuator cable emerged. The indentation in the shell formed a pathway for the umbilical and actuator cable to be wrapped around and over the top of the OPS when it was stowed.  You can see this in the photo at the top of the page
OPS w/o thermal
Opposite side from picture to the left, showing the clip that was attached to be used with the OPS in case it needed to be used in the helmet-mounted position. Also note the Regulator Checkout Pressure Gage and the blue OPS Oxygen Connector at right, which is attached to the Oxygen Connector Stowage Plate.



Detail Photos

OPS
                  Helmet Mounting Clip
Helmet mounting clip
Locking pin
Locking Pin
OPS pressure gauge
Pressure gage
OPS
                  Regulator Checkout Pressure Gauge
Regulator Checkout 
Pressure Gage


 
OPS Actuator & RCU
RCU diagram showing 
OPS actuator mounted 
on the side
Museum RCU 
with OPS actuator
Detail from photo above showing the 
Actuator assembly in its' stowed 
position on the top of the OPS


 
Antenna and Flaps: Charlie Duke's Training Unit

Photos courtesy K.C. Groneman and D.B. Eppler, NASA Johnson

Front view with antenna 
erect. Small flap open; 
hinged at the front.
Front view with antenna erect 
and all flaps open. Antenna tip 
fits under fabric loop on the left.
Antenna folded down and 
secured under loop. Left flap 
closed; hinged at front.
Same configuration. 
Antenna tip visible at left.
Right flap closed; hinged at the 
back. Small flap not closed; 
but probably should be.


 

Journal Main Page