Sec. 2.5.1, Cayley Plains (North Ray, South Ray), Sec. 2.5.2, South Descartes Mountains (Stone Mountain), Sec. 2.5.3, North Descartes Mountains (Smokey Mountains)
( 176k )
Figure 2.5-4, Geologic Units in the Descartes Landing Area
( 156k )
Sec. 2.5.4, Subdued Craters and Crater Chains
( 117k )
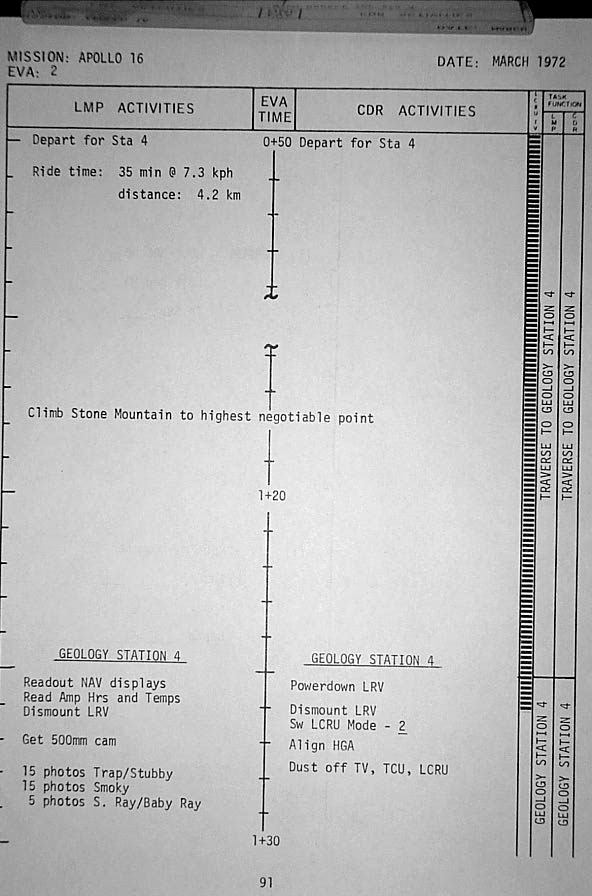
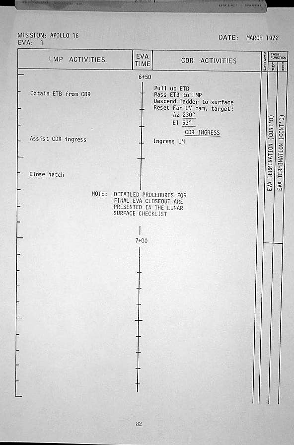
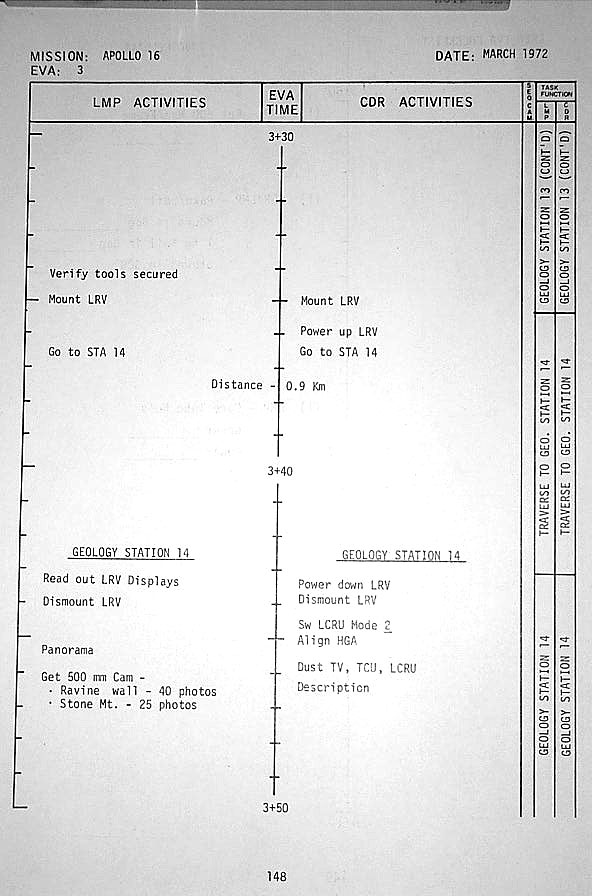
Sec. 2.6, Lunar Surface Activity for 73-Hour Stay
( 98k )
Un-numbered figure, Apollo 16 Lunar Surface Activity Summary Timeline for 73-Hour Stay (1.4 Mb)
Table 2.6-1, Loose Equipment Left on Lunar Surface
(117k)
Figure 3.6.2-4 EVA-1+3 1:25,000 Contour Map
( 612k or 2491k ) Journal contributor Danny Caes notes that, at the top of the map, the label "Stone Mtn" should read " Smoky Mountain"
5.2.3 (continued): SEQ Bay, PLSS Battery; 5.2.4 Equipment Operation Constraints: Still Camera (Hasselblad), Sequence (Data Acquisition) Camera, Color Television Camera
( 148k )