14.0 ANOMALY SUMMARY
This section contains a discussion of the significant anomalies that
occurred during the Apollo 15 mission. The discussion is divided into six
major areas: command and service modules; lunar module; scientific instrument
module experiments; Apollo lunar surface experiments package and associated
equipment; government-furnished equipment; and the lunar roving vehicle.
14.1 COMMAND AND SERVICE MODULES
14.1.1 Service Module Reaction Control System Propellant Isolation Valves Closed
During postinsertion checks, the quad B secondary isolation valve
talkback indicated that the valve was closed, and the switch was cycled
to open it. Subsequently, talkbacks indicated that both the primary and
secondary valves for quad D were also closed, and these valves were
reopened. At S-IVB separation (approximately 3 hours 22 minutes), all the
aforementioned valves closed and were reopened. Upon jettisoning of the
scientific instrument module door, the quad B secondary valve closed and
was reopened.
This type of valve (a magnetic latching valve, shown in
fig. 14-1)
has, in previous missions, closed as a result of pyrotechnic shocks. Ground
tests have shown that the valve will close at a shock level of
approximately 80g sustained for 8 to 10 milliseconds. There were no
indications of shock levels of the magnitude required to close the valve
during launch.
Testing has shown that if a reversed voltage of 28 volts is applied to
the valve, the latching voltage will drop to a point where the valve will no
longer remain latched (magnet completely degaussed). In addition, at lower
voltages with reversed polarity, the magnet would become partially degaussed.
During acceptance testing of one valve for command and service module 117,
the latching voltage had changed from approximately 13 volts to 3 volts.
Additional testing of the spacecraft 117 valve verified the low voltage
condition. Additionally, the valve stroke was proper, thereby eliminating
contamination as a possible cause of the problem. During the test, the valve
was disconnected from spacecraft power (28 volts) and was being supplied power
through a variable power supply (approximately 20 volts, maximum, applied to
the valve). The valve was most likely subjected to a reversed polarity at a
voltage level which would partially degauss the magnet. This
may have been the cause of the valve closures during Apollo 15 launch phase.
A magnetic latching force test was not performed on the valves after
assembly into the system for the Apollo 15 command and service module, as
on some previous spacecraft. A test will be performed on subsequent assemblies
to verify that the valve latching forces are acceptable.
This anomaly is closed.
14.1.2 Water Panel Chlorine Injection Port Leakage
Minor leakage was noted from the chlorination injection port when the
cap was removed to perform the prelaunch water chlorination. The cap was
reinstalled and the leak ceased. A leak of approximately 1 quart in 20
minutes also was noted at the chlorine injection port as the crew removed
the injection port cap for the third injection at about 61 hours. The
crew tightened the septum retention insert
(
fig. 14-2) and satisfactorily
stopped the leakage. Leakage recurred at about 204 1/2 hours and was corrected.
Postflight inspection and dimensional checks of the injection port
assembly showed that all components were within established tolerances.
However, when the insert was tightened in accordance with the drawing
requirements, the resulting septum compression was apparently insufficient
to prevent the insert from loosening as a result of "O-ring drag" when the
cap was removed. This allowed water leakage past the relaxed septums.
For future spacecraft, a shim will be installed under the insert
shoulder to control the septum compression while allowing the
installation torque to be increased to a range of 48 to 50 in-lb and,
thus, preclude insert backout.
This anomaly is closed.
14.1.3 Service Propulsion System Thrust Light On Entry Monitor System
The service propulsion system thrust light located on the entry
monitor system panel was illuminated shortly after transposition and docking
with no engine firing command present. This light indicated the presence of
a short to ground in the service propulsion system ignition circuitry.
Ignition would have occurred if the engine had been armed.
The short was isolated to the system A delta-V thrust switch which was
found to be intermittently shorted to ground
(
fig. 14-3).
A test firing performed at 28:40:22 verified that the short existed on the ground side
of the service propulsion system pilot valve solenoids.
The delta-V thrust switch
(
fig. 14-4)
was shorted to ground both
before and after removal of panel 1 from the command module during
postflight testing. After a change in panel position, the short-to-ground
disappeared. The switch was then removed from the panel and X-rayed. The X-
rays showed a wire strand extending from the braid strap which was thought
to have caused the grounding problem. After switch dissection, an internal
inspection verified that a strand extended from the braid strap; however,
it did not appear to be long enough to cause a ground at any point within
the switch(fig. 14-4).
The bracket assemblies (pivot brackets, pigtail
braids, and movable contacts) and the plastic liner were removed from the
switch. Microscopic examination revealed that a wire strand (approximately
0.055 inch long) was present on the flange on terminal 2 (fig. 14-5). The
strand appeared to be attached, but was later moved quite easily.
The bottom of the plastic case liner was examined, and showed no
evidence of a scratch or deformation conforming to the shape of the wire
strand. A sample wire strand was placed on a feed-through flange of a scrap
switch unit, and the plastic case liner was pressed on as would occur during
normal switch assembly. When the scrap switch was disassembled an
indentation in the plastic case liner was readily apparent. This test
indicated that the strand could not have been trapped between the case
liner and the flange surface; therefore, it is postulated that it might
have been enclosed in the cavity of feed-through terminal 2
(
fig. 14-5).
The maximum clearance between the interior of the feed-through terminal
wall and the terminal itself is 0.040 inch. A 0.055-inch-long wire strand
could easily have bridged this distance, and yet is short enough to move
quite freely within the feed-through terminal cavity. In fact, the strand
subsequently fell into the cavity. Examination of the strand and cavity
wall showed evidence of arcing. The strand could not be detected on the
X-rays because that area was obscured by other poles in the switch.
Most of the switches on Apollo 16 and 17 spacecraft (3000 or 4000 series)
required for crew safety or mission success were screened according to
the following procedures.
a. Additional inspection points were employed during manufacturing.
b. The switches were X-rayed prior to acceptance testing.
c. The acceptance vibration test was 3-axis random (4000 series) or
single-axis sinusoidal (3000 series) test.
d. The switches were X-rayed after acceptance testing.
The following switches for Apollo 16 were of an earlier series and
have been replaced with 4000 series switches:
a. Up telemetry data/back-up voice
b. VHF ranging
c. Battery charger
d. Thrust vector control servo power
e. Postlanding ventilation
f .Crew optical alignment sight power
g. Optics power
h. Inertial measurement unit power
i. Rendezvous radar transponder power
Switches required for crew safety and mission success for Apollo 17
which had not been screened according to the aforementioned procedures
will also be replaced. In addition, two science utility power
switches are to be disabled
and stowed, and two circuit breakers are to be added to provide series
protection for the command and service module/lunar module final
separation function.
This anomaly is closed.
14.1.4 Integral Lighting Circuit Breaker Opened
The a-c bus 2 and the d-c bus B under-voltage alarms occurred and,
subsequently, the integral lighting circuit breaker opened.
A short circuit sufficient to cause the circuit breaker to open would
also cause the alarms. As a result of the problem, some display keyboard
lights, the entry monitor system scroll lighting, and various other
backlighting were not used for the remainder of the mission.
Postflight testing of the vehicle disclosed that the short circuit
was in the mission timer. The timer was removed from the vehicle and
returned to the vendor for further analysis. Teardown analysis revealed
a shorted input filter capacitor.
The capacitor is rated for 200-volt d-c applications and is being
used in an a-c application at voltages up to 115 volts. Since the
dielectric in the ceramic capacitor is a piezolectric material
(barium titanate), the 400-cycle a-c voltage actually causes the materials in the
capacitor to mechanically vibrate at that frequency. Over a period of
time, the unit could break down because of mechanical fatigue. This may
have been the cause of failure of this capacitor.
There are two mission timers on the command module and one on the
lunar module. The unit on the lunar module is separately fused. Fuses
will be added to the units in the Apollo 16 and 17 command modules.
Appropriate action will be taken to correct the timer design and an inline
change will be made on both the command module and lunar module.
This anomaly is closed.
14-1.5 Battery Relay Bus Measurement Anomaly
At approximately 81-1/2 hours, the battery relay bus voltage telemetry
measurement read 13.66
volts instead of the nominal 32 volts, as evidenced by battery bus
voltage measurements.
The crew verified that the
same low voltage reading was present on the panel 101 systems test meter.
When the crew moved the systems test meter switch, the reading returned
to normal.
Postflight testing of the vehicle and all of the involved components
revealed no anomalous condition which could have caused the problem but
did isolate the problem to the instrumentation circuitry and verify that
the functional operation of the bus was not impaired. Analysis indicates
that the only way to duplicate the flight problem would be to connect a
resistance of 2800 ohms from ground to the battery relay bus measurement
circuit
(
fig. 14-6).
No resistance near this magnitude was measured during
postflight testing. The most probable cause of the anomaly was that insulation
resistance at the output terminal of the switch was lowered because of humidity.
This is the only time that a problem of this type has occurred during the Apollo Program
and the probability of recurrence is considered
to be very low. If the problem does occur again, other measurements are
available for the determination of the battery relay bus voltage.
This anomaly is closed.
14.1.6 Mass Spectrometer Boom Talkback Indicated Half-Barberpole On Retract
The mass spectrometer boom did not fully retract on five of twelve
occasions. Data analysis, supported by the crew debriefing, indicates
that the boom probably retracted to within about 1 inch of full retraction.
Cold soaking of the deployed boom and/or cable harness preceded each
anomalous retraction.
In each case, the boom retracted fully after warmup.
The deploy/retract talkback indicator is normally gray when off, when
the boom is fully retracted, or when it is fully extended. The indicator
is barberpole when the boom is extending or retracting, and will show half
barberpole if the drive motor stalls. The crew noted this last condition
on the incomplete retractions.
An inflight test of the Apollo 15 boom indicated that the problem was
a function of temperature. Testing and examination of the Apollo 16 spacecraft showed
that the failure was possibly caused by pinching of the cable
harness during the last several inches of boom retraction. The cable could
have been pinched between the bell housing and rear H-frame bearing
(
figure 14-7),
or a cable harness loop was jammed by a boom alignment finger
against the bell housing
(
fig. 14-8).
The mass spectrometer boom mechanism was qualified by similarity to
the gamma ray boom mechanism. There are significant differences between
the two designs and they are:
a. When extended, the mass spectrometer boom is 1 foot 10 inches
shorter than the gamma ray spectrometer boom.
b. The mass spectrometer cable harness contains 6 more wires and,
therefore, is larger in cross section than the gamma ray spectrometer
cable. In addition, the harness coil diameter on the mass spectrometer
is 1/2 inch larger (6.7 inches compared to 6.2 inches).
c. The mass spectrometer cable harness terminates with an in-line
connector; whereas, the gamma ray spectrometer harness terminates with
a 90-degree connector.
d. The mass spectrometer rear H-frame bearings retract past the lip
of the bell housing; whereas, the retracted bearing position for the gamma
ray experiment boom is even with the bell housing lip. Therefore, the
lip on the sides of the mass spectrometer bell housing is relieved about
1/2 inch for bearing clearance.
The differences between the two configurations are now considered to
be significant enough to have required separate testing for the mass
spectrometer boom assembly. Accordingly, a delta qualification test will
be instituted and a thermal vacuum environmental acceptance test will be
performed on each flight unit.
Additional failure modes revealed during the testing of the Apollo 16
unit are:
a. Insufficient clearance between the spectrometer rear H-frame
bearings and the boom housing bearings in relation to the rail support bean
shim retainers. This could have been significant on Apollo 15, had a jettison
been attempted.
b. Misalignment between the right-hand guide rail forward floating
section and the rigid rear section.
If the boom does not retract to within approximately 12 inches of
full retraction, it will be jettisoned prior to the next service
propulsion system firing. Tests have shown that the boom will not buckle
during a service propulsion system firing when retracted to within 14.5
inches of full retraction.
Corrective actions for Apollo 16 are as follows:
a. A thermal vacuum test will be added to the acceptance test
requirements.
b. The brackets supporting the service loop at the experiment end
of the cable harness will be redesigned.
c. The existing finger guides will be extended.
d. The bell mouth housing will be extended.
e. Lead-in ramps will be added to the inboard bearing housings.
f. Rail support beam shim retainer movement will be corrected by
using anti-roll pins in place of shim retainers.
g. A proximity switch modification kit will be installed to show
when the boom has reached to within about 1 foot of full retraction.
This anomaly is closed.
14-1.7 Potable Water Tank Failure To Refill
The potable water tank quantity began to decrease during meal
preparation at approximately 277 hours and failed to refill for the
remainder of the flight. The waste water tank continued to fill normally and,
apparently, accepted fuel cell water for this period. A similar occurrence
had been noted earlier, at 13 1/2 hours, when the potable tank quantity
decreased as the crew used the water, and remained constant until a waste
water dump was performed at 28 1/2 hours. This decrease had been attributed
to a closed potable tank inlet valve until the crew verified in their
debriefing that the valve had been open during this time. The amount of
water drained from the tank verified that the tank instrumentation was
reading correctly.
During a postflight fill operation, with the waste tank inlet valve
closed, and water introduced at the hydrogen separator, both the potable
and waste water tanks filled.
The check valve between the fuel cell and waste tank dump leg (figure 14-9)
was tested and found to leak excessively. A tear-down analysis of the
check valve was performed and a piece of 300-series stainless steel wire
(approximately 0.0085 by 0.14 inch) was found between the umbrella and the
seating surface
(
fig. 14-9).
This contaminant could cause the umbrella to leak
and yet move around sufficiently to allow adequate seating at other times.
The wire most probably came from a welder's cleaning brush and was
introduced into the system during buildup. Safety wires and tag wires are of
a larger diameter than the one found. The check valve at the potable water
tank inlet is of a different configuration and is spring loaded closed. The
1-psi pressure required to open this valve is a large pressure drop compared
to the other components at the low flow of 1-1/2 lb/hour, and would,
therefore, cause the water to flow to the waste tank.
The potable water tank inlet check valve was found to be contaminated
with aluminum hydroxide, a corrosion product, of aluminum and the buffer. The
potable water tank inlet nozzle was clean and free of corrosion. The check
valve corrosion is not believed to have caused the problem, but could have
contributed by increasing the crack pressure of the valve.
No corrective action is considered necessary since the contamination
is considered to be an isolated case. If the problem should recur, the
potable tank will start to fill when the waste tank is full.
This anomaly is closed.
14.1.8 Mission Timer Stopped
The panel 2 mission timer stopped at 124:47:37. Several attempts to
start the clock by cycling the start /stop/reset switch from the stop to the
start position failed
(
fig. 14-10). The timer was reset to 124:59:00 using
the hours, minutes, and seconds switches, and the timer again failed to start
when the switch was cycled. The switch was then placed in the
reset position. The timer reset to all zeros and started to count when
the switch was placed in the start position. The timer was then set to
the proper mission time using the hours, minutes, and seconds switches
and operated properly for the remainder of the mission.
The timer and all associated equipment were still operating properly
after the flight. Thermal, vacuum, and acceptance tests were performed
and the cause of the failure could not be determined. Circuit analysis
showed that the problem could be caused by one of five integrated circuits
on the mounting board circuitry. These suspect components were removed
and tested with negative results.
The failure was most probably caused by an intermittent problem within a
component which later cured itself. If the problem occurs on a future mission
and the timer will not restart, mission time can be obtained from the other
timer in the command module, or from mission control. The
failure would be a nuisance to the crew.
This anomaly is closed.
14.1.9 Main Parachute Collapse
One of the three main parachutes was deflated to approximately
one fifth of its full diameter at about 6000 feet altitude. The command
module descended in this configuration to landing. All three parachutes
were disconnected and one good main parachute was recovered. Photographs of
the descending spacecraft indicate that two or three of the six riser legs
on the failed parachute were missing
(
fig. 14-11).
Three areas that were considered as possible causes are:
a. The forward heat shield, which was in close proximity to the
spacecraft flight path.
b. A broken riser/suspension line connector link which was found on
the recovered parachute
(
fig. 14-12).
c. The command module reaction control system propellant firing and
fuel dump.
Onboard and photographic data indicate that the forward heat shield -
was about 720 feet below the spacecraft at the time of the failure. The
failed link on the recovered parachute implies the possibility of a similar
occurrence on the failed parachute. Based on parachute tow tests, however,
more than one link would have had to fail to duplicate the flight problem.
The two possible causes have been identified as hydrogen embrittlement or
stress corrosion.
The command module reaction control system depletion firing was
considered as a possible candidate because of the known susceptibility of the
parachute material (nylon) to damage from the oxidizer. Also because the
oxidizer depletion occurred about 3 seconds prior to the anomaly, and fuel
was being expelled at the time the anomaly occurred
(
fig. 14-13).
Further,
the orientation of the main parachutes over the command module placed the
failed parachute in close proximity to the reaction control system roll
engines. Testing of a command module reaction control system engine
simulating the fuel (monomethyl hydrazine) dump mode through a hot engine
resulted in the fuel burning profusely; therefore, the fuel dump is
considered to be the most likely cause of the anomaly.
In order to eliminate critical processing operations from manufacture
of the connector links, the material was changed from 4130 to Inconel 718.
Based on the low probability of contact and the minimum damage anticipated
should contact occur, no corrective action will be implemented for the forward
heat shield. Corrective actions for the reaction control system
include landing with the propellants onboard for a normal landing, and
biasing the propellant load to provide a slight excess of oxidizer. Thus,
for low altitude abort land landing case, burning the propellants while on
the parachutes will subject the parachutes to some acceptable oxidizer
damage but, will eliminate the dangerous fuel burning condition. In addition,
the time delay which inhibits the rapid propellant dump may be changed from
42 to 61 seconds. This could provide more assurance that the propellant will
not have to be burned through the reaction control system engines in the
event of a land landing. A detailed discussion of all analyses and tests is
contained in a separate anomaly report (reference 7).
This anomaly is open.
14.1.10 Data Recorder Tape Deterioration
At about 240 hours, after over 100 tape dumps had been completed, the
ground was unable to recover the data contained on about the first 20 feet
of tape. To alleviate the problem, that portion of the tape was not used
again.
An electrical and physical examination of the flight tape was
conducted. Observation of the bi-phase output of the 51.2 kilobit pulse code
modulated output from the playback showed a complete deterioration of the
waveform for the first 20 seconds (12-1/2 feet), together with numerous
complete dropouts. After 20 seconds, the bi-phase signal gradually improved
to the point where, at 30 seconds, the signal appeared normal. The 64
kilobit pulse code modulated output was similarly affected to a lesser
degree.
The first 30 feet of tape was scanned under magnifications ranging from
50X to 400X. Under 50X magnification, a distinct pattern of embedded
particles could be observed
(
fig. 14-14).
The deposits were quite heavy over
the first 12 feet of tape, and gradually tapered out so that, at 20 feet,
very few particles could be observed. Under 400X magnification, individual
flakes of deposited material were observed. The portion of figure 14-14 at
400X magnification shows a typical cluster of particles on the beginning
portions of the tape.
A 10-foot leader coated with a silver oxide compound is spliced to the
beginning and end of the magnetic tape roll to activate the end-of-reel
sensors on the tape transport. There has been a history of this material
flaking off and affecting tape performance. Tape screening procedures were
implemented by the manufacturer in 1968 to eliminate this problem. No
further problems were encountered until Apollo 15. The recording method for
Apollo 14 and previous missions was considerably different than that for
the Apollo 15 mission. Bit packing densities for the Apollo 15 mission tape
approach 9000 bits per inch while those for the previous missions were only
800 bits per inch. Abnormalities in the tape would have considerably more
effect with the higher packing density. The utilization of the Apollo 15
mission recorder is also considerably higher, allowing more time for
deposits to build up.
An acceptance test (except for environmental verification) with a new
tape was conducted on the flight recorder and all parameters were within
specification with little change in absolute values from the pre-delivery
test.
Inspection on the magnetic heads under 20X magnification disclosed four
scratches, one of which is shown in
figure 14-15.
An overlay was made of the
scratches with respect to the accumulation of silver oxide on the tape; two
of the four scratches aligned perfectly with the silver oxide accumulation.
The scratches must have scraped loose the silver oxide on the leader.
Operation of the recorder would then distribute the silver oxide particles
along the tape. During the manufacture of the Apollo 16 recorder, it was
discovered that the heads were being scratched by handling. The Apollo 15
recorder heads were probably also scratched during manufacture. The
scratches would not have been detected during acceptance inspection since
they are not visible at the 7X magnification used during that inspection.
Removable head covers have been provided to protect the heads from
handling damage when the recorder covers are not installed. These covers
have been used since early in the buildup cycle of the Apollo 16 and 17 data
recorders. The recorder heads have been examined under 20X magnification and
no scratches were found.
This anomaly is closed.
14.1.3-1 Digital Event Timer Obscured
The seconds digit of the digital event timer, located on panel 1,
became obscured by a powder-like substance that formed on the inside of
the glass. Postflight analysis of the unit disclosed that the substance
on the window was paint which had been scraped from the number wheel by
the idler gear. The idler gear is free to rotate on the shaft
(
fig. 14-16);
however, the
design allows the stainless-steel shaft to also rotate. The stainless steel
shaft bearing points are in the magnesium motor plate and the shaft rotation
wears away the softer magnesium material.
Inspection of the unit showed that the magnesium bearing points had
been elongated as shown in figure 14-17. Torque from the stepping motor
applied to the idler gear not only resulted in rotation of the shaft but
also caused the shaft to tilt
(
fig. 14-17).
The wearing eventually allowed
the shaft to tilt sufficiently to cause the gear to rub against the
number wheel. 'When the timer counted down, the motor torque threw the
gear teeth into the front edge of the counter wheel. Testing indicates
that this bearing hole elongation occurs after approximately 500 hours
running time (specification life is 1400 hours).
A review of the history of the unit shows that it was built in 1966.
Prior to installation in Apollo 15, the unit was modified because of
failures on other timers. Brass shims (fig. 14-17) were installed to
prevent the idler gear from rubbing on the number wheel.
The analysis of those failures revealed that the idler gear was rubbing
paint off the number wheel and paint particles prevented the slip rings and
brushes from making good contact. A review of drawing tolerances showed that
an interference could occur and the addition of the shims appeared to be
adequate corrective action. These failure analyses did not reveal the
problem of the elongation of the bearing points since it is not obvious
until the timers are disassembled.
Units for future flights will be visually inspected by looking
through the window for paint flakes and signs of wear.
This anomaly is closed.
14.1.12 Crew Restraint Harness Came Apart
The restraint harness on the right side of both the center and right
crew couches came apart during lunar orbit. The assemblies had become
unscrewed, but the crew was able to retrieve all the parts except one cap
and reassemble the harnesses satisfactorily for landing. The mating plug
for the missing cap was held in place with tape.
The plug-and-cap assembly
(
fig. 14-18),
which is part of the universal
assembly that attaches the restraint harness to the couch seatpan, separated.
(There are a total of six plug-and-cap assemblies on the crew couch, two per
man.) The plug component (bolt) has a nylon insert in the threaded portion
that acts as a locking device. Back-and-forth rotation of the adjuster link
can cause the plug-and-cap assembly to unscrew from each other. Checks on the
four other Apollo 15 assemblies showed zero torque on two of the units and
minimum specification value (2.0 in-lb) on the others. The loss of torque is
apparently due to cold flow of the plastic self-locking pellet, causing a
loss of friction against the mating threads.
A thread locking sealant will be used to prevent the problem on
future missions.
This anomaly is closed.
14.1-13 Loose Object In Cabin Fans
During portions of the flight when the cabin fans (fig. 14-19) were
activated, the crew heard sounds like an object striking the blades.
Cycling the fans several times allowed the object to be retained in a
position that precluded it from interfering with fan operation.
Inspection of the fans revealed considerable gouging on the leading
edges of the blades of both fans
(
fig. 14-19). No marks were found on the
outlet de-swirl vanes of either fan. After extensive examination, including
the lunar dust filter, a 1/4-inch washer was found in the ducting.
Although the fan inlet is protected by screens in addition to the heat
exchanger core, the outlet is relatively open and the washer could have
drifted in and out when the fans were not operating. The outlet was
protected only during the limited time when the lunar dust filter was
installed. The washer could also have been left in the duct during assembly.
No hardware changes are contemplated. Should the anomaly occur on a
subsequent flight, no detrimental effects would result.
This anomaly is closed.
14.1.14 Scanning Telescope Visibility
The crew reported that excessive attenuation of light through the
scanning telescope existed throughout the flight. The telescope was
adequate to perform landmark tracking while in lunar orbit, but the crew
was unable to identify constellations, even though large numbers of stars
could be seen by looking out the spacecraft window.
Visual observations through the telescope
(
fig. 14-20) were made at
the spacecraft manufacturer's facility, and no degradation could be
observed. A luminescent transmittance test was performed on the telescope
before removal from the spacecraft and transmittance was calculated to be
25 percent. This compares with an acceptance test value of 55 percent. The
decrease is due to the entry environment and sea water contamination. The
30-percent decrease agrees well with the expected results and is not
significant as far as being able to see and recognize constellations is
concerned. For comparison, the earth's atmosphere normally causes a
50 percent loss in star intensity; therefore, observing stars from earth
with a telescope with a 50-percent transmittance would be equivalent to
observing stars from a spacecraft in flight using a telescope with a 25-
percent transmittance.
The flight anomaly was reproduced in the laboratory by placing the
optical unit assembly, the removable eye piece, and the optics panel in a
chamber wherein the environmental conditions that existed in the cabin
during flight were duplicated. Condensation on the eyepiece window and, to
a lesser extent, on the prisms in the removable eyepiece caused the
transmittance to decrease to about 4 percent.
A heater will be added to the removable eyepiece to prevent fogging
in the eyepiece assembly and on the eyepiece window.
This anomaly is closed.
14.1-15 Gyro Display Coupler Roll Alignment
The crew reported that the roll axis did not align properly when the
gyro display alignment pushbutton was pressed. The roll axis error was
not nulled, whereas, the pitch and yaw axes were. Only by depressing the
align pushbutton for progressively longer periods, and eventually, by
moving the roll-axis thumbwheel, could the roll error be nulled.
For normal operation during alignment, resolvers in the gyro display
coupler electronics are compared to resolvers, one for each axis, on the
thumbwheels used to set desired attitude. The difference is an error signal.
The error is displayed on the attitude error needles, and the signal is used
to drive the resolvers to match the attitude set on the thumbwheels. The
anomaly could have been caused by either of two failure modes. An intermittent
open in the roll axis align loop or a low gain problem in the electronics
(
fig. 14-21).
The gyro display coupler and attitude set control panel were put into
the hardware evaluator simulator and functionally tested at the systems
level in the actual spacecraft configuration in an attempt to repeat the
flight problem. During this testing, an out-of-tolerance condition was
observed on the attitude set control panel. This condition could have
caused a gain type problem and been the cause of the flight anomaly. The
measured resistance of the thumb wheel resolvers increased from the nominal
in all three axes by as much as 1000 ohms. Normally, this value does not vary
by more than 1 ohm. In order for this condition to have been the cause of the
anomaly, a resistance change in the roll axis would have had to be an order
of magnitude larger than that measured postflight. The resistance change is
caused by contamination between the slip rings and the thumbwheel resolvers.
As a result of the flight anomaly, several resolvers were examined and
contamination was detected. The corrective action is to wipe the resolvers
clean by rotating them several hundred revolutions. The attitude set control
panels in Apollo 16 and 17 will be checked and the resolvers will be wiped
clean, or will be replaced if necessary.
The flight condition could also have been caused by either of two
golden-g" relays failing to close. Two failure modes have been determined.
One failure mode is "normally open-failure to close", and other,
"normally closed - failure to open", both caused by contamination.
"Golden-g" relays were the subject of an extensive review in 1966 and
1967. Relays were classified as (1) critical, (2) of major importance, (3) of
minor importance, and (4) having no effect. It was decided at that time to
(1) make critical relays redundant, (2) improve screening tests, and (3)
take no corrective action for non-critical relays. Both of the suspect
relays are of major importance in that either one would cause loss of the
normal alignment capability of the backup attitude reference system. The
attitude reference system could be aligned, but extensive work-around
procedures would have to be used.
Tests performed on the roll axis align enabling relay revealed
contamination which could have caused the flight anomaly. The rationale
developed during the "golden-g" relay review is applicable at this time.
This anomaly is closed.
14.1.16 Unable To Open Circuit Breaker Supplying Main A Power To Battery Charger
The circuit breaker tying the battery charger to main bus A could not be
opened manually during postflight testing. This breaker was not required
to be opened during the flight.
A green residue on the aluminum indicator stem at the copper mounting
bushing jammed the stem and prevented operation. Some of the residue was
removed for chemical analysis. The rest of the residue was dissolved by the
application of distilled water, thereby freeing the breaker. The
green residue was predominantly sodium-copper carbonate hydrate. Traces
of sodium chloride, and other metals were also present. These products
would result from salt water corrosion. Salt water could have been
introduced by sea water splashing on the breaker after landing or by
urine or perspiration released in the cabin during flight.
No corrective action is considered necessary.
This anomaly is closed.
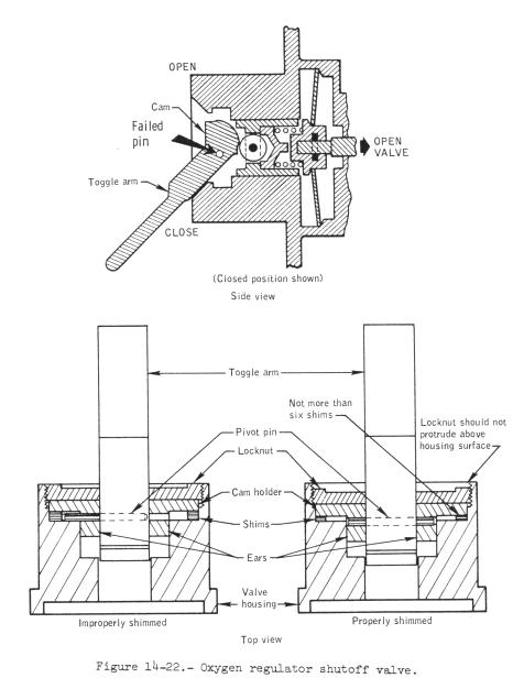
14.1-17 Pivot Pin Failure On Main Oxygen Regulator Shutoff Valve
The toggle-arm pivot pin for the side-A shutoff valve of the main
oxygen regulator was found sheared during postflight testing. With the pin
failed, the shutoff valve is inoperative in the closed position, thus
preventing oxygen flow to the regulator.
The pivot pin attaches the toggle arm to the cam holder and is
retained in place by the valve housing when properly assembled
(
fig. 14-22).
Failure analysis showed that the pivot pin failed in single shear and
bending. This failure resulted from improper shimming which allowed the
pivot pin to come out of one side of the cam holder as shown in figure 14-
22. Analysis and testing has shown that the pin strength is adequate in
double shear, but will fail in single shear and bending with a force of
about 70 pounds applied at the tip of the toggle arm when it is in the
closed position. No marks were found on the toggle arm to indicate that it
had been struck by some object.
Inspection criteria to assure that valves now installed in other
spacecraft are properly assembled have been developed from a study of
adverse tolerance buildups associated with the valve components. These
criteria are that the lock nut does not protrude and the number of shims
does not exceed six (fig. 14-22).
This anomaly is closed.
14.1.18 Crew Optical Alignment Sight Fell Off Stowage Mount
The crew optical alignment sight fell from its stowage mount during
landing because the locking pin which secures it was not engaged.
Normally, when the sight is placed into the mount, the locking pin
is raised automatically by a ramp and the pin is moved into the locking
pin hole by spring action
(
fig. 14-23).
Postflight examination showed
that the ramp had been gouged preventing raising of the pin by the ramp.
The cause of the gouge is not known.
The crew optical alignment sights for Apollo 16 and future spacecraft
will be fit-checked to insure proper operation of the latching mechanism.
Also, the Apollo Operations Handbook and crew checklist are being revised
to include verification of the latching pin engagement prior to entry.
This anomaly is closed.
14.2 LUNAR MODULE
14.2.1 Water/Glycol Pump Differential Pressure Fluctuations
Variations were noted in the water/glycol pump differential pressure
shortly after the cabin depressurizations for the standup extravehicular
activity and the second extravehicular activity. The variations were
similar on both occasions.
The pressure differential decreased from about
20 psid (normal) to about 15 psid, then increased to about 27 psid
and returned to normal
(
fig. 14-24).
The total times for the cycles were 3 minutes during the standup extravehicular
activity and 10 minutes during the second extravehicular activity. The pump discharge
pressure remained
relatively stable throughout both periods. If pressure fluctuations had
taken place in the heat transport system, both the pump discharge pressure
and differential pressure should have varied together.
After the second fluctuation occurred, water/glycol pump 2 was selected
because of the erratic differential pressure. All parameters were normal
during pump 2 operation. The crew reselected pump 1 prior to egress for the
second extravehicular activity, and it operated satisfactorily. Later, after
docking, the pump was turned off momentarily and the pump discharge pressure
readout was verified as correct since it decreased to the accumulator
pressure of 7.8 psia.
The lunar module cabin humidity was high at the initial manning for
descent because the command module cabin humidity was high. Furthermore, a
water spill in the lunar module cabin after the first extravehicular
activity again produced high humidity. Consequently, water would have
condensed on the cold 1/8-inch water/glycol sense lines between the pump
assembly and the pressure transducer
(
figs. 14-25 and
14-26),
and the water
would have frozen and sublimed at the next cabin depressurization. Since
there is no flow in the sense lines, as little as 0.002 inch of condensed
moisture on the outside of these lines would freeze the fluid and cause the
fluctuations in the indicated differential pressure, but would not affect
system operation. Consequently, no corrective action is required.
This anomaly is closed.
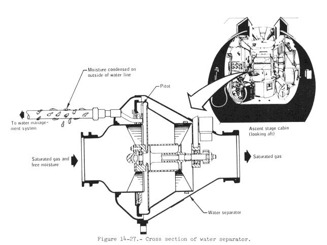
14.2.2 Water Separator Speed Decrease
The speed of water separator 1 decreased to below 800 rpm and tripped
the master alarm during the cabin depressurization for the standup
extravehicular activity. Separator 2 was selected and operated properly at
approximately 2400 rpm. After approximately 1 hour of separator 2 operation,
separator 1 was reselected and performed satisfactorily throughout the
remainder of the mission.
Cabin atmosphere is cooled and passed through one of the water separators
(fig. 14-27) where condensed water is separated by centrifugal force and
picked up by a pitot tube. The water is then piped from the pitot tube,
through a check valve, to the water management system where it is used in the
sublimator.
Cabin humidity was high before the standup extravehicular activity and,
because the water and structure were cold, the line between the water
separator pitot tube and the water management system was cold. Under these
conditions, water would condense on the outside of the line
(
fig. 14-27),
and
when the cabin was depressurized for the standup extravehicular activity,
the water on the outside of the line would boil, freeze, and sublime,
thereby freezing the water in the line.
Analysis shows that as little as a 0.01-inch film of water on the
outside of the line will freeze the line at cabin depressurization.
Freezing within the line will cause the separator to slow down and stall
because of excessive water. Separator 2 had not been used. Therefore, no
water was in its outlet line to freeze. Consequently, it operated
successfully when activated.
Analysis and tests have shown that freezing of the line will not
damage any spacecraft hardware. If such freezing occurs, the other
separator would be used. Therefore, no corrective action is required.
This anomaly is closed.
14.2.3 Broken Water Gun/Bacteria Filter Quick Disconnect
A water leak occurred at the quick disconnect between the bacteria
filter and the water gun (fig. 14-28) shortly after the first extravehicular
activity. The leak was caused by the plastic portion of the disconnect
being broken and was stopped by removing the filter.
When the water gun/bacteria filter combination is properly stowed, the
gun is held in a U-shaped boot
(
fig. 14-28).
Both the gun and filter are held
in place by straps with the hose protruding above the liquid cooling
assembly. Bending the hose can easily exceed the force required to break
the quick disconnect between the bacteria filter and the water gun if the
filter is not strapped down. A test showed that a torque of 204.6 inch-pounds
caused a similar quick disconnect to break in half.
Based on the torque value of 204.6 inch-pounds, a force of approximately
27 pounds applied at the hose quick disconnect interface would break the
disconnect between the filter and the water gun.
The plastic parts will be replaced by steel inserts in all locations
where the quick disconnects are used in the lunar module and command
module.
This anomaly is closed.
14.2.4 Intermittent Steerable Antenna Operation
Random oscillations occurred while the steerable antenna was in the
auto-track mode. The oscillations were small, and damped without losing
auto-track capability
(
fig. 14-29).
The three times when the oscillations
became divergent are shown in
figure 14-30.
a. 100:26 (revolution 12): This divergence occurred prior to
separation and was not caused by vehicle blockage or reflections from the
command and service module structure.
b. 100:41 (revolution 12): The lunar module maneuver, performed
approximately 2 minutes after separation, caused the antenna to track into
vehicle blockage, which resulted in the antenna oscillation and loss of
lock.
c. 104:07 (revolution 14): Earth look angles for this time period
indicate that the antenna was clear of any vehicle blockage.
All oscillations indicated characteristics similar to the conditions
experienced on Apollo 14
(
fig. 14-31).
After Apollo 14, one of the prime
candidates considered as a possible cause was incidental amplitude modulation
on the uplink signal. A monitor capable of detecting very small values of
incidental amplitude modulation was installed at the Manned Space Flight
Network Madrid site for Apollo 15. The data from this monitor indicated that
no amplitude modulation existed on the uplink at the frequencies critical to
antenna stability during the problem times. Consequently, incidental
amplitude modulation has been eliminated as a possible cause of the antenna
oscillations, and the problem must be in the spacecraft.
There are two possible causes of the problem in the spacecraft. The
first is that electrical interference generated in some other spacecraft
equipment is coupled into the antenna tracking loop. A test performed on
the Apollo 16 lunar module showed that no significant noise is coupled into
the tracking loop during operation of any other spacecraft equipment
in the ground environment. The second is that temperature or temperature
gradients cause an intermittent condition in the antenna which results in
the oscillations. The acceptance tests of the antennas do not include
operation over the entire range of environmental temperatures; therefore,
a special test is being conducted on a flight spare antenna to determine
its capability to operate over the entire range of temperatures and
gradients.
This anomaly is open.
14.2.5 Descent Engine Control Assembly Circuit Breaker Open
The descent engine control assembly circuit breaker was found open
during the engine throttle check after lunar module separation from the
command and service module. The circuit breaker was closed and the check
was successfully performed.
If there was a short circuit condition, it is highly unlikely that
the fault would have cleared at the instant the breaker opened. Thus,
when the breaker was reset, it would have reopened. Data were reviewed
for current surges large enough to trip the 20-ampere breaker, but none
were found. The crew stated that they may have left the circuit breaker
open. This is the most probable cause of the anomaly.
This anomaly is closed.
14.2.6 Abort Guidance System Warning
Abort guidance system warnings and master alarms occurred right after
insertion into lunar orbit and at acquisition of signal prior to lunar module
deorbit. The first one was reset by the crew; the second persisted until
lunar impact. Performance of the abort guidance system appeared normal
before, during, and after the time of the alarms.
Exceeding any of the following three conditions in the abort guidance
system can cause the system warning light to illuminate. In each case, the
warning light would reset automatically when the out-of-tolerance condition
disappears.
a. 28 ±2.8 volts dc
b. 12 ±1.2 volts dc
c. 400 ±15 hertz
A fourth condition which could cause the warning light to illuminate is the
receipt of a test-mode fail signal from the computer. This condition
requires manually resetting the warning light by placing the oxygen/water
quantity monitor switch to the CW/RESET position.
The conditions for generating a test mode fail signal are as follows
(none of these conditions was indicated in any of the computer data).
a. Computer restart: A restart would cause internal status
indicators to be reset and telemetry quantity "Vdx" to be set to a
prestored constant (minus 8000 ft/sec).
b. Computer self test: Computer routines perform sum checks of
computer memory and logic tests. Failure of these would set a self-test fail
status bit.
c. Program timing: If the computer program is executing any instruction
(except a "delay" instruction) at the same time that a 20-millisecond
timing pulse is generated, a test-mode fail will be generated.
Computer routines running at the time of the warning have a worst-case
execution time of 18.425 milliseconds of the allowable 20 milliseconds;
therefore, a timing problem should not have occurred.
After the warning at insertion, the crew read out the contents of the
computer self test address 412, but there was no indication of a test-mode
fail. The crew did not, however, reload all zeros into address 412 as is
required to reset the flip-flop (fig. 14-32) which controls the test-mode
fail output in the computer. Consequently, a second test-mode fail would not
have caused an abort guidance system warning. The fact that a second warning
did occur restricts the location of the failure to the output circuit of the
computer, the signal conditioner electronics assembly, or the caution and
warning system.
The abort electronics assembly test mode fail output drives a buffer
(
fig. 14-32)
in the signal conditioner electronics assembly which, in turn
supplies the test mode fail signal to the caution and warning system. The
test mode fail buffer is the only application in the lunar module where a
transistor supplies the input signal to the buffer and where the low side of
the input to the buffer is not grounded. Tests have shown that some buffers
feed back 10-kHz and 600-kHz signals to the buffer input lines. These
signals are completely suppressed when the low side of the buffer input is
grounded.
With the noise signal voltages present, the test mode fail driver is
more susceptible to electromagnetic interference. An analysis indicates
that,, with worst-case noise signals present, an induced voltage spike of
only about 3.5 volts will cause the test mode fail driver to momentarily
turn on and latch the caution and warning system master alarm and abort
guidance system warning light on.
For future spacecraft, the low side of the input to the buffer will
be grounded.
This anomaly is closed.
14.2.7 No Crosspointer Indication
There was no line-of-sight rate data on the Commander's crosspointers
during the braking phase of rendezvous. The existence of line-of-sight
rates was verified by observing the position of the command module relative
to the lunar module. The scale switch was in the low position; however,
none of the other switch positions was verified. The power fail light was
off, indicating that the Commander's crosspointer circuit breaker was
closed.
The rate error monitor switch is used to select either rendezvous
radar data or data selected by the mode select switch for display. The
mode select switch selects velocities from the primary guidance system,
the abort guidance system, or the landing radar for display. No telemetry
data are available on the position of the rate error monitor switch and
the mode select switch, and the Commander reported that he did not look
at the flight director attitude indicator.
Four possible conditions could have affected the display of radar
antenna rate data
(
fig. 14-33).
a. The rate error monitor switch could have been in the wrong
position. If the LDG RD/CMPTR position was selected, lateral velocity data
from the abort guidance system would have been displayed, but only if the
mode select switch had been in the AGS position. However, lateral velocity
at the time of the problem would have been near zero. If the mode select
switch had been in the PGNS position no data would have been displayed.
b. Conductive contamination between two contacts in the rate error
monitor switch could have had the same effect on the crosspointer display as
condition "a". The switch in this lunar module was X-rayed and screened
before installation, and no contaminant was found; however, it should be
pointed out that present screening techniques might not detect a single wire
strand between two contacts.
c. An open in the return line would cause loss of rate data to one or
both meters, depending upon the location of the open. The signal return
lead from the Commander's meter in panel 1 is routed to panel 2 where it is
connected to the signal return from the Lunar Module Pilot's meter and
routed to the rendezvous radar.
d. An open in the wire in the rendezvous radar electronics assembly
which connects 15 volts at 400 hertz to two velocity filters (one each for
shaft and trunnion rate) could cause the loss of shaft and trunnion rate
data to both sets of crosspointers.
The most probable failure is an open in the signal return line. Information
could still be
deduced from antenna position data which is displayed on the flight director
attitude indicators.
Ground tests and checkout may not show this type of failure. If the open
is temperature sensitive, a
complete vehicle test involving vacuum, temperature, and temperature
gradients would be required
to insure that failures of this type would not occur in the flight
environment. This type of testing is
not practical at the vehicle level. Consequently, no corrective action is
planned.
This anomaly is closed.
14.2.8 Broken Range/Range Rate Meter Window
Sometime prior to ingress into the lunar module, the window of the
range/range-rate meter broke
(
fig. 14-34).
Upon ingress, the crew saw many glass particles
floating in the spacecraft,
presenting a hazardous situation.
The window is an integral part of the meter case and is made of annealed
soda-lime glass
0.085-inch thick. The meter case is hermetically sealed and pressurized
with helium to 14.7 psia at
ambient temperature. At the maximum meter operating temperature and with
the cabin at vacuum, the
pressure differential can be as high as 16.1 psi. This pressure differential
is equivalent to a stress level
of 6680 psi in the glass.
Glass will break when there is a surface flaw large enough to grow
at the stress levels
present. The threshold flaw size in a dry environment is about the
same as the critical flaw size and
immediate breakage occurs. The critical flaw size remains the same
in a humid environment, but the
threshold flaw is much smaller. For annealed soda-lime glass at a stress
level of 6680 psi, the critical
flaw depth is 0.0036 inch, and for a humid environment, the threshold
flaw depth is 0.000105 inch.
A surface flaw deeper than the threshold depth for the glass operating
stress must have existed
on the outside of the meter window at launch. The flaw started growing
as the cabin depressurized
during the launch phase, and finally grew large enough for the glass to break.
For future missions, an exterior glass doubler will be added to the
flaw depth to 0.0036 inch and the
critical flaw depth to 0.032 inch. This should prevent future fatigue
failures since there are no reported
fatigue failures in soda-lime glass at stresses below 2000 psi. In
addition, all similar glass applications in
the lunar module and command module were reviewed and changes are
being made. In
the command module, transparent Teflon shields will be installed on the:
a. Flight director attitude indicators.
b. Service propu1sion system gimbal position and launch vehicle
propellant tank pressure indicator.
c. Service propulsion system oxidizer unbalance indicator, and the
oxidizer and fuel quantity indicators.
d. Entry monitor system roll indicator.
In the first three above applications, the shields will be held in place
with Velcro and will be installed only when the cabin is to be
depressurized. The shield on the entry roll monitor indicator will be
permanently installed.
In the lunar module, tape will be added to the flight director
attitude indicators and an exterior glass shield will be installed over
the crosspointers to retain glass particles. The data entry and display
assembly window was previously taped to retain glass particles.
This anomaly is closed.
14.3 SCIENTIFIC INSTRUMENT MODULE EXPERIMENTS
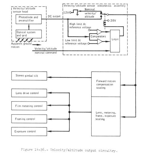
14.3.1 Panoramic Camera Velocity/Altitude Sensor Erratic
Telemetry received from the first panoramic camera pass on
revolution 4 indicated that the velocity/altitude sensor
(
fig. 14-35)
was not operating correctly.
The velocity/altitude sensor measures the angular rate of travel of
the spacecraft relative to the lunar surface. The sensor output is used to
control the cycling rate of the camera, the forward motion compensation,
and the exposure. The sensor normally operates in the range of 45 to 80
miles altitude. If, at any time, the indicated velocity/altitude is out of
this range, the sensor automatically resets to the nominal value of 60
miles. The sensor operated properly for brief periods of time, but would
drift off-scale high (saturate), and then reset to the nominal value
corresponding to a 60-mile altitude.
Breadboard tests and circuit analyses of the velocity/altitude electronics
(
fig. 14-36)
did not indicate failure. Tests were conducted in
which endless belts of lunar scene photography from Apollo 8 and 15 were
passed in front of velocity/altitude sensors. Sensors from the prototype
and qualification units, and flight unit number 1 were used. By varying
the illumination level, sensor performance somewhat similar to the Apollo 15
anomaly could be obtained.
The results of the tests, coupled with analyses of the basic sensor
design, indicate that the problem is related to the optical signal-to-noise
ratio. The remaining flight hardware will be modified to improve this ratio.
The optical signal will be enhanced by increasing the lens aperture from
f/4.0 to f/3-5 and by deleting the infrared filter. The optical noise
(reflections) will be reduced by increasing the length of the lens hood and
by repositioning the sensor so that the camera's forward plume shield will
not be in the field of view of the sensor. In addition, a manual override of
the velocity/altitude sensor will be provided on the remaining flight units.
By using a three-position switch, two preselected velocity/altitude ratios
will be provided, as well as the automatic function.
This anomaly is closed.
14.3.2 Loss of Laser Altimeter Altitude Data
The laser altimeter exhibited two anomalous conditions during the
mission:
a. Altitude data became intermittent after revolution 24 as the
result of a decrease in the laser output power.
b. Beginning with revolution 38, the photomultiplier tube high-voltage
power supply was held in the idling (minimum-voltage level) mode until
after the laser fired, thereby causing the receiver to miss the return
pulse from the lunar surface
(
fig. 14-37).
No altitude data were obtained
after this anomaly occurred.
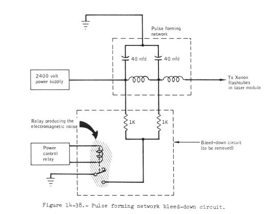
The photomultiplier tube power supply anomaly was duplicated when a
relay which had been removed from a flight unit because it had an audible
"buzz" was installed in the prototype altimeter. The relay serves no
function in flight, but is a safety precaution for ground personnel
working on the altimeter
(
fig. 14-38).
The relay contacts close when the
altimeter is turned off, discharging the high voltage stored in the
pulse forming network capacitors.
It is suspected that the audible "buzz" is accompanied by
electromagnetic interference that is coupled into the video amplifier in
the laser receiver
(
fig. 14-39).
The video amplifier is a principal
element in the automatic gain control circuit which controls the output of
the photomultiplier tube power supply. The electromagnetic interference
from the relay can thereby result in the automatic gain control holding
the power supply in the idling mode until the pulse forming network is
discharged in firing the laser. The relay and resistors that comprise the
bleed-down circuit will be removed from the remaining flight altimeters.
The cause of the low output power anomaly has not been isolated. A
review of the manufacturing records has established that the flight unit
was the same as the qualification unit with regard to parts, processes,
and manufacturing methods. Investigations indicate that the fault most
likely occurred in the laser module.
An automatic power compensation circuit will be incorporated into the
remaining flight units. The circuit will increase the pulse forming network
voltage by about 50 volts each time the laser power falls below an
established threshold value as sensed by a photodiode. Design feasibility
tests have been completed on a breadboard circuit. The results show that
the circuit will maintain the power output at a level sufficient to provide
proper ranging.
This anomaly is closed.
14-3.3 Slow Deployment Of Mapping Camera
The extension and retraction times of the deployment mechanism
subsequent to the first extend/retract cycle were two to three times
longer than the preflight nominal time of approximately 1 minute 20
seconds. Also, the camera could not be fully retracted after the final
deployment. During the transearth extravehicular activity, an inspection
of the mapping camera and associated equipment showed no evidence of
dragging or interference between the camera and the spacecraft structure,
the camera covers, or the cabling.
The first extend and retract cycle times were 1 minute 20 seconds and 1
minute 17 seconds, respectively. The second retraction required 2 minutes 30
seconds and the third retraction and fourth extension required slightly more
than 4 minutes. The second and third extensions occurred while the
telemetry, system was in the low-bit-rate mode; therefore, these deployment
times are not obtainable. Subsequent extensions and retractions required 2
to 4 minutes.
Load tests show that a restraining force of 250 pounds would increase
the deployment time to 1 minute 45 seconds. With one of the two
extend/retract mechanism motors operating, the 250-pound restraint would
increase the deployment time to 2 minutes 25 seconds.
Voltage tests show that 12 volts to the motors (28 volts dc nominal
rating) would result in deployment times of approximately 4 minutes. Had
this occurred during the mission, however, the indicator which shows that
power is applied to the motors would have displayed a partial barberpole
during deployment operations. The barberpole indicator is connected in
parallel with the motors and, since the position is voltage-dependent, it
can be used to approximate the voltage levels to the motors. During the
flight, a full barberpole indication was always observed.
Apparently, the problem first occurred sometime between the first and
second retractions. During this period, a 4-second service propulsion system
firing was performed for lunar orbit circularization. An evaluation of
vibration test data indicates, however, that the circularization firing was
probably not a factor in the anomaly. An investigation is being made to
determine if there is mechanical interference between the camera and the
reaction control system plume protection covers.
This anomaly is open.
14-3.4 Gamma Ray Spectrometer Calibration Shifts
During the mission, the gamma ray spectrometer experienced a downward
gain shift of approximately 30 percent, but this was compensated for by
commanding the high-voltage step function from the command module. The drift
decreased with time at an initial rate of 1 percent per hour and a final rate
of 0.4 percent per day. Near the end of the mission, the gamma ray
spectrometer was operating in a relatively stable state at 824.8 volts (high
voltage step 6). (A step 4 voltage of 777.8 volts was the normal position in
preflight operation.) The spectrometer to be flown on Apollo 16 was aged at
flux rates representative of those encountered in lunar operation. The unit
has stabilized after having experienced a gain change of approximately 8
percent.
After transearth injection, a temporary eight-channel zero reference
shift was observed. This shift disappeared when the instrument was
repowered after the transearth extravehicular activity, and subsequent
instrument operation was normal for about 25 hours during transearth coast.
Shortly before entry, the offset shift reappeared and remained until the
experiment was turned off. Normalization of the data during processing will
compensate for this offset.
Tests conducted with the qualification unit verified that the change
in gain was due to aging effects of the photomultiplier tube in the gamma
ray detector assembly as a result of high cosmic ray flux rates in lunar
operation. The zero shift appears to be associated with the run-down inhibit
signal between the clock-gate module and the analog-to-digital converter
(
fig. 14-40).
Absence of this signal at a particular point in the
analog-to-digital converter removes a 3-microsecond offset in the pulse
height analyzer. The resulting effect is an overall eight-channel offset
in the spectrum. The qualification unit was partially disassembled and
tests showed that either an open or a shorted wire within the pulse height,
analyzer can result in an eight-channel offset. An inspection of the circuit in
the qualification unit disclosed no design deficiency which would
cause this type of failure. Since the eight channel zero offset does not
significantly impact overall data quality, no corrective action is contemplated.
This anomaly is closed.
14.4 APOLLO LUNAR SURFACE EXPERIMENTS PACKAGE AND ASSOCIATED LUNAR SURFACE EQUIPMENT
14.4.1 Problems During The Lunar Surface Drilling Operations
The Apollo lunar surface drill performed well during the lunar surface
activities; however, the following problems related to drilling operations
were encountered:
a. Penetration of the surface to the full depth with the bore stems
was not achieved.
b. Releasing the bore stems from the drill adapter was difficult.
c. Bore stem damage occurred near the first joint.
d. Removing core stems from the drilled hole in the lunar surface
was difficult.
e. Separation of core stem sections was difficult.
14.4.1.1 Difficulty in penetrating the surface to the desired depth
with the bore stems.- Although the average penetration rate for the two
bore stem holes was reasonable (approximately 120 inches per minute for
hole 1, and 18 inches per minute for hole 2), it was necessary to stop
both holes at approximately 60 percent of the depth desired.
The bore stem sections are made of a fiberglass and boron filament
laminate, chosen for its optimum thermal characteristics as a casing for
the heat flow experiment probe. The sections are approximately 21 inches
long with tapered male and female joints. One-inch double-thread spiral
lead flutes are provided on the exterior surface to transport the soil
chips from the drilled hole to the surface. The depth of the flutes is
0.050 inch for about 18 inches, but the flutes almost disappear at the
joint area where the wall thickness must follow the taper of the joint
(
fig. 14-41).
As a result, the volume of chip flow to the surface is slowed
considerably in looser soil formations, and stalled by the packing of the
chips in high-density formations.
In order to reduce the time required, prevent damage to bore stems,
and increase the probability of attaining the full depth, the following
modifications and corrective actions are being implemented:
a. The bore stem joints will be changed from boron/fiberglass
tapered joints to threaded titanium inserts which provide continuous
flutes as do the core stems. The thread configuration also provides a more positive
connection, precluding inadvertent separation of the joint in the hole.
b. The length of the first (bottom) bore stem section will be
increased so that the 43-inch probe for the heat flow experiment is
housed entirely in the boron/fiberglass material and the titanium joint
is not in the probe region.
c. The length of the remaining sections will be increased by a small
amount, which will reduce the number of joints for the crew to mate as well
as keep the titanium away from the experiment thermocouples.
d. Crew training will include boring and coring experience with a
soil model typical of the Hadley Rille soil characteristics as well as
models of less dense soil.
This anomaly is closed.
14.4.1.2 Difficulty in releasing bore stems from drill adapter. Use
of the normal procedure for releasing the lunar surface drill head from
the bore stems was hampered by the bore stems turning freely in the
lunar soil.
In the bore stem drilling position, the key blocks are restrained
inside, and the spindle drives against the shoulder of the adapter outer
shell
(
fig. 14-42).
The operational sequence to release the bore stem
from the adapter includes the following steps:
a. With the bore stem held stationary, the power head is rotated by
hand 90 degrees counterclockwise. This moves the spindle and adapter
shoulder about 1/4-inch apart and releases the spring-loaded key blocks
outward.
b. With the key blocks in the outward position, pulsing the power
head transfers power from the spindle through the key blocks to the collet
shoulder, thus moving the collet about 1/4-inch, and releasing the bore
stem.
In development ground tests, the soil friction usually kept the bore
stem from turning in this operation. When there was insufficient friction
from the soil, the bore stem was grasped with the gloved hand. On Apollo 15,
the soil did not hold the bore stem, and the core-stem wrench was used to
hold the bore stems for this operation.
The single-purpose core stem wrench is fitted to the 0.983-inch-
diameter titanium core stem, but the 1.088-inch throat will admit the
1.075inch-diameter bore stem. The softer bore stem (boron-fiberglass
laminate) can be deformed and present some difficulty in wrench removal,
with possible damage to the bore stem. A wrench to fit both bore and core
stems will be provided.
The change of the bore stem joint, discussed in the previous anomaly,
will result in the elimination of the present bore stem drill adapter. The
bore stem will thread into the power head spindle adapter in the same manner
as the core stems on Apollo 15 and a spindle thread reducer will be provided
to fit the core stems. In addition, the training models and procedures will
by updated to reflect equipment changes.
This anomaly is closed.
14.4.1.3 Bore stem damage near the first joint. The probe would not go to
the bottom plug of the bottom bore stem in hole 2, but stopped at a point
about 6 inches above the first joint. Examination of photographs and heat
flow probe data indicate that, near the end of the bore stem drilling
operation, the first joint was separated when the drill and drill string
were moved vertically (up and down) in an attempt to improve the drill
penetration rate. Easier penetration (for approximately 6 inches) was
reported by the crew, but it resulted from the bottom of the second section
apparently performing more in a coring manner
(
fig. 14-43)
with the lunar
soil entering the second section of the bore stem.
The change from boron/fiberglass to threaded titanium in the bore
stem joint will prevent a repetition of such a separation.
This anomaly is closed.
14.4.1.4 Difficulty in core stem removal from the drilled hole in the
lunar surface.- Friction of the compacted soil in the drill flutes can build
up substantial forces against core stem removal in a deep hole in some soil
formations. This was illustrated in premission and drill development
experiences.
Interference from the compacted material in the drill flutes can be
reduced and core stem removal eased by pulsing the power head when at the
bottom of the hole without upward and downward motion of the drill stem.
Ground tests have indicated that the best results are obtained when the
power head is pulsed just before the power head is removed to add each core
stem section. The tendency to auger, as reported by the crew, is also
reduced by pulsing the power head before each new core stem is added.
To assure maximum core return and minimum core disturbance for this
mission, and without having the benefit of some of the experience from later
ground tests, the crew did not pulse the power head. In addition, the core
stem string was left in the ground for several hours before the crew
returned for its final removal. The core stem string was removed with
considerable physical effort, but a very complete core was recovered.
A mechanical assist (modified jacking mechanism) will be mounted on
the treadle for easier core removal from difficult formations. Training
and procedural changes will be implemented so that the drill motor will
be pulsed before the addition of each core stem.
This anomaly is closed.
14.4-1.5 Difficulty in separation of core stem sections.- The sections
of the core stem string could not be separated using the vise and wrench
because the vise had been mounted on the pallet backward. The six section
core stem string was removed from the core hole as a single unit and
brought to the vise on the lunar roving vehicle. Three sections were
separated individually with hand friction on one side of the joint and the
wrench on the other side. The remaining three sections were returned to the
earth in one piece.
The configuration of the core stem vise is the same as that of the core
stem wrench head. The vise is mounted on a bracket on the lunar roving
vehicle aft chassis pallet, located on the right hand side of the vehicle.
The core stem wrench head is similar to the conventional pipe wrench head,
with one fixed jaw and one pivoted jaw. The throat width is not adjustable
and is designed to fit the outside diameter of the core stem.
As mounted, the vise would hold the core stem so that the joint could
be tightened by rotating the wrench on the adjoining section. However, the
vise would not hold in the opposite direction so that the joint could be
loosened and separated
(
fig. 14-44).
Working on the inboard side of the
vise, the core stem could have been held properly for loosening; however,
there is insufficient clearance on the inboard side of the vise for wrench
rotation, and the distance to the other side of the lunar roving vehicle is
greater than the length of a core stem section.
The installation drawing of the vise was in error and has been
corrected to assure correct orientation of the vise for Apollo 16. The
training vise was installed backward from the erroneous drawing, but correct
for loosening the stems.
This anomaly is closed.
14.4.2 Central Station Rear Curtain Retainer Removal Lanyard Broke
To remove the retainer for the central station rear curtain, added
for Apollo 15, it was necessary to remove two retaining pins
(
fig.14-45).
The two pins, a universal handling tool fitting, and the curtain retainer
are joined by a three-section lanyard. When the universal handling tool
was inserted in the fitting and raised to remove the first pin, that
section of the lanyard broke. When an effort was made to remove both pins
simultaneously by inserting the handle under the lanyard joining the two
pins, that part of the lanyard broke. The pins and retainer were then
removed by hand.
The Dacron lanyard is being changed from a 50-pound test rated
material to a 180-pound test rated material with acceptance pull tests
being increased to 20 pounds for the entire system.
This anomaly is closed.
14.4.3 Intermittent Lock of Universal Handling Tool In Suprathermal Ion Detector Fitting
While carrying the suprathermal ion detector experiment from the
subpallet to the emplacement site, the experiment fell off the universal
handling tool at least twice. The experiment sustained no visible damage and
has been operating satisfactorily.
The universal handling tool fitting on this experiment is in the
highest location above the lunar surface of any of the fittings and presents
an awkward position of the tool for insertion, locking, and maintaining lock
in the fitting
(
fig. 14-46).
Corrective action includes training procedures to avoid inadvertent
tool-release triggering because of the position of the tool. There are no
present plans for the suprathermal ion detector experiment to be carried
on future missions, and no other scheduled experiments have a similarly
located fitting.
This anomaly is closed
14.5 GOVERNMENT FURNISHED EQUIPMENT
14-5.1 Television Control Unit Clutch Slippage
During the second extravehicular activity, the camera could not be
elevated as the unit approached the upper or lower limits of angular
travel. The condition further deteriorated during the third extravehicular
activity.
Elevation control is provided to the camera cradle through a friction
clutch
(
fig. 14-47)
which allows manual override of the ground-commanded
camera positioning. The camera-cradle pivot point is approximately 3 inches
below the center of gravity of the cradle with the camera mounted. As the
camera moves away from the horizontal position, the unbalanced moment
becomes progressively greater, and a higher torque load must be supported
by the clutch mechanism.
The elastomer clutch-facing material provided the required stable friction
properties in the
specification and qualification test temperature range (122' F, maximum).
However, the maximum
temperature on the television control unit during the third extravehicular
activity has been calculated as
approximately 180' F. Materials specifications show that the compressive
strength of the elastomer
degrades rapidly at this temperature, and ground tests with flight unit 4
verify severely degraded performance with time at elevated temperature.
The clutch is being changed to a metal-to-metal spring ring design in place
of the elastomer
disc. The clutch torque for Apollo 15 was set at 16 inch-pounds for ease of
manual adjustment. For
greater stability on Apollo 16, the new clutch is being built with a torque
of 30 inch-pounds, which is
still comfortable for manual positioning and is within design limits of the
system, including the gear
train (35 inch-pounds).
This anomaly is closed.
14-5.2 Lunar Communications Relay Unit Downlink Signal Lost
The lunar communications relay unit downlink signal was lost about 40 hours
after lunar module
ascent. The unit operated on internal battery power during the extravehicular
traverses. Near the end of
the third extravehicular activity, it was manually switched to lunar roving
vehicle power in preparation for
viewing ascent and for continuing television observations. The power
distribution from the lunar roving
vehicle to the television system is shown in figure 14-48. The lunar
communications relay unit transmitter
and television camera had been commanded on from the ground 13 minutes
rior to the RF downlink-
signal loss. The lunar communications relay unit status subcarrier had
been commanded on 7 minutes
prior to signal loss. The television camera was stationary and a 1-second
incremental iris movement was
occurring at the time of signal loss.
The flight data
(
fig. 14-49)
shows that the automatic gain control measurement began to fall
followed by the video signal decay. This was followed by the decay of the
lunar communications relay
unit temperature measurement. The RF signal level then decreased below the
ground receiver is
threshold as indicated by complete signal loss. The overall loss of the
downlink signal within 5
milliseconds is indicative of 28-volt d-c power loss. Decay of the temperature
measurement is
indicative of 16.5 volt d-c power loss. The lunar communications relay
unit dc-to-dc converter
(
fig. 14-48)
supplies both the 28-volt and 16.5-volt d-c power. To verify loss
of 16.5-volt power, an uplink
voice signal was transmitted to key the VHF transmitter on. No signal was
received on the Stanford
150-foot VHF antenna which indicates that the VHF transmitter, powered
from 16.5 volts dc, was inoperative.
In laboratory tests, the fault which duplicated the flight data was
the opening of the lunar roving vehicle power line prior to the 440-microfarad
capacitor (figs. 14-48 and 14-49). The tests show that the decay
time of the lunar communications relay unit 28-volt and 14-volt power is
increased by discharging the 440-microfarad capacitor. Other induced
faults resulted in shorter power decay times, affecting the received signal
accordingly. The temperature measurement output (see thermistor in
fig. 14-48) is proportional to the decay in 14-volt powcr. Consequently,
the 6-percent decay of the flight temperature measurement corresponds to
a 1.4-volt decay. This characteristic was duplicated when the lunar roving
vehicle power line was opened. The 28-volt power decayed to 21.8
volts dc as the 14-volt power decayed to 12.6 volts. The RF transmitter
power at this voltage will be decreased by 6.4 dB, and accounts for the
total signal loss at this time since the ground receiver would be below
its operating threshold.
The lunar roving vehicle power line has a 7.5-ampere circuit breaker
forward of the 440-microfarad capacitor (fig. 14-48). Testing a 7.5-ampere
circuit breaker under elevated temperatures (1800 F) and at vacuum conditions
showed that the current capacity is also dependent on the connecting wire
size because the wire provides a heat sink to the circuit breaker thermal
element. The rover 7.5-ampere breaker used 20-gage connecting
wire. Test results show that the breaker, with 20-gage connecting wire,
at elevated temperatures and under vacuum conditions, will trip at 3.3
amperes. This corresponds to the calculated lunar communication relay
unit load at the time of power failure.
A 10-ampere circuit breaker instead of the 7.5-ampere breaker and,
in addition, a manual switch in the lunar rover circuit to override the
circuit breaker after completion of vehicle activity are being provided
for Apollo 16. Also, the lunar communications relay unit is being
modified so that its internal 7.5-ampere circuit breaker is bypassed
when operating in the external power mode.
This anomaly is closed.
14.5.3 Lunar Surface 16-mm Camera Magazines Jammed
The crew experienced film jams with the lunar surface 16-mm camera
film magazines. Five out of eight magazines transferred to the lunar
surface jammed, two were not used, and one successfully transported the
film to completion.
Analysis of the returned magazines indicated two factors contributing
to jamming.
a. The first magazine used had drive-spline damage and scratches on
the front face, indicating that the installation in the camera was improper
and that the magazine and camera were misaligned. Misalignment of the
floating female spline of the camera with the male spline of the magazine
caused metal to be removed from the brass male spline. In normal camera
operation, the take-up claw advances one frame of film for each exposure
while the metering sprocket replenishes the supply loop and removes a frame
from the take-up loop, thus retaining the same amount of slack film in both
loops. When the metering sprocket is not driven because of mismating, the
camera claw removes film from the supply loop, which is not being
replenished, and adds it to the take-up loop, resulting in the jammed
condition shown in
figure 14-50.
Two other magazines had damaged drive
splines, indicating that mismating occurred on at least three occasions.
Lunar surface pictures which include the 16-mm camera show that a strip of
tape that is installed for latch stowage protection was not removed prior to
installation of a magazine. Leaving the tape strip in place could have
contributed to the camera/magazine mismating.
b. During troubleshooting between extravehicular activities, the crew
manually advanced the film through the aperture in all remaining magazines.
The amount of manual advancement varied from five to twenty-one frames in the
jammed magazines. The film supply loop (fig. 14-50) normally contains three to
five excess frames. The normal procedure is to inspect the magazine for
proper frame alignment in the aperture area, and manually advance the film
not more than one frame, if required to obtain proper alignment. The
excessive manual advancement depleted the film supply loops in all magazines.
Hardware analysis, air-to-ground voice tapes, and crew debriefing
indicate that the lunar surface camera functioned properly, and the jammed
magazines resulted from procedural errors. Corrective actions are to insure
adequate crew training through scheduled prelaunch briefings, stress
malfunction procedures and corrective actions, and put a removal flag on the
tape.
This anomaly is closed.
14-5.4 Lunar Module Pilot's 70-mm Camera Film Advance Stopped
Near the end of the second extravehicular activity, the 70-mm camera
ceased to advance film. The crew reported that the camera was again
operational after return to the lunar module. The camera was used again on
the third extravehicular activity; however, after a short series of
exposures had been made, the failure recurred. The camera was used for
additional photography during the transearth phase without recurrence of
the problem.
Postflight analysis of the hardware included operational testing,
disassembly and inspection, and measurement of battery charge. Operational
testing with film loads indicated proper film advancement until approximately
200 cycles had been accumulated, at which time the failure mode was
duplicated several times in succession. The film did not advance, although the
motor was running. Disassembly and examination of the drive mechanism showed
that the two set screws in the drive pinion were slipping on the motor shaft.
After the last use of the camera during the mission, the crew had
difficulty removing the magazine. This was caused by a rivet which had
become detached from the camera magazine latch mechanism.
Corrective action is as follows: Flats will be ground on the motor
shaft. A locking compound will be applied to the set screws when they are
properly torqued against the flats. Also, epoxy will be applied to the tops
of the screws to prevent them from backing off.
This anomaly is closed.
14-5.5 Difficult to Obtain Water From Insuit Drinking Device
After satisfactory operation during the first extravehicular
activity, the mouthpiece of the insuit drinking device was displaced and
the Commander was not able to obtain water during the second
extravehicular activity. The Lunar Module Pilot was not able to actuate
the drink valve of the insuit drinking device during either the first or
second extravehicular activities.
After each extravehicular activity, the insuit drinking device was
removed from the suit and all of the water consumed, thus verifying proper
operation of the insuit drinking device drink valve. The problem was
associated with the positioning of the insuit drinking device within the
suit.
Ground tests using suited subjects and other equipment configurations
indicated that the existing equipment provides the optimum configuration.
The tests also showed that personal experience is essential to obtaining
optimum individual positioning. Crew training is to include more crew
experience in making the position adjustments required for the individual's
needs.
This anomaly is closed.
14-5.6 Lunar Module Pilot Oxygen Purge System Antenna Was Damaged
The crew reported that the Lunar Module Pilot's oxygen purge system
antenna was broken off near the bottom during communications checkout prior
to the second extravehicular activity. Previously, a notch had been observed
in the antenna blade(see
fig. 14-51).
Antennas broken in training have shown similar flexure breaks.
Observation of the notch edges of the returned antenna indicates that the
notch started as a partial break in flexure, followed by material being
torn out the rest of the way. Test results of the returned antenna
indicated that the physical properties of the blade material were
satisfactory with no excessive brittleness.
A flap which covers the entire antenna will be added for Apollo 16 to
protect the antenna while the oxygen purge system is stowed and during
unsuiting after extravehicular activities. The antenna will not be
deployed until after egress to prevent it from being damaged inside the
cabin or during egress.
This anomaly is closed.
14-5.7 Retractable Tether Failure
Both retractable tethers failed during lunar surface operations; the
Commander's tether cord broke during the first extravehicular activity,
and the tool clamp came off the end of the Lunar Module Pilot's tether.
The Commander carried the standard 3/8-pound pull tether which consists of
a case, a negator spring wound reel-to-reel on two spools, and a 30-pound
cord wound on a spool mounted to one of the spring spools
(
fig. 14-52).
A tool clamp is attached to the external end of the cord. The Lunar
Module Pilot carried the optional, somewhat larger, 1-pound pull tether of
the same design.
Disassembly of the Commander's tether showed that the spring had expanded
off the spool, snarled, and jammed against the case as the result of a
no-load release of a slack cord (fig. 14-53).
The cord had broken against a sharp edge of the spring when an attempt was
made to extend the
tether after the jam. The failure mode with the release of the slack cord
is repeatable. Disassembly of the Lunar Module Pilot's tether showed that
both the bowline and the figure-eight knot attaching the cord to the clamp
had untied
(
fig. 14-53)
and this allowed the cord to retract into the
housing. Changing this knot to an improved clinch knot will provide a
more secure and permanent attachment. Crew training will emphasize proper
use of the tethers.
This anomaly is closed.
14.6 LUNAR ROVING VEHICLE
14.6.1 Deployment Saddle Difficult To Release From Vehicle
The lunar roving vehicle deployment saddle was difficult to release
from the vehicle during the final stage of deployment operations.
The causes of this problem are twofold and interrelated.
a. The saddle-to-vehicle connection (fig. 14-54) has close-tolerance
interfaces to provide the rigidity required to prevent release-pin
distortion and permanent binding. This design requires the vehicle/saddle
interface to be completely free of stress to permit easy separation.
b. The tilt of the lunar module to the rear and sideways, together
with an uneven lunar surface, provided some stress preloading of the
vehicle/saddle interface. Attempts by the crew to improve the rover
position by moving and pulling on it may have aggravated this situation.
The crew was aware that the interface had to be free of stress, and when
this was accomplished, the saddle separated.
Ground tests have shown that if the partially deployed lunar roving
vehicle resting on the surface but not yet detached from the saddle
and lunar module, is rolled either to the left or right, the
saddle/rover chassis interface will bind. The interface can be released,
and the saddle dropped to the ground by one crewman adjusting the roll
back to zero while the other taps the saddle with a hand tool. The corrective
action is to insure adequate crew training.
This anomaly is closed.
14.6.2 Volt/Ammeter Inoperative
The lunar roving vehicle battery 2 volt/ammeter was inoperative upon
vehicle activation, and remained inoperative throughout the traverses.
Problems with the meter were experienced during its initial development;
however, after a more rigid acceptance test program was implemented, the
earlier problems were cleared. The flight problem was not duplicated during
any of the ground tests. Since the instrument is not essential for the
operation of the vehicle, no further action is being taken.
This anomaly is closed.
14.6.3 Front steering System Inoperative
During initial lunar roving vehicle activation, the front steering was
inoperative. Electrical checks were made which verified that electrical
power was being supplied to the front steering system. Unsuccessful attempts
were made to manually rotate the wheels about their steering axes and to
detect steering motor stall current on the ammeter. The forward steering
circuit breaker and switch were cycled without any apparent effect.
Consequently, the front steering was switched off for the first traverse.
During preparations for the second traverse, the forward steering circuit
breaker and switch were cycled and front steering was operative; however,
the time that front steering capability was restored is unknown. Front-wheel
wandering did not occur during the first traverse, indicating a mechanical
problem. The steering continued to function properly for the second and
third traverses. During the second traverse, the rear steering was turned
off temporarily and wandering of the rear wheels occurred.
The most likely cause of this anomaly is motor and/or gear train
binding, as indicated by the inability to drive back through the linkage and
gear train by manually pushing against the wheels. Electrical causes are
possible, but less likely.
The front steering system of the Apollo 16 lunar roving vehicle is
currently being analyzed because of an intermittent failure of a similar
nature. Manually pushing against the wheels would not always drive back
through the linkage and gear train and the motor stalled at limit current
for 0.8 second during a test of this condition.
This anomaly is open.
14.6.4 Lunar Roving Vehicle Seat Belt Problems
The following seat belt problems were experienced throughout all
traverses
a. The crew was trained to stow the belts, prior to egress, on the
inboard handholds. However, during egress and ingress, the belt hooks would
slip through the handholds to the floor area. Finding the belts after
ingress was difficult because of their displacement from the proper stowage
location.
b. The belts snagged repeatedly on the ground Support equipment
connector on the console support structure when displaced from the proper
stowage locations.
c. The belts were not of sufficient length to secure the hooks to the
outboard handholds easily. This resulted primarily from an unexpected
decrease in suit contour conformance to the seated position in 1/6g.
Consequently, the crewmen's laps were several inches higher than had been
anticipated.
The main causes of these problems, in addition to insufficient belt
length, were insufficient belt rigidity and lack of visibility of the
securing operation.
New, stiffer seatbelts with an over-center tightening mechanism will
be provided for Apollo 16 to eliminate adjustment after each ingress and to
provide more tightening capability.
This anomaly is closed.