Apollo 14 Flight Crew



9.0 PILOT'S REPORT

The Apollo 14 mission expanded the techniques and overcame some of the operational limitations of previous lunar landing missions. Specific differences included performing onboard cislunar navigation to simulate a return to earth with no communications, using the service propulsion system for the descent orbit maneuver, landing in the lunar highlands, extending the lunar surface excursion time and making a lunar-orbit rendezvous during the first revolution of the spacecraft. The detailed flight plan, executed in its entirety, was used as a reference for the activities of the pilots during the mission.

9.1 TRAINING

The formal training for this crew was conducted over a time span of 20 months in general accordance with the schedules used for previous missions. The training equipment and methods were concluded to be excellent and are recommended for subsequent crews essentially unchanged. Although none of the crew members had completed actual flight experience in the Apollo program, each of the pilots felt that he was completely ready for all phases of the flight.

Flight Plan: Launch, Translunar Injection, Transposition and Docking, 0 hours to 10 hours



9.2 LAUNCH

The countdown proceeded on schedule with no problems encountered in the area of crew integration or ingress. The general condition of the crew station and displays was excellent. The crew was kept well informed of the nature of the launch delay and was apprised of launch azimuth change procedures; accordingly, that phase went smoothly. The Commander noted no visible moisture on windows 2 and 3 either prelaunch or during atmospheric flight. The proprioceptive cues reported by earlier crews were essentially unchanged during the launch of Apollo 14. No communication difficulties were noted during the launch. A very slight longitudinal oscillation occurred during second stage flight starting at 8 minutes 40 seconds and continuing through shutdown. The launch profiles flown during preflight training on the dynamic crew procedures simulator and the command module simulator were more than adequate for crew preparation.

9.3 EARTH ORBIT

This crew had placed special emphasis on suited training periods in the command module simulator for this particular phase. The spacecraft system checks and unstowage of equipment were performed slowly and precisely coincident with the process of familiarization with the weightless state. No anomalies or difficulties were noted.

The Command Module Pilot noted that, although he had heard the optics cover jettison, there was no debris, and a finite period of several minutes of dark-adaption was required to permit viewing of stars through the telescope. The extension of the docking probe is mentioned here only to indicate that it was extended on schedule, per the checklist, with no problems noted frcm either audio or visual cues.

9.4 TRANSLUNAR INJECTION

The delay in launch produced off-nominal monitoring parameters with the second S-IVB firing. These updates were forwarded smoothly and in a timely fashion so that all preparations for the injection were normal. Attitude control of the S-IVB was excellent and right on schedule. The ignition was on time, positive, and without roughness. The guidance parameters comparison between the command module computer and the instrumentation unit was very close. A very light vibration or buzz was noted toward the end of the powered phase, and is mentioned only to inform future crews as to a resonance reference point. The state vector conditions at cutoff were excellent and the tanks vented on schedule. The Commander and Command Module Pilot changed couch positions in accordance with the flight plan.

9.5 TRANSLUNAR FLIGHT 9.5.1 Transposition and Docking

The physical separation from the S-IVB closed two propellant isolation valves on the service module reaction control system. These were immediately reset with no problems. The entry monitor system was not used as a reference during any portion of the transposition and docking maneuver. The plus-X thrusting on separation and the initial thrusting to set up a closing velocity were performed using the event timer.

Several attempts were required before docking was successfully achieved. [Editor's note: Six contacts were made and these are referred to as six "docking attempts" in other sections of the report. The pilots considered the first two contacts to be one attempt.] The first attempt was made at a closing velocity of approximately 0.1 to 0.2 ft/sec. At contact, the capture latches did not lock with the drogue. Plus-X thrust was used to drive the probe back into the drogue, but again, capture was not achieved. All switches and circuit breakers were verified by the checklist and another docking attempt was made with a closing velocity of approximately 1.0 ft/sec. The latches again failed to capture on this pass. The procedures were verified with Houston and the docking probe switch was placed to extend, then back to retract (the talkbacks were verified gray in both positions). On the third attempt, plus-X thrust was held for approximately 4 seconds after drogue contact, but the latches failed to capture. Three prominent scratches, approximately 2 inches long and spaced 120 degrees around the drogue, were noted at this time and Houston was informed. The scratches started near the hole in the drogue and extended radially outward. The docking probe switch was placed to extend-release for 5 seconds, then back to retract; the talkbacks were verified gray in both positions. Another attempt was made using normal procedures, and again, no capture was achieved. On the fifth and final attempt, the probe was aligned in the drogue and held with plus-X thrust. The primary 1 retract switch was actuated, and approximately 4 to 5 seconds later, the talkbacks went barberpole, then gray, and the docking ring latches were actuated by the lunar module docking ring. The postdocking procedures were performed using the normal crew checklist and the locking of all twelve latches was verified.

Immediately upon lunar module ejection, a maneuver was started to view the S-IVB. As soon as the S-IVB was in sight, Houston was notified. An SIVB yaw maneuver was then commanded in preparation for the auxiliary propulsion system evasive maneuver. Both the auxiliary propulsion system evasive maneuver and the propellant dump of the S-IVB were visually monitored. The S-IVB was stable when last viewed by the crew.

The probe and drogue were removed during the first day for examination and checkout using the crew checklist and procedures provided by the Mission Control Center. The probe functioned properly at that time.

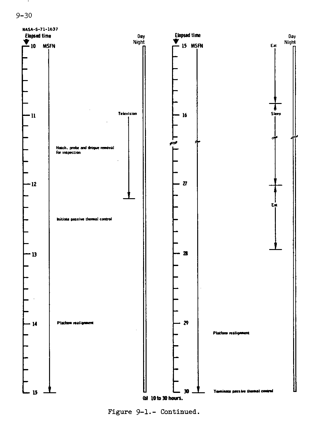
Flight Plan: Translunar Coast, 10 hours to 30 hours

Flight Plan: Translunar Coast, 30 hours to 51 hours

Flight Plan: Translunar Coast, 51 hours to 61 hours

Flight Plan: Translunar Coast, 61 hours to 78 hours



9.5.2 Translunar Coast

A clock update was performed at approximately 55 hours to compensate for a weather hold of approximately 40 minutes during the launch countdown. This procedure was ' an aid to the Command Module Pilot while in lunar orbit because it eliminated the need for numerous updates to the Command Module Pilot's solo book.

9.5.3 Midcourse Correction

Two midcourse corrections were performed during the translunar coast phase. The first midcourse correction was performed at the second option point and placed the spacecraft on a hybrid trajectory. The maneuver was performed under control of the guidance and control system with residuals of plus 0.2, zero, and minus 0.1 ft/sec. The second midcourse correction was performed at the fourth option point and was targeted for a velocity change of 4.8 ft/sec. It was a service propulsion system maneuver performed under control of the guidance and control system. The residuals were plus 0.3, zero, and minus 0.1 ft/sec.



Flight Plan: Lunar Orbit Insertion, Descent Orbit Insertion, 78 hours to 88 hours



9.6 LUNAR ORBIT INSERTION

Residuals resulting from the lunar orbit insertion maneuver were plus 0.3, zero, and zero ft/sec. The firing time was within 1 second of the pad value*. The only unexpected item noted during this maneuver was the operation of the propellant utilization and gaging system. The preflight briefings on the system indicated that, at crossover, the unbalance meter would oscillate and then settle out in the 100 to 150 increase position. At crossover, during the actual maneuver, the unbalance meter went from its decrease position smoothly up to approximately zero. It was controlled about the zero point using the increase and normal positions of the switch.

* Pad values are the voice-updated parameter values used to perform a maneuver.

9.7 DESCENT ORBIT INSERTION

On Apollo 14, for the first time, the descent orbit insertion maneuver was made with the service propulsion system. The command module computer indicated a 10.4- by 58.8-mile orbit after the maneuver. The Network indicated a 9.3- by 59.0-mile orbit. The firing time observed by the crew was 20.6 seconds. Pad firing time was 20.8 seconds. The maneuver was controlled by the guidance and control system with command module computer shutdown. Immediately after the descent orbit insertion maneuver, the spacecraft was oriented to an attitude from which an abort maneuver could have been performed if required, and shortly after acquisition of signal, Houston gave a "go" to stay in the low orbit. Pad firing time was the crew monitoring shutdown criteria. This technique virtually eliminated the possibility of an unacceptable overspeed. Pad values are the voice-updated parameter values used to perform a maneuver.

Flight Plan: Lunar Module Checkout, Undocking and Separation, 88 hours to 105 hours



9.8 LUNAR MODULE CHECKOUT

The checkout of the lunar module was conducted in two phases - the first during translunar coast and the second on the day of the descent. Pressure readings, prior to entering the lunar module, indicated that the lunar module had a low leakage rate. Power transfer to the lunar module occurred at 61:41:11. The only anomaly was a slightly low voltage reading on battery 5. There were about five or six very small screws and washers floating around upon ingress. During this period, 16-mm motion pictures were made of a command module waste water dump. Some additional housekeeping and equipment transfer served to reduce the workload on descent day. Power was transferred back to the command module at 62:20:42.

The second lunar module checkout was accomplished on the same day as powered descent initiation. Two checklists, one for each pilot, were used to speed up the activation process. The Commander and the Lunar Module Pilot both suited in the command and service module prior to intravehicular transfer, but all equipment had been located the night before to assure that this would be a timely and successful process. An electrode problem with the Lunar Module Pilot's biosensors made this period full with no extra time available. The window heaters were used to clear some condensation found after ingress. The probe and drogue were installed and checked with no problem. Prior to reaction control system pressurization, the system A main shutoff valve clicked during recycle, indicating that it was probably closed at that time.

The remainder of the activation proceeded without incident until separation. Subsequent to separation, the checkout of the lunar module systems continued with only two additional problems becoming evident.

a. The S-band antenna behavior was erratic at various times when in the "auto" track mode. On two occasions, the S-band antenna circuit breaker opened without apparent reason, but functioned properly upon being reset. On at least two other occasions, the ground signal was lost unexpectedly. The antenna drove to the mechanical stop, at which time the breaker opened (as expected). An unusually loud noise associated with the antenna was noted. It was subsequently found, by observing the antenna shadow on the lunar surface, that the noise was coincident with an oscillation in both pitch and yaw. Upon one occasion, the antenne pitch position indicator dial was observed to be full-scale up, with the antenna functioning properly. This anomaly corrected itself a short time later and did not recur.

b. The other major problem, which occurred before powered descent initiation, was observed by the Mission Control Center. The crew was advised of an abort discrete being set in the lunar module guidance computer with the abort button reset. The crew did not participate significantly in solving this problem except to follow the instructions given by the Mission Control Center. The remainder of the lunar module checkout was nominal up to the point of powered descent initiation.



Flight Plan: Powered Descent, EVA-1 Preps, 105 hours to 115 hours



9.9 POWERED DESCENT

The primary guidance computer was used to select the descent program for an initial ignition algorithm check (that is, a verification of computer performance) about 50 minutes prior to actual ignition. The computer was also targeted for a no-ignition abort at this time. Final systems checks and switch settings were then made and the abort guidance system was initialized to the ground state vector (which had been uplinked 30 minutes prior to ignition). The anomalies present at this time included the computer abort bit problem and the S-band steerable antenna malfunction. To assure continuous communications, a decision was made to use omnidirectional antennas during powered descent.

The descent program was re-selected in the primary computer at ignition minus 10 minutes and a final attitude trim was completed about 5 minutes later. The first computer entry, to inhibit the abort command, was made just after final trim. The remaining entries were made after ignition. Both the ullage and the ignition were automatic and occurred on time. The engine was throttled-up manually by the Commander 26 seconds after ignition. The throttle was returned to the idle position after the computer entries had been completed, at about 1 minute 25 seconds into the firing. The computer guidance was initialized, by manual keyboard entry, about 42 seconds after ignition. A landing point target update of 2800 feet downrange was entered manually about 2 minutes 15 seconds after ignition. The steering equations and torque-to-inertia ratio of the lunar module simulator are nearly identical to those for the actual vehicle. Therefore, the pilot's preflight training was completely adequate for the actual vehicle response exhibited during the descent phase.

The throttle recovery point occurred about 12 seconds prior to the predicted time. The altitude and velocity lights of the computer display continuously indicated that landing radar data were invalid to an altitude well below the nominal update level. A call was received from the Mission Control Center to "cycle the landing radar circuit breaker." This allowed a valid update. The lights extinguished and the computer entry was made to enable this function at an altitude of about 21 000 feet. The Commander did not evaluate manual control after throttle recovery, as planned, because the time required for the landing radar update precluded such action. The abort guidance system followed the primary system very closely during the period prior to landing radar update. There was, therefore, only a single altitude update to the abort system. This update was made at an altitude of 12 000 feet. There was no abnormal divergence of the abort guidance system through the remainder of the landing phase.

The landing program of the primary computer was entered 8 minutes 44 seconds after ignition and at an altitude of about 8000 feet. The vehicle pitched down, as expected, and the lunar surface was readily visible. The target landing point was recognized immediately by the Commander without reference to the computer landing point designator. The unique terrain pattern contributed to this successful recognition, but the determining factor was the high fidelity of the simulator visual display and the training time associated with the device. The first comparison of the landing point designator showed zero errors in cross range and down range. A redesignation of the target point 350 feet to the south was made at an altitude of about 2700 feet to allow a landing on what had appeared to be smoother terrain in the preflight studies of charts and maps. Several cross references between the target and the landing point designator were made until an altitude of about 2000 feet was reached, and good agreement was noted. At some altitude less than 1500 feet, two things became apparent first, that the rede-signated (south) landing point was too rough and, second, that the automatic landing was to occur short of the target.

The manual descent program was initiated at an altitude of 360 feet at a range of approximately 2200 feet short of the desired target. The lunar module was controlled to zero descent rate at an altitude of about 170 feet above the terrain. Translation maneuvers forward and to the right were made to aim for the point originally targeted. Although this area appeared to be gradually sloping, it was, in general, smoother than the ridge south of the target. The fact that no dust was noted during the translation was reassuring because it helped corroborate the primary computer altitude. Velocity on the cross pointer was about 40 ft/sec forward at manual takeover and this was gradually reduced to near-zero over the landing point. A cross velocity of about 6 ft/sec north was also initiated and gradually reduced to zero over the landing point. The cross pointers (primary guidance) were steady and their indications were in good agreement with visual reference to the ground. Control of the vehicle in primary guidance attitude-hold mode and rate-of-descent mode was excellent at all times. The use of the lunar landing training vehicle and the lunar module simulator had more than adequately equipped the pilot for his task. It was relatively easy to pick out an exact landing spot and fly to it with precise control.

Blowing surface dust was first noted at an altitude of 110 feet, but this was not a detrimental factor. The dust appeared to be less than 6 inches in depth and rocks were readily visible through it. A final descent from 100 feet was made at a descent rate of 3 ft/sec, with a deliberate forward velocity of about 1 ft/sec and, essentially, zero cross range velocity. The forward velocity was maintained until touchdown to preclude backing into any small craters. To provide a soft landing, a delay of about 2 seconds was allowed between acquisition of the contact lights and activation of the engine stop button. Touchdown occurred at shutdown with some small dust-blowing action continuing during engine thrust tailoff or decay. The landing forces were extremely light and the vehicle came to rest within 1 degree of zero in pitch and yaw attitudes, and with a 7degree right roll attitude (northeast tilt). (Refer to figure 8-2.)

Some lineations were evident in the area of thrust impingement on the surface along the final track and in the landing area. As might be expected, these areas are generally coincident with those in which blowing surface dust was noted at low altitudes. The area in the vicinity of the descent engine after touchdown appeared to have been cratered only to a depth of about 6 inches and, as photographs show, only in a small, welldefined area.

There were no spurious thruster firings after touchdown. The lunar dump valves were recycled with no anomalies noted and the descent engine propellant vents were initiated. Although the primary guidance computer was targeted with a lift-off time of 108:24:31, this early lift-off time was not required. The lunar "stay" was forwarded by the Mission Control Center and the computer was set to idle at 108:21:13.

The S-band communications were maintained on the forward omnidirectional antenna during the descent, switched to aft at pitchdown, and then switched to the steerable antenna, in "slew" mode, after the lunar stay was approved.

Flight Plan: Powered Descent, EVA-1 Preps, 105 hours to 115 hours

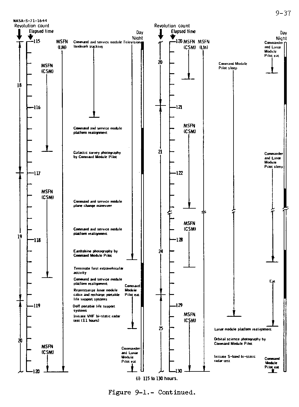
Flight Plan: EVA-1 Preps, EVA-1, EVA-1 Post, 115 hours to 130 hours

Flight Plan: EVA-2 Preps, EVA-2, EVA-2 Post, 130 hours to 140 hours





9.10 LUNAR SURFACE ACTIVITY

9.10.1 Cabin Activity

Operations.- Subsequent to lunar module touchdown, lunar surface activities progressed in accordance with the checklist. On the checklist is an item requesting a description of the lunar surface to the Mission Control Center. Although important from a scientific point of view, this task proved to be most useful in allowing the crew to acclimate themselves to the lunar environment and, in conjunction with Mission Control, to determine more precisely the location of the lunar module. In subsequent extravehicular work, it will be important that the crewmen have a precise knowledge of their starting point on the traverse map.

The preparation for the first extravehicular period was nominal at all times except for a communications problem which became evident during switchover to portable life support system communications. This problem subsequently proved to be the result of cockpit error, which points again to the necessity of having checklists that leave no latitude for misinterpretation. The cue cards utilized during all of the extravehicular preparations and the post-extravehiculax activity were quite adequate except for the one entry. However, the cue cards need to be attached more securely to the instrument panel to prevent their being dislodged by inadvertent contact.

Very little sleep was obtained. This resulted primarily from being uncomfortable in the suits, but was also due, in a lesser degree, to the tilt of the cabin. The tilt was especially noticeable during the sleep periods and made sleep difficult because the crew was uneasy in this awkward position. It is the crew's feeling that an unsuited sleep period would greatly contribute to sufficient crew sleep for the longer missions.

In general, the lunar module cabin provided an adequate base of operations during lunar surface activities in spite of the small area and the 7-degree tilt. However, it is felt that, were the lunar module to land on terrain inclined more than about 10 to 12 degrees, some difficulty would be experienced in moving about the cabin.

Equipment.- On the lunar surface, the alignment optical telescope was satisfactorily used to align the platform. Reflections in the alignment optical telescope appeared to come from the lunar module rendezvous radar antenna and the lunar module upper surfaces. These reflections eliminate the less-bright stars as candidates for use. During alignment optical telescope sighting, the radar antenna had drifted from its parked position into the field of view of the telescope. The antenna was repositioned before continuing with the alignments.

A difficulty was experienced with the interim stowage assembly in the lunar module cabin. Its retaining brackets did not hold satisfactorily. The interim stowage assembly was continually slipping out of the aft, upper restraint and interfering with cabin activity. There was no adequate place to stow used urine bags; consequently, they were in the way until such time that they could be placed in jettison bags for disposal. The disposable containers and jettison bags which were stowed in the 16-mm camera compartment on the left-hand side fell out while the camera was being removed, creating a short delay during hard-suit operations.

Even though extravehicular preparations and post -ext ravehi cular procedures were quite adequate, meticulous effort is required to properly stow a large number of lunar surface samples. Although there is adequate stowage space when samples are properly handled, it is impossible to estimate the number, size and shape of the samples prior to flight. Thus, much time is required to sort, weigh and stow all of the material in the lunar module cabin in accordance with stowage area weight constraints. Marking of weigh bags as they are sorted and stowed is important.

Two hours after landing on the lunar surface, the rendezvous radar satisfactorily performed the command and service module tracking exercise.

9.10.2 Egress/Ingress

During cabin depressurization, a cabin pressure of less than 0.1 psia was required before the cabin door could be opened easily. The first person out is crowded as he egresses because the hatch cannot be fully opened to the Lunar Module Pilot's side with the other crewman standing behind it. The first person to egress must remember, or be coached, to lean to his left during egress in order to avoid the hatch seal. However, the hatch opening is adequate. During egress and ingress the crew must also remember to maintain horizontal clearance in order not to scrape the portable life support system and remote control unit on the upper and lower hatch seals. These techniques require practice but are worth the effort to assure integrity of the seal.

On previous missions, dust carried into the cabin during ingress was a problem. However, it did not seem to be a problem on Apollo 14, perhaps because there was less dust on the lunar surface, or perhaps, being aware of the problem made the crew more meticulous in contamination control than they would have been otherwise. Care was taken to remove the dust from the pressure garment assembly and other equipment before entry into the cabin. The brush that was used for pressure garment assembly cleaning was adequate. The technique of stomping the boots against the lunar module ladder seemed to help to some extent.

During egress and ingress, stability and mobility while on the lunar module ladder is adequate even when grasping the ladder with one hand. This leaves the other hand free to carry equipment. However, one should maneuver slowly and deliberately in order to assure stability when negotiating the lunar module ladder with one hand. No difficulty was experienced in passing equipment from the man on the surface to the man on the ladder. The lunar equipment conveyor and equipment transfer bag worked more easily than in one-g simulations.

9.10.3 Lunar Surface Operations

Mobility.- Mobility on the lunar surface is excellent. Each crew man employs a technique for travel that is most suitable for that individual. The step-and-hop gait appears to require a minimum of effort. The 1/6th-g simulations in the KC-135 aircraft were adequate to give one a feel of the lunar surface gravitational field. The zero-g experienced on the way to the moon aided considerably-in conditioning for good mobility during operations in 1/6g. There was very little tendency to over-control or use too much force when using tools or walking on the lunar surface.

Visibility.- Visibility on the lunar surface is very good when looking cross-sun. Looking up-sun, the surface features are obscured when direct sunlight is on the visor, although the sunshades on the lunar extravehicular visor assembly helped in reducing the sun glare. Looking down-sun, visibility is acceptable; however, horizontal terrain features are washed out in zero phase, and vertical features have reduced visibility. A factor in reducing down-sun visibility is that features are in the line of sight of their shadows, thus reducing contrast. A crewman's shadow appears to have a heiligenschein around it. The visibility on the lunar surface also distorts judgment of distance. There is a definite tendency to underestimate distance to terrain features adequate range finder is essential.

Navigation.- Navigation appears to have been the most difficult problem encountered during lunar surface activities. Unexpected terrain features, as compared to relief maps, were the source of navigational problems. The ridges and valleys had an average change in elevation of approximately 10 to 15 feet. The landmarks that were apparent on the navigational maps were not at all apparent on the surface. Even when the crewmen climbed to a ridge, the landmark often was not clearly in sight. Interpretation of the photography contributes to the navigation problem because photographs of small craters make them appear much smaller than they do to the eye. On the contrary, boulders reflect light so that in the orbital photographs they appear much larger than they do in the natural state. Boulders 2 or 3 feet in size sometimes appear in the orbital photography, but craters of that size are completely indiscernible.

Dust.- Dust on the lunar surface seemed to be less of a problem than had been anticipated. The dust clings to soft, porous materials and is easily removed from metals. The pressure garments were impregnated with dust; however, most of the surface dust could be removed. The little dust that accumulated on the modular equipment transporter could easily be removed by brushing. The lunar map collected dust and required brushing or rubbing with a glove to make the map usable.

Timeline.- Operations on the lunar surface required a much longer time than had been anticipated. The planned activities require 25 to 30 percent more time than would be required under one-g conditions. Scheduling additional activities, in the event that certain portions of the extravehicular activity have to be cancelled, is advisable.

9.10.4 Lunar Module Interfaces

Modular equipment stowage assembly.- The release handle was pulled and the assembly dropped to a height suitable for operations on the lunar surface. The modular equipment stowage assembly was manually adjusted to a higher position to remove the modular equipment transporter and readjusted to a lower position for subsequent operations. The height adjustments were made without difficulty. The thermal blankets were more difficult to take off than had been anticipated. Similarly, the thermal blankets which protected the modular equipment transporter supported its weight and manual removal of the blankets was required during modular equipment transporter deployment.

As on previous flights, all cables used on the lunar surface had sufficient set to prevent them from lying flat when deployed on the lunar surface. Both crewmen became entangled in the cables from time to time. The cables emanating from the modular equipment stowage assembly area should either be buried or routed through restraining clips to keep them from being underfoot during work around the modular equipment stowage assembly.

Scientific equipment bay.- Both the doors and the pallets were removed easily from the scientific equipment bay by utilizing the booms. The pallets could have been removed manually if required. However, the height of the pallets was at the limit for easy manual deployment on level terrain.

The offloading of the Apollo lunar surface experiment package was somewhat hindered by a small crater 8 to 10 feet to the rear of the lunar module. However, sufficient working area was available in which to place a pallet and conduct fueling operations.

Since the landing gear did not stroke significantly during the landing, a jump of about 3 feet was required from the footpad to the lowest rung of the ladder. This provided no appreciable difficulty; however, a firm landing which would stroke the landing gear a few inches would facilitate a manual offloading operation as well as egress and ingress.

9.10.5 Lunar Surface Crew Equipment

Extravehicular mobility unit.- Both extravehicular mobility units performed well during both of the extravehicular activities. There was sufficient cooling in the minimum position for normal activity. Both crewmen were required to go to intermediate, or between minimum and intermediate, for various periods of time during the climb to Cone Crater and the high-speed return from Cone Crater to Weird Crater. However, other than during these periods, minimum cooling was used predominantly.

The Lunar Module Pilot's pressure garment assembly evidenced a higherthan-usual leak rate for the first extravehicular activity, dropping 0.25 psi during the 1-minute check. The suit showed no drop during preflight checkout.

The Commander's urine collection transfer assembly hose had a kink in it which prevented proper transfer of the urine to the collection bags. Before both extravehicular activities it was necessary to unzip the suit and straighten this kink out. In one instance the suit was removed to the waist to facilitate access. The only other minor problem with the pressure garment assembly concerned the Lunar Module Pilot's right glove. The glove developed an anomalous condition before the second extravehicular activity which caused it to assume a natural position to the left and down.

It should be noted that the wrist-ring and neck-ring seals on both pressure garment assemblies were lubricated between extravehicular activities. At that time, there was very little evidence of grit or dirt on the seals. Lubricating the seals between extravehicular activities is a procedure that should be continued on subsequent missions.

Modular equipment transporter.- The modular equipment transporter deployed satisfactorily from the lunar module except as previously noted. The spring tension on the retaining clips was sufficient to hold all the equipment on the modular equipment transporter during lunar surface activities. However, with the transporter unloaded, the retaining springs have sufficient tension to lift it clear of the lunar surface when placing equipment in stowage locations. This was not noticed after the transporter was fully loaded.

The wheels did not kick up or stir up as much dust as expected before the flight. Very little dust accumulated on the modular equipment transporter.

The modular equipment transporter was stable, easily pu~l?d., and proved to be a very handy device for both extravehicular activities. Only at maximum speeds did the transporter evidence any instability and, then, only because of rough terrain. This instability was easy to control by hand motion on the triangular-shaped tongue.

Hand tool carrier.- The hand tool carrier mated to the modular equipment transporter well, and was adequately retained by the hand tool carrier retaining clip. All stowage areas except the deep pocket were acceptable. This pocket was very difficult to reach when standing adjacent to the modular equipment transporter. It is too deep for one to easily retrieve small items. With this exception, the hand tool carrier performed satisfactorily.

Cameras.- All cameras carried in the lunar module worked well. Only two anomalies were noted. On the Commander's camera, the screw which retains the handle and the remote control unit clip worked loose several times and had to be retightened. The second anomaly concerned a 16-mm magazine which jammed and produced only 30 feet of usable film.

The television camera performed satisfactorily. It seems to be a useful tool for lunar surface exploration. A remotely operated camera with adjustment of focus, zoom, and lens setting controlled from the ground would be very useful in making available lunar surface time presently required for these tasks.

S-band erectable antenna.- The S-band antenna was easily offloaded from the lunar module and presented no problems in deployment except that the netting which forms the dish caught on the feed horn and had to be released manually. The antenna obstructs the work area immediately around the modular equipment stowage assembly. A longer cable would allow deployment at a greater distance from the lunar module. Although the deployment and erection of the S-band antenna is a one-man job, the antenna is more easily aligned with the two crewn-en cooperating.

Lunar surface scientific equipment.- Offloading of the Apollo lunar surface experiments subpackages was normal, and all operations were adequate except for the operation of the dome removal tool. It required several attempts to lock the dome removal tool onto the dome. During the traverse to the Apollo lunar surface equipment package deployment site, the pallets on either end of the mast oscillated vertically and the mast flexed, making the assembly difficult to carry and to hold in the hands. However, the arrangement is acceptable for traverse up to approximately 150 yards.

There was some difficulty in finding a suitable site for Apollo lunar surface experiments package deployment because of undulations in the terrain. It was necessary to spend several moments considering the constraints that had been placed on Apollo lunar surface experiments package deployment and matching those to the site in order that the experiments could be properly deployed. After the site had been selected, the lunar dust presented some problems for the remainder of the Apollo lunar surface experiments package deployment. The suprathermal ion detector experiment sub-pallet had dust piled up against it and into the hidden Boyd bolt, which must be reached blind with the hand tool. Several minutes were wasted before the suprathermal ion detector experiment was successfully released from the sub-pallet. Subsequent to that, the suprathermal ion detector experiment was carried to its deployment site and additional difficulty was experienced in handling the three components of this experiment simultaneously. The suprathermal ion detector experiment was not sufficiently stable to prevent it from turning over several times during deployment.

No problems were experienced during removal of the mortar pack. During deployment, however, the footpads rotated out of the proper position, and the package had to be picked up and the pads rotated to a position in which they would rest properly against the surface.

The thumper deployed as expected, but the lunar regolith was so loose that the center geophone was pulled out during deployment of the last half of the thumper cable. This was confirmed during return along the line. Only 13 of the 21 thumper cartridges were fired and the first several of these required an extraordinary amount of force to fire them (section 14.4.1). The problem seemed to clear up for the last several initiators and the equipment operated precisely as expected.

Laser ranging retro-reflector experiment.- The laser reflector was deployed and leveled in the normal fashion and in the prescribed location. The dust cover was removed, the level rechecked, and the unit photographed.

Solar wind composition experiment.- No difficulty was experienced in erection of the solar wind composition experiment. The only anomaly occurred during the retrieval of the apparatus, at which time it rolled up only about half way and had to be manually rolled the remainder of the distance.

Lunar portable magnetometer experiment.- This piece of equipment performed quite satisfactorily. The only Tifficulty experienced was the reeling in of the cables. The set in the cable prevented a successful rewind; consequently, the cable was allowed to protrude in loops from the reel during the remainder of the traverse (section 14.4.3).

Geology.- The geology hand tools are good and, if time had permitted, they would have all been used. As in previous missions, the hammer was used by striking with the flat of the hammer rather than the small end. The only discrepancy associated with the geology tools was the use of the geology sample bags. It was difficult to find rocks small enough to fit into the small sample bags. Furthermore, they are hard to roll up. The tabs which should facilitate rolling up the bags become entangled, making it difficult to remove them from the dispenser.

9.10.6 Lunar Surface Science

Geology.- The appearance of the lunar surface was much as expected. A loose gray mantle of material covered the entire surface to an undetermined depth; however, core tubes driven into the surface would not penetrate more than 1-1/2 tube lengths and, in most cases, considerably less than that. A "rain drop" pattern over most of the regolith was observed and is clearly shown in photographs. Also observed, in certain sections of the traverse, were small lineations in the regolith material, which can be seen in certain photographs.

There was evidence of cratering and recratering on all of the area that was traversed. There was no surface evidence of multiple layers. Even in the craters, the loose gray mantle covered the entire surface, except where rocks protruded through, and concealed any evidence of stratigraphy. In the trench dug by the crew, however, evidence of three different layers was found. In one or two places on the flank of Cone Crater the crewmen's boots dug through the upper layer exposing a white layer about 3 inches from the surface. It is interesting to note that very few rocks are entirely on the lunar surface; most are buried or partially buried. Nearly all rocks of any size have soil fillets around them. The small rocks are generally coated with dirt, but some of the larger rocks are not. Many of the larger rock surfaces are soft and crumbly. However, when one uses the hammer and breaks through this, it is found that they are hard underneath.

Subtle variations in rocks are not easily discernible, primarily because of the dust. It must be remembered that the crew selected candidate samples after having observed the rocks from at least 5 or 6 feet away in order to prevent disturbing the soil around them. Features which are obvious in a hand-held specimen are not discernable at initial viewing distance. Furthermore, once the rock has been sampled, good utilization of time precludes examining the rock except to note its more prominent features. The point is that only the characteristics of a rock that are discernible at the initial viewing distance enter into the decision to sample. Sampling strategy should allow for this limitation when a wide variety of samples is desired.

The crew did observe, however, the evidence of breccia in some of the rock; and, on a few occasions, crystalline structure was evident. In most cases, the crystals were small. Only on two occasions was glass seen on the lunar surface at Fra Mauro. In one small crater there seemed to be glass-like spatter on the bottom. In the traverse to the rim of Cone Crater, one 3-foot rock was observed to be well coated with "glass".

The population of rocks in the Fra Mauro area was surprisingly low, much less than 0.5 percent of the total area. Predominantly, the rocks in evidence were 3 to 5 centimeters or smaller and, being covered with dirt, were in many cases indistinguishable from irregularities in the surface or from clumps of soil. As the crew progressed to the crest of Cone Crater, boulders became more prominent. In the boulder field, on the southeast edge of Cone, the boulder population reached, perhaps, 3 to 5 percent of the entire surface, with many boulders undoubtedly being concealed just below the surface. Rays were not discernible on the edge of the craters, possibly because of the low population and also because the nearest horizon was seldom more than 150 feet away.

Soil mechanics.- Footprints on the lunar surface were not more than 1/2 inch to 3/4 inch deep except in the rims of craters, where, at times , they were 3/4 inch to 1-1/2 inches deep. The modular equipment transporter tracks were seldom more than 1/2 inch deep. The penetrometer was easily pushed into the lunar surface almost to the limit of the penetrometer rod. During the trenching operation, the trench walls would not remain intact and started crumbling shortly after the trench was initiated. When obtaining one core tube sample, the soil did not compact and spilled from the tube upon withdrawal.

Flight Plan: Ascent, Rendezvous, LM Jettison, 140 hours to 150 hours



9.11 ASCENT, RENDEZVOUS, AND DOCKING

Although the ingress at the conclusion of the second extravehicular period was approximately 2 hours ahead of the timeline, an hour of this pad was used up in stowing samples and equipment preparatory to liftoff. The remaining hour assured adequate time for crew relaxation and an early start on pre-ascent procedures. There were no deviations from the checklist, although a standby procedure was available in the event of subsequent communications problems. Lift-off occurred on time. As in previous missions, debris from the interstage area was evident at staging. In addition, at docking, the Command Module Pilot reported a tear in ascent stage insulation on the bottom right side of the lunar module ascent stage (section 8.1).

Ascent was completely nominal with auto ignition and cutoff. Both guidance systems performed well. The Mission Control Center voiced up an adjustment maneuver which was performed at 141:56:49.4 using the reaction control system. The adjustment delta velocity was monitored with both guidance systems.

9.11.1 Rendezvous

Following the adjustment firing, a manual maneuver was made to the tracking attitude and rendezvous navigation procedures were initiated. For the backup charts, an elapsed time of 4 minutes 3 seconds was available (from the beginning of the adjustment maneuver until the required terminal phase initiation minus 30 minutes rendezvous radar mark). This proved to be insufficient time to complete the required procedures comfortably. The backup charts should be revised to permit ample time to obtain this first mark. The guidance systems were updated independently using their respective insertion state vectors as initial conditions. Nineteen marks were obtained with the primary guidance system. The abort guidance system updates were commenced at terminal phase initiation minus 27 minutes and continued to terminal phase initiation minus 7 minutes at which time the maneuver solution was compared. Eight marks were entered into the abort guidance system. The solutions from both lunar module guidance systems compared extremely well, agreeing on line-of-sight angles within 0.3 degree and on total delta velocity within 1.6 ft/sec. Because of VHF difficulties (section 14.1.4), the command module computer was updated with sextant marks only, prior to terminal phase initiation and produced a maneuver solution of minus 67.4, plus 0.5, minus 69.2 (uncorrected) compared with the primary guidance navigation system solution of plus 62.1, plus 0.1, plus 63-1. Using a two-out-of-three vote, the primary guidance navigation system solution was selected for the maneuver, and the corresponding rotated vector was entered into the abort guidance system. The ascent propulsion system terminal phase initiation maneuver was executed without incident. As anticipated, the guided ascent propulsion system shutdown resulted in a slight underburn.

Subsequent to terminal phase initiation, both lunar module navigation solutions were reinitialized and tracking was resumed. Simultaneously, the command module VHF tracking was found to be operating and both sextant and VHF marks were entered into the command module computer. The first midcourse solution in the primary guidance navigation system was used. The abort guidance system solution for the first midcourse correction was in excess of 5 ft/sec; consequently, this solution was discarded and abort guidance system navigation was continued without reinitialization. At the second midcourse correction, the primary guidance navigation system solution was used, and the abort guidance system solution was within 2 ft/sec.

The lunar module remained active during braking and the rendezvous was completed without incident. After passing through the final braking gate, the lunar module began station keeping on the command and service module. The Command Module Pilot executed a 360-degree pitch maneuver. No anomalies were observed during the inspection of the command and service modules. Consequently, the Commander proceeded with the predocking maneuver consisting of a 90-degree pitch down and right yaw to bring the lunar module docking target into the Command Module Pilot's field of view. At this point in the mission, the abort guidance displays were blank and the flight director attitude indicator, driven by the abort guidance system, was still indicating 150 degrees pitch and zero yaw. Efforts to restore the abort guidance system to operation were unsuccessful (section 14.2-5). Docking with the command and service module active was completed uneventfully, despite earlier concern about the docking mechanism.

The transfer of crew and equipment to the command and service module proceeded on schedule but with some concern regarding the time remaining to complete assigned tasks. The time allotted proved to be adequate but not ample. The procedures for contamination control in the command module were quite satisfactory, and particles were not observed in the command module subsequent to hatch opening.

Flight Plan: Circularization, Lunar Orbital Science, Landmark Tracking, 105 hours to 115 hours

Flight Plan: Lunar Orbital Science, Plane Change, Landmark Tracking, 115 hours to 130 hours

Flight Plan: Lunar Orbital Science, Landmark Tracking, 130 hours to 140 hours



9.12 COMMAND AND SERVICE MODULE LUNAR ORBIT ACTIVITIES

9.12.1 Circularization and Plane Change Maneuvers

Two service propulsion system firings were made during the command and service module solo phase. The circularization maneuver, which placed the command and service module in approximately a 60-nautical-mile circular orbit, was a 4-second firing performed after separating from the lunar module. The maneuver was controlled by the guidance and control system and resulted in a 2.0 ft/sec overspeed, which was trimmed to 1.0 ft/sec. Subsequent to this maneuver, a change to the constants in the command module computer short firing logic was uplinked by the Mission Control Center. The plane change maneuver was nominal with an 18second firing controlled by the guidance and control system.

9.12.2 Landmark Tracking

All tracking, with the exception of the lunar module on revolution 17, was done using the telescope with the 16-nn data acquisition camera mounted on the sextant. Fourteen landmarks were tracked by the command and service module, two of these near perigee while in the 60- by 8nautical-mile orbit. The low-altitude landmark tracking was accomplished with no significant difficulties. Acquisition of the target was no problem and the manual optics drive provided constant tracking of the landmark through nadir.

Landmark DE-2 was not tracked satisfactorily. The high sun angle at the time of tracking prevented acquisition of the landmark. Another landmark in the area of DE-2 was tracked and identified from the 16-mm photographs. All of the other landmarks were tracked quite easily. With the exception of DE-2, all of the graphics for the landmark targets were very satisfactory.

The lunar module, on the surface, was tracked on revolution 17. The sun reflecting from the lunar module as well as the long shadow of the lunar module made identification positive. Acquisition of the lunar module was accomplished by using the site map in the lunar graphics book and identification of surface features in the landing area. Also, on revolution 29, between scheduled landmarks, the lunar module was again acquired by manual optics. At that time, the sun could be seen reflecting off the Apollo lunar surface experiment package station.

9.12.3 Bootstrap Photography

The lunar topographic camera was used on revolution 4 to obtain pictures of the proposed Descartes landing site from the low orbit. Approximately one-third of the way into the photography pass, a loud noise developed in the camera. The camera counter continued to count and the photography pass was completed. One entire magazine was exposed. Subsequent troubleshooting established that the shutter was not operating properly (section 14.3-1). The only other pictures taken with the lunar topographic camera were of the lunar module landing on the surface.

The flight plan was changed so that three photography passes on the Descartes site were made using the 500-mm lens on the 70-mm Hasselblad camera mounted on a bracket in window 4 (fig. 9-2). The Descartes site was tracked manually with the crew optical alignment sight and the camera manually operated to expose a frame every 5 seconds. The ground supplied inertial angles and times to start the camera and the spacecraft maneuver. The spacecraft was maneuvered in minimum impulse to keep the crew optical alignment sight on the target. These same procedures were also used on revolution 34 to photograph the area near Lansburg B where the Apollo 13 SIVB impacted.

Figure 9-2 - Lunar surface features in the Descartes landing site area.


A vertical stereo strip was obtained on revolution 26 using the 70-mm Hasselblad and 80-mm lens. This vertical stereo strip encompassed almost the entire ground track from terminator to terminator. A crew optical alignment sight maneuver was accomplished at the end of the strip for camera calibration.

9.12.4 Orbital Science Hand-Held Photography

Approximately half the planned targets for orbital science hand-held photography were deleted because of the flight plan change to use crew optical alignment sight tracking of the Descartes site. There were three stereo strips taken with the 500-mm lens using the hand-held mode (fig. 9-3). The ring sight was used to improve the sighting accuracy. Utilization of the camera in this mode was quite acceptable as long as the spacecraft attitude was satisfactory for target acquisition. During this flight, all hand-held photography was taken at the spacecraft attitude dictated by other requirements. On a few of the targets, the attitude made it difficult to satisfactorily acquire the target at the proper time out of any window.

Figure 9-3 - Selected stereo strip photographs from lunar orbit.
a. Western portion of King Crater
with smaller crater in left foreground having a 0.8 mile (1.3 km) diameter and located 32.4 miles (51.8 km) from the center of King Crater.

b. Central portion
of 41-mile (66 km) diameter King Crater.

c. Eastern portion of King Crater
photographed from 178 miles (285 km) away.



During the hand-held photography and also during the crew optical alignment sight tracking, a variable intervalometer would certainly have been an asset. A single-lens reflex camera would greatly simplify the pointing task. Having orbital science targets listed in the flight plan, at times they are available, is certainly more preferable than just listing them as targets of opportunity. This is true of both photographic and visual targets.

9.12.5 Zero-Phase Observations

The camera configuration was changed from that listed in the flight plan because the telemetry cable was not long enough to reach the camera mounted in the hatch window. This configuration was not checked prior to the flight because the bracket arrived late and no bracket was available for the simulator. A mark was given over the intercom and/or the air-to-ground loop on the first and last camera actuation of each pass. It was noted that the camera operated close to zero phase on each target. Eight separate areas were listed for zero-phase observations but only six of these were observed. The other two were cancelled as a result of a flight plan change. Four of the targets were on the back side of the moon and two were on the front side. There was a significant difference in the ability to observe the targets at zero phase between the back-side and front-side targets. The two significant parameters are albedo and structural relief, or contrast. Because of the lack of contrast in relief on the back side, the targets were difficult or, in some cases, impossible to observe at zero phase. Two views of a back-side target, one at zero phase and one at low phase, are shown in figure 9-4. The two front-side targets were craters located in a mare surface. The structural relief between the flat surface and the crater rim made the targets more visible at zero phase.

9.12.6 Dim-Light Photography

The window shade for the right-hand rendezvous window was easy to install and appeared to fit properly. In addition to using the window shade, the flood lights near the right-hand rendezvous window were taped. The green shutter actuation light on the camera was taped and, in general, all spacecraft lights were turned off for the dim-light photography.

All of the procedures were completed as listed in the flight plan. The only discrepancy noted was on the earth dark-side photography. There was considerable scattered light in the sextant when it was pointed at the dark portion of the earth. There was also a double image of the earth's crescent in the sextant.

9.12.7 Communications

Communications between the command and service module and the Manned Space Flight Network were marginal many times while in lunax orbit. The high-gain antenna pointing angles were very critical; a very small adjustment of the angles was the difference between having a good ccmmunication lockup or no acquisition at all (section 14.1.2).

The separate communications loop for the command and service module should be activated soon after command module/lunar module separation. The time between separation and touchdown is an extremely busy time for the lunar module and any prolonged communication with the command and service module is difficult, if not impossible. VHF communications with the lunar module were good at the time of separation and through touchdown. On rendezvous, the VHF communications from lift-off to shortly before terminal phase initiation were marginal. Also, the VHF ranging would not lock up or, when it did, a false range was indicated most of the time. Both antennas were tried, the squelch was adjusted, and ranging was turned off temporarily. However, none of these procedures improved the situation to any great degree (section 14.1.4). After terminal phase initiation the voice communications and VHF ranging were satisfactory.

Flight Plan: Ascent, Rendezvous, LM Jettison, Transearth Injection, 140 hours to 150 hours



9.13 TRANSEARTH INJECTION

The transearth injection maneuver was essentially nominal in all aspects. The only item worthy of comment occurred about 20 seconds prior to the end of the maneuver. There was a slight hum or buzz in the service propulsion system that continued through shutdown. Everything was steady, however, and it was not a matter of great concern. The residuals were plus 0.6, plus 0.8, and minus 0.1 ft/sec. These were trimmed to plus 0.1, plus 0.8, and minus 0.3 ft/sec. The firing time was within 1 second of the pad value.

Flight Plan: Transearth Coast, 150 hours to 171 hours

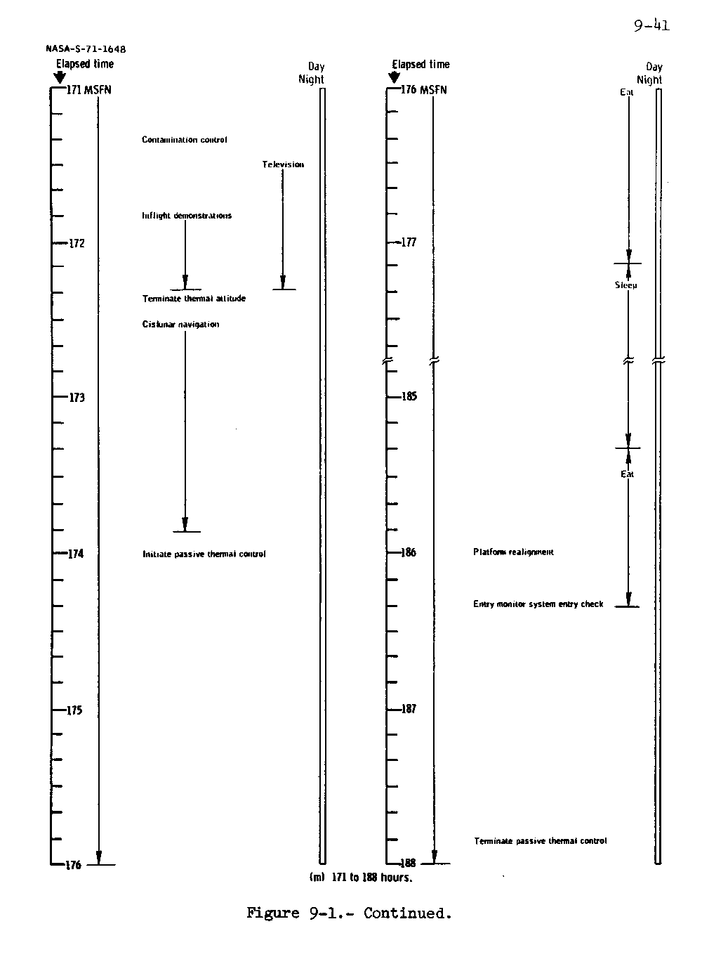
Flight Plan: Transearth Coast, 171 hours to 188 hours

Flight Plan: Transearth Coast, 188 hours to 198 hours

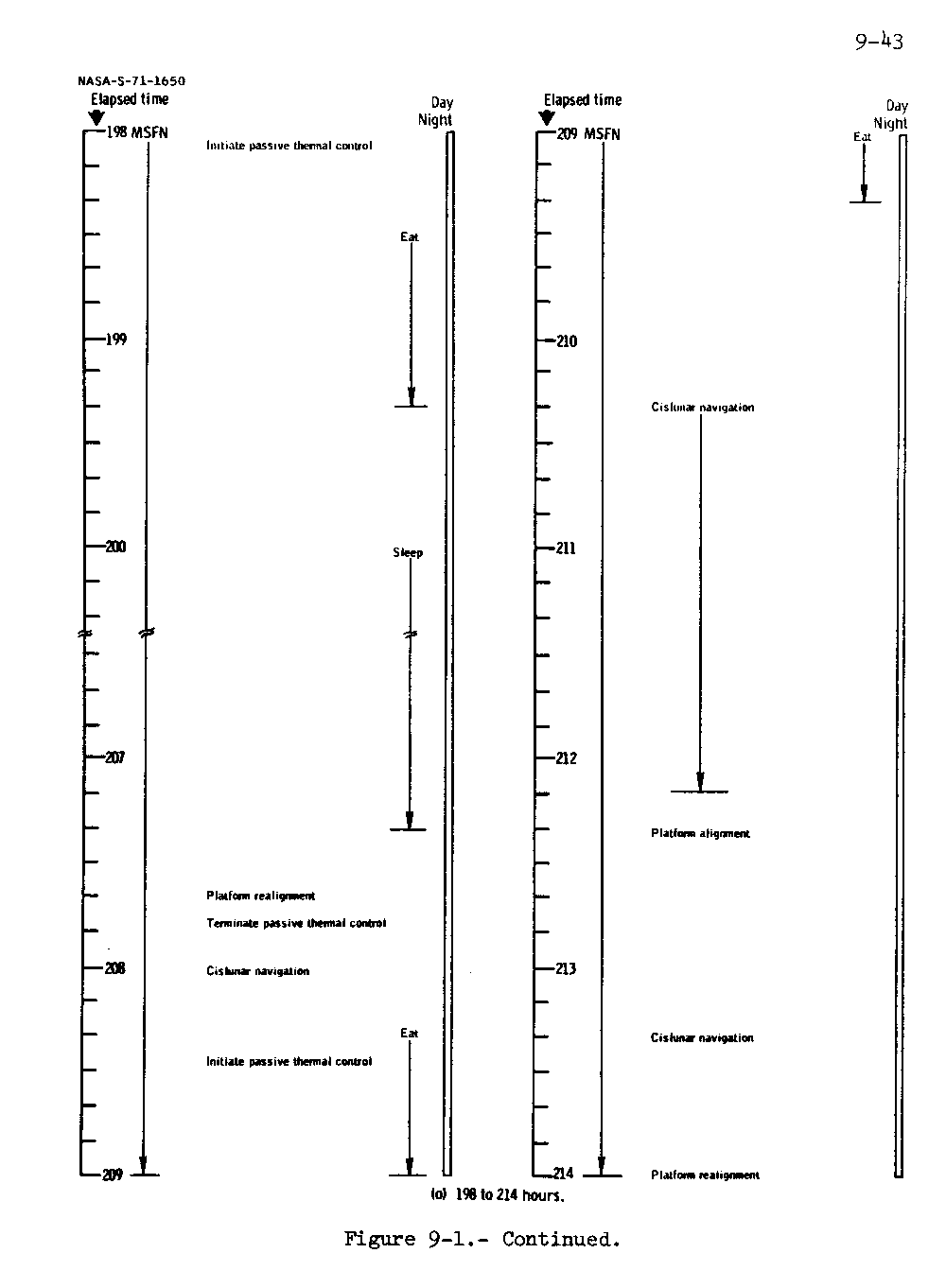
Flight Plan: Transearth Coast, 198 hours to 214 hours



9.14 TRANSEARTH COAST

The only midcourse correction during the transearth coast phase was one reaction control system maneuver performed approximately 17 hours after transearth injection. The total delta velocity was 0.7 ft/sec. During the transearth coast phase, a schedule of no-communications navigational sightings was completed. The state vector from the transearth injection maneuver was not updated except by navigational sightings. The state vector was downlinked to the Network prior to the one midcourse correction. The midcourse correction was then incorporated and uplinked to the spacecraft. An updated Network state vector was maintained in the lunar module slot at all times. Just prior to entry, the onboard state vector compared quite well with the vector obtained by Network tracking. In addition to the navigational sightings for the onboard state vector, additional sightings were performed to obtain data on stars outside of the present constraint limits. The updates obtained on the constraint stars were not incorporated into the state vector. The cislunar navigational sighting program would be improved if a recycle feature were incorporated. Recalling the program for each mark is a drawback to expeditious navigational sightings.

The rest of the transearth coast was like that of previous lunar missions with two exceptions--inflight demonstrations were performed to evaluate the effects of zero-gravity on physical processes, and a command and service module oxygen flow-rate test was performed. Even though the metal composites demonstration was started during translunar coast, there was not sufficient time while out of the passive thermal control mode to complete all of the 18 samples. The other three demonstrations were completed.

Flight Plan: Transearth Coast, Command Module/Service Module Separation, Entry, Splashdown, 214 hours to 216 hours



9.15 ENTRY AND LANDING

A change to the nominal entry stowage was the addition of the docking probe. The docking probe was tied down for entry at the foot of the Lunar Module Pilot's couch using procedures voiced by the Mission Control Center. Three discrepancies were noted during entry. The entry monitor system was started "nually at 0.05g time plus 3 seconds. The 0.05g light never illuminated (section 14.1-5). The steam pressure was late in reaching the peg. However, the cabin pressure was used as a backup. The time of steam pressure pegging was approximately 5 to 10 seconds late and occurred at an altitude below 90 000 feet. (Editor's note: The crew checklist gives a specific time at which the steam pressure gage should peg high relative to the illumination of the 0.05g light as an indication of the 90 000-foot altitude; however, the steam pressure measurement is only an approximate indication. The crew interpreted the checklist literally.] Also, power was still on at least one of the main buses after the main bus tie switches were turned off at 800 feet. The main buses were not completely powered down until the circuit breakers on panel 275 were pulled after landing (section 14.1.6)

The landing impact was milder than anticipated. The parachutes were jettisoned and the spacecraft remained in the stable I attitude. Recovery personnel arrived at the spacecraft before the completion of the 10-minute waiting period required prior to initiating inflation of the uprighting bags for a stable I landing. One parachute became entangled on the spacecraft and was cut loose by the recovery team. The carbon dioxide bottle on the Lunar Module Pilot's life preserver was loose and the vest would not inflate when the lever was pulled. The bottle was tightened, and then the life preserver inflated properly.

Chapter 10 - Biomedical Evaluation Table of Contents Apollo 14 Journal