Apollo 14
CSM Systems Checklist - Index
Systems Management
- 1-01 Propulsion system
- 1-02 Electrical power system
- 1-03 Electrical power system (continued)
- 1-04 Electrical power system (continued)
- 1-05 ECS - ECS monitoring check, ECS periodic redundant component check
- 1-06 ECS - CO2 absorber filter replacement
- 1-07 ECS - Debris screen check, CM O2 supply refill, Doff & don PGA, Partial suit checklist
- 1-08 ECS - Urine dump modes
- 1-09 ECS - Cabin pressurisation
- 1-10 ECS - Suit circuit integrity Check
- 1-11 ECS - PGA integrity check, CM pressure dump
- 1-12 ECS - Suit circuit H2 purge, Cabin cold soak
- 1-13 ECS - Evaporator operation, Potable water chlorination
- 1-14 ECS - Waste water tank drain, Side hatch urine/Water dump
- 1-15 ECS - Water collection, Water/gas separator servicing, Pre-LOI secondary glycol loop check
- 1-16 ECS - Contamination control
- 1-17 Caution and warning operational checks
- 1-18 Telecomm procedures - HGA operations
- 1-19 Telecomm - Chart, HGA scan and warning limit
- 1-20 Telecomm - Diagram - CSM antenna positions
- 1-21 Telecomm - TV camera operation (color)
- 1-22 Telecomm - VHF ranging operation, Rendezvous transponder activation & self test
- 1-23 Telecomm - Normal lunar configuration
- 1-24 Telecomm - Mods to normal lunar configuration
- 1-25 Telecomm - Mods to normal lunar configuration (continued)
- 1-26 Presleep/postsleep checklist
- 1-27 Diagram - RCS engine, vent and radiator locations
- 1-28 System test indicator conversion chart
- 1-29 RCS propellant gauging meter correction nomograph
- 1-30 SPS propellant nomograph
Lunar Module Interface
- 2-01 LM interface - IVT to LM (checkout, TLC)
- 2-02 LM interface - IVT to LM (undocking, PDI)
- 2-03 LM interface - Final IVT to CSM. Sub-checklist - CM/LM Pressure Equalisation
- 2-04 Sub-checklist - CM/LM pressure equalisation (continued)
- 2-05 Sub-checklist - Tunnel hatch removal, Probe removal
- 2-06 Sub-checklist - Probe removal (continued), Drogue removal, Crew transfer to LM (suited)
- 2-07 Sub-checklist - Crew transfer to CSM (suited), Remove LM umbilicals (Final), Install drogue & probe
- 2-08 Sub-checklist - Preload probe, Hatch installation
- 2-09 Sub-checklist - Hatch integrity check, Docking latch release
- 2-10 Sub-checklist - CSM/LM pressure equalisation (LOD), Docking hatch verification
- 2-11 Sub-checklist - LM umbilical connection, Malfunction list
- 2-12 Sub-checklist - Malfunction list (continued)
Apex cover jettison
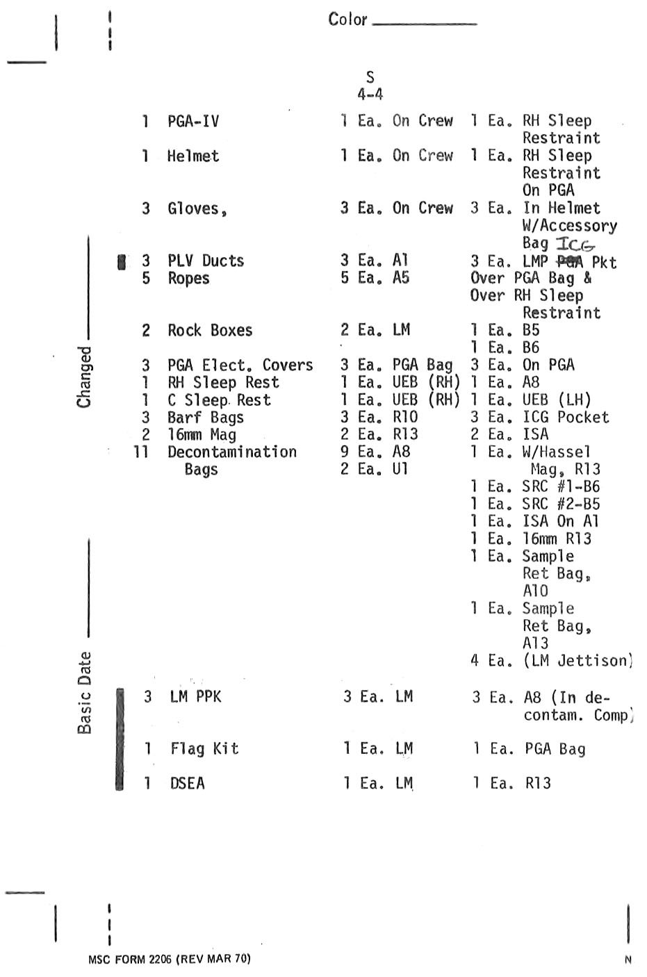
Stowage
Emergency procedures (from serial number 1003)
- emer1-01 Emergency CSM/LV separation - If powered flight
- emer1-02 Emergency CSM/LV separation - If coasting flight
- emer1-03 Suit compressor light, O2 flow high & rapid loss of surge tank pressure, Contamination in CM, Contamination in closed suit loop
- emer1-04 Fire/smoke in CM
- emer1-05 G&C, SPS,
- emer1-06 Emergency power down
- emer1-07 Power downs - ECS, Comms, CMC/IMU, SCS
- emer1-08 Fuel cell loss, Bus loss
- emer1-09 Bus loss (continued)
- emer1-10 Bus loss (continued)
- emer1-11 SM RCS Thruster failed On, SM RCS light
- emer1-12 CM RCS fails to pressurise or feed propellant
- emer1-13 Verb 5, Noun 9 alarm codes
- emer1-14 Verb 5, Noun 9 alarm codes (continued)
- emer1-15 Verb 5, Noun 9 alarm codes (continued)
- emer1-16 Verb 5, Noun 9 alarm codes (continued)
- emer1-17 Verb 5, Noun 9 alarm codes (continued)
- emer1-18 Verb 5, Noun 9 alarm codes (continued)
Copyright © 2016 by W. David Woods. All rights reserved.
Last updated 2025-04-21