Apollo 15
CSM Guidance & Control Checklist - Index
CMC General
G&C system management
Navigation (P20s)
Prethrust (P30s & P70s)
Thrusting (P40s)
- 5-01 Program 40 SPS thrusting
- 5-02 Program 40 (continued)
- 5-03 Program 40 (continued)
- 5-04 Program 40 (continued)
- 5-05 Program 40 (continued)
- 5-06 Program 40 (continued)
- 5-07 Program 40 (continued)
- 5-08 Chart, Propellant consumption chart, 3-axis attitude maneuvers
- 5-09 Chart, Propellant consumption chart, X-translation maneuvers
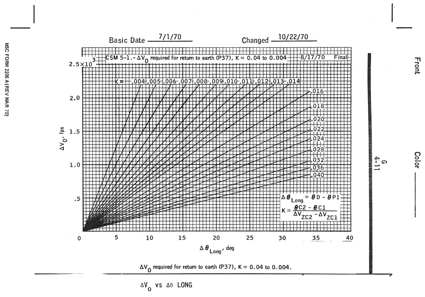
- 5-10 Chart, SPS versus RCS chart (2-jet ullage, CSM only)
- 5-11 Chart, SPS versus RCS chart (2-jet ullage, CSM/LM docked)
- 5-12 Chart, SPS versus RCS chart (4-jet ullage, CSM only)
- 5-13 Chart, SPS versus RCS chart (4-jet ullage, CSM/LM docked)
- 5-14 Chart, SPS engine trim gimbal angles versus spacecraft weight (CSM only)
- 5-15 Chart, SPS engine trim gimbal angles versus spacecraft weight (CSM/LM docked)
- 5-16 Program 41 RCS thrusting
- 5-17 Program 41 RCS thrusting
- 5-18 Program 41 (continued)
- 5-19 Program 41 (continued) - Program 47 Thrust monitor program
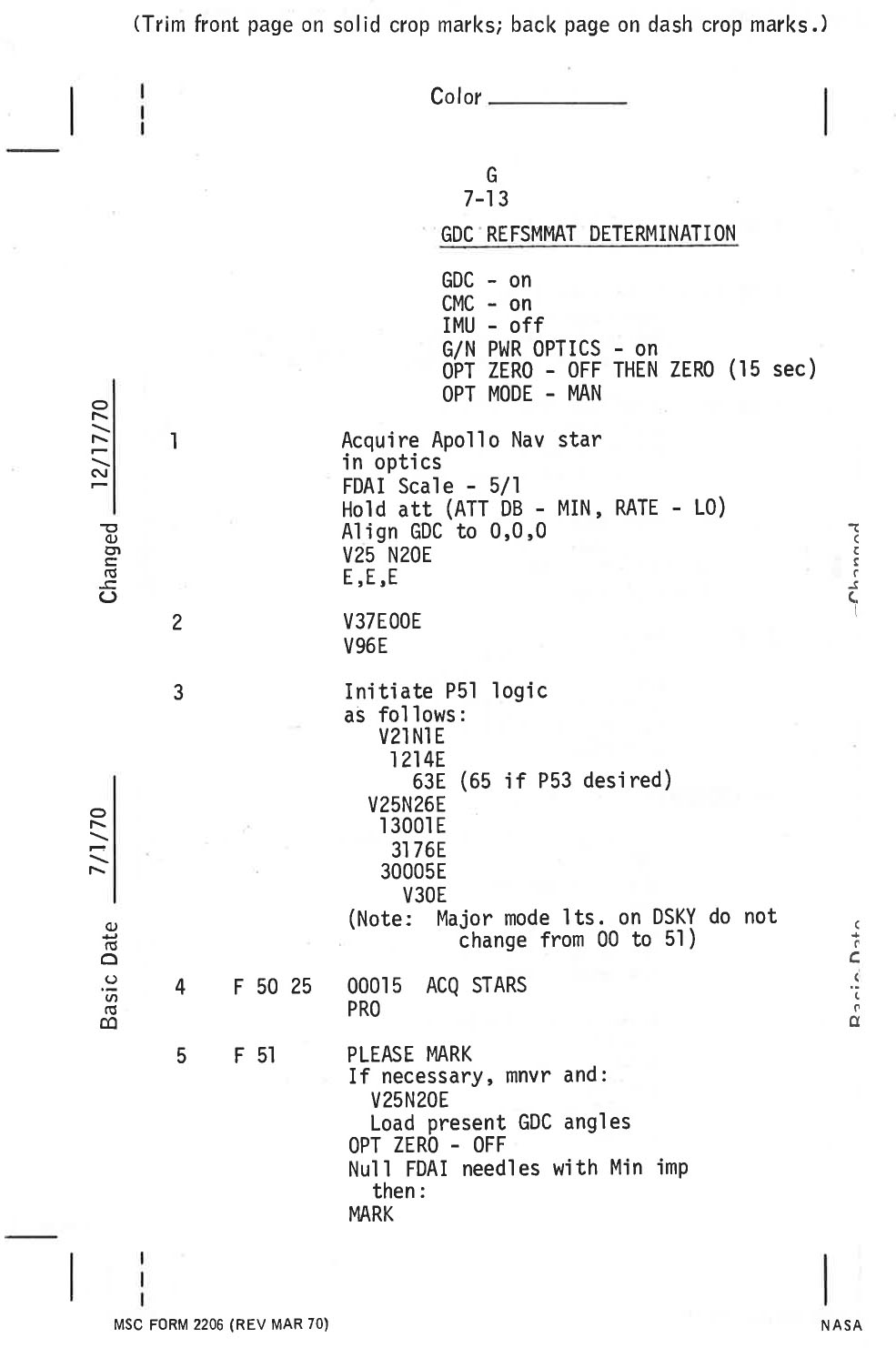
Alignments (P50s)
Initialisation procedures
PTC/orb-rate procedures
Erasable load update
Planet vectors
Copyright © 2016 by W. David Woods. All rights reserved.
Last updated 2025-04-21