Apollo Flight Journal logo
Previous Index Next
Day 1, part 2: Earth Orbit and Translunar Injection Journal Home Page Day 1, part 4: Settling Down for the Flight

Apollo 13

pics/a13-patch.jpg

Day 1, part 3: Transposition, Docking and Extraction


Corrected Transcript and Commentary Copyright ©2014-2025 by W. David Woods, Johannes Kemppanen, Alexander Turhanov and Lennox J. Waugh. All rights reserved.
Last updated 2025-02-22
Present Saturn V-Apollo configuration. The LM is still inside the SLA section.
Apollo 13 has been propelled towards the Moon through the Translunar Injection burn of the S-IVB stage. Now is the time for another crucial maneuver in the flight itinerary. They are to separate the Command Service Module from the spent Saturn V booster, turn around and dock with the Lunar Module Aquarius still nestled on top of the S-IVB.
The stack, as it stands currently, is 40 metres long (132 feet) and has a mass of some 60,780 kg or 134,000 pounds. This consists of the fully fuelled Command Service Module plus three astronauts, the Lunar Module, the dead weight of the S-IVB and the remaining unusable propellant in the spent booster.
Download MP3 audio file. PAO loop.
Flight Plan page 3-3.
002:48:34 Kerwin: Apollo 13, Houston.
002:48:38 Lovell: Roger, Houston; 13 here.
002:48:39 Kerwin: Okay. We have the S-IVB maneuver to Sep attitude commencing at 2 plus 56 plus 37. Duration of the maneuver: 4 minutes. Sep time, 3 plus 06 plus 37. Over. [Long pause.]
002:49:15 Haise: Okay. If I heard those right, Joe, that the S-IVB maneuver was 2 plus 56 plus 57, and Sep time is 3 plus 06 plus 27.
002:49:25 Kerwin: Correction on the seconds; 2 plus 56 plus 37, and 3 plus 06 plus 37. [Long pause.]
002:49:43 Haise: Okay. 2 plus 56 plus 37 with the maneuver time; and the Sep time, 3 plus 06 plus 27?
002:49:53 Kerwin: That's plus 37, too. Exactly 10 minutes later, Fred.
002:50:05 Haise: Okay; 37.
Long comm break.
Download MP3 audio file. PAO loop.
This is Mission Control; we're now at 2 hours, 54 minutes with the crew, and preparing for the CSM separation from the S-IVB; the subsequent docking with the Lunar Module and the ejection of the LM and Command Module from the Saturn third stage. The times of all of those events are almost precisely as indicated in the Flight Plan. The separation maneuver scheduled to occur at Ground Elapsed Time of 3 hours, 6 minutes, 37 seconds; and the docking would come then with the LM at 3 hours, 16 minutes Ground Elapsed Time. Our displays in Mission Control are showing the effects of the Translunar Injection burn; we currently show the spacecraft at an altitude of 1,183 nautical miles [2,191 km], traveling at a velocity of 31,406 feet per second [9,573 metres/second].
Download MP3 audio file. PAO loop.
002:57:52 Kerwin: Apollo 13, Houston.
002:57:54 Lovell: Go ahead.
002:57:57 Kerwin: We see the booster doing all the right things, and FIDO says your trajectory looks good, and it looks like we'll stick with a pretty close to nominal midcourse, too. We'll have some numbers for you later.
Mission Control is now crunching the data on the TLI burn to see just how close to their intended trajectory they have managed to get with the S-IVB burn. This will determine how much of a course adjustment will have to be made during the midcourse correction maneuvers.
002:58:02 Lovell: Okay. And we concur. The S-IVB is maneuvering at this time.
002:58:13 Kerwin: Roger. [Long pause.]
002:58:32 Kerwin: And, Apollo 13, Houston. We'd like Omni Alpha. Over.
002:58:36 Lovell: Omni Alpha, coming up.
Diagram of an omni antenna.
Four flush-mounted low-power microwave omnidirectional antennae known as Omni A through D are installed 90 degrees apart around the periphery of the Command Module. They provide communications using the Unified S-Band system while close to the Earth and when low bandwidth is appropriate, or when the larger High Gain Antenna is stowed. For the moment it is still inaccessible, being folded inside the SLA section.
Step 1 of the booster separation and docking checklist.
They begin preparations for docking with the Lunar Module by allowing more oxygen to flow into the CM cabin, raising the pressure. This excess pressure will be bled out to the LM when they use oxygen from the Command Module to pressurize it. They will also set up the computer to provide stabilization of the spacecraft via the Digital Autopilot.
Comm break.
002:59:54 Kerwin: 13, Houston. Now request Omni Charlie.
002:59:56 Lovell: Roger. Going Charlie. [Pause.]
003:00:06 Kerwin: And, 13, we'll be doing a handover, now.
Flight Plan page 3-4.
003:00:09 Lovell: Okay.
Comm break.
And our booster engineer reports the S-IVB is nearly in the proper attitude. We're about 5½ minutes from the scheduled time of separation, and we are expecting that the crew will have the television transmitter and camera on, beginning at a Ground Elapsed Time of about 3 hours, 15 minutes for television coverage of the docking.
003:01:33 Kerwin: Apollo 13, Houston. You are Go for T&D.
003:01:37 Swigert: Okay, Joe. Thank you.
003:01:44 Kerwin: And, 13, Houston. Check your Noun 17 for extraction pitch attitude. It should be 319 degrees. Over.
003:01:52 Lovell: Okay. We'll look at it.
Long comm break.
Step 3
The upcomimg maneuver is performed under crew control. This means that they will power up the hand controllers and the SECS pyrotechnics which will be used to separate the two spacecraft. The Entry Monitoring System's digital display will again be used to show velocity changes.
Download MP3 audio file. PAO loop.
003:05:20 Swigert: Okay, Houston; 13. Do we have a Go for pyro arm? [Pause.]
003:05:31 Kerwin: 13, Houston. Affirmative. You're Go for pyro arm, and recommend you secure the cabin pressurization.
003:05:39 Swigert: We did. We closed the waste management vent valve, there. Or waste stowage valves...
They've had the waste management vent valve open to let a small amount of onboard atmosphere to escape, to flush out any remaining nitrogen.
003:05:48 Kerwin: Okay. We're reading 6 psi on the cabin, Jack. [Pause.]
003:05:55 Swigert: Roger, Joe. Thank you very much.
Comm break.
Diagram of the separation maneuver.
At separation, pyrotechnic devices release the Command Module from the top of the S-IVB booster. At the same time, shaped charges split the SLA panels open. Partial hinges allow them to rotate through 45 degrees at which point they become disengaged and are released to float away. At the same time, the Command Module Pilot uses the Translational Hand Controller to apply forward thrust for five seconds to increase their velocity and move them away from the S-IVB.
Step 3, second part
The checklist also calls for the crew to check the status of the propellant and pressurization valves in the Service Module's RCS packages. It was well known from past missions - Apollo 9, 11 and 12 as of latest - that the shock from the S-IVB separation could close the electric solenoid valves inadvertedly. The situation could then be fixed by cycling the valves between On and Off positions to restore them. No such complications were experienced during Apollo 13, although the issue resurfaced for Apollo 15.
Telemetry data, here on the ground, indicates that the spacecraft has separated from the S-IVB. Astronaut Jack Swigert at this time would be in the commander's couch, the left-hand couch, at the controls of the spacecraft during the transposition and docking maneuvers. And we should be getting television transmissions from the spacecraft, beginning at about 3 hours, 15 minutes Ground Elapsed Time.
003:07:38 Swigert: Yeah, that's quite a bang, Joe. We've separated, and we've pitched around about 60 degrees now.
Pitch around for docking. Modification of original NASA art by JK.
After separating from the booster and moving away to a safe distance, the CSM will pitch around a complete 180 degrees until they are facing the S-IVB and the Lunar Module still held on the top.
003:07:44 Kerwin: Roger, Jack. We see you pitching.
Command Module Rotational Hand Controller - RHC.
The Command Module Pilot has two hand controllers at his disposal. Swigert can use the RHC to impart a change in attitude in any direction. The RCS control electronics then fire the thrusters in a manner that changes their attitude without changing their velocity to any direction. This is especially important for fine maneuvering.
Command Module Translational Hand Controller - THC.
The Translational Hand Controller allows Swigert to move in all three dimensions, but also to impart a velocity change by maintaining controlled thrust in a particular position. He will need to do that to nullify the earlier acceleration to get away from the S-IVB and then to reduce their relative velocity so that they will actually start to move towards the booster and the awaiting LM.
003:07:47 Swigert: Okay. We got the SLA panels; one of them is out front now.
003:07:52 Kerwin: Ah, so. [Long pause.]
Swigert reporting that the SLA panels on the S-IVB are coming into view.
003:08:38 Swigert: Got the S-IVB. I guess we're about 80 feet.
003:08:42 Kerwin: Good deal. [Long pause.]
003:09:01 Haise: Okay. I'm going to come on with the TV now, Joe.
003:09:03 Kerwin: Okay, Fred. We're waiting for it. [Long pause.]
The network controller reports we're getting television signals now from the spacecraft, a bit earlier than expected and the crew is apparently somewhat ahead of the timeline in the Transposition and Docking maneuver. We'll stand by for a television picture.
003:09:52 Kerwin: 13, Houston. We've got a groovy TV picture.
"Groovy TV picture" as the S-IVB comes into view. NASA TV capture.
The Apollo TV camera utilizes a vidicon tube to generate a black and white television picture. A rotating color wheel with red, blue and green filters in front of the black and white television vidicon sensor allows these images to be encoded with the color information. Processing facilities on Earth turn this signal into a color image compatible with commercial TV.
003:09:58 Lovell: Sounds good.
Comm break.
We're looking down the nose of the S-IVB minus its SLA panels at this time, the top view of the LM. That last report Swigert said they were 80 feet away from the S-IVB and that distance should be closing.
16mm film capture of the docking at initiation.
A 16mm film camera is running concurrently to the TV, and due to the much better quality, frames from the 16mm film are used in this sequence to illustrate their docking maneuver.
COAS - Crewman Optical Alignment Sight diagram
Swigert uses the COAS through the left rendezvous window in the Command Module to aim at the Lunar Module.
Line-up of the CSM and the LM for docking, with line of sight explained.
By using the COAS' projected reticle, the piloting crewmember (Swigert in this case) lines up the Command Module with the docking target on the top of the Lunar Module. By moving forward very slowly, he can maintain this relative position, and bring them together for the docking probe to attach into the docking drogue.
003:11:25 Haise: Is the focus good enough, Joe, that you can see all the glittering debris?
003:11:33 Kerwin: We've seen some debris, Fred. The booster itself is a little bit bright. What's your f-stop?
003:11:40 Haise: Okay. I'm at 22.
003:11:41 Kerwin: Why don't you go up a click and let us have a look at that. [Pause.]
003:11:50 Haise: Okay. You're at 44 now.
003:11:55 Kerwin: Okay. Let's stay there for now and I assume you're in peak.
003:11:58 Haise: Affirmed. [Long pause.]
003:12:17 Kerwin: 13, Houston. Recommend Rate 2 on the BMAGs.
003:12:23 Haise: Thank you. [Long pause.]
The BMAGs, or Body Mounted Attitude Gyros, are a set of gyroscopes strapped into the spacecraft structure. Any motions detected by them are electronically converted into signals that drive needle indicators in the FDAI 8-ball to show them their 'rates' - motion to any direction. They can now use this information to monitor their motion as they prepare to perform the docking. They also work as a backup to the IMU, should it fail.
Docking continues. One of the pieces of debris is visible as a shiny white spot and highlighted.
Fred Haise is manipulating the TV camera. We haven't determined yet which window of the Command Module we're looking out of. Jack Swigert in the left hand couch maneuvering the spacecraft, the Command Module, into position for the docking.
The view of the Lunar Module veers more and more to one side as they approach to it, making the view angle of the camera more obvious.
003:13:23 Kerwin: It's getting bigger. [Long pause.]
003:13:42 Lovell: As you might know, Joe, I've got the center seat, again and I can't see a thing.
003:13:47 Kerwin: Too bad.
003:13:49 Lovell: I gave him the TV monitor.
Comm break.
This view of the Saturn third stage and the Lunar Module is coming to us from about 5,000 [nautical] miles [9,000 km] beyond Earth. The spacecraft and S-IVB travelling at a speed of about 22,900 feet per second [7,000 m/s] at this time.
Capture from the TV image.
Fred Haise is moving the camera to give an interior view from the cabin. The FDAI and the DSKY are prominently seen.
003:15:04 Haise: Okay, I'm going to be moving the TV directly. I'm going to pull it out of this bracket, Jim.
003:15:10 Kerwin: 13, Houston. Did you call?
003:15:12 Haise: Rog. I'll be moving the TV to get a better shot here; moving it out of this bracket.
003:15:18 Kerwin: Okay, Fred. It's just beginning to cut off at the bottom, but it's still a very good picture.
Comm break.
003:16:30 Kerwin: That's a good picture, Fred.
The white docking target becomes more visible with their approach.
003:16:36 Haise: And we're just about there. About 10 - 10 more feet now.
003:16:41 Kerwin: Rog.
Just as they come to a final approach, the probe casts its shadow against the backdrop of the LM.
003:16:43 Haise: Everything looks pretty good down in the S-IVB, too. The shroud still looks intact down there.
003:16:50 Kerwin: Good deal. There's really quite a bit of detail in this picture. [Long pause.]
Docking approach.
003:17:07 Swigert: Okay. We've - we've got two barber poles.
Control switches and indicators for the docking system. Scan via heroicrelics.org
Two indicators known as talkbacks turn to show 'barber pole' - grey and white flags reminiscent of the old barber's symbol.
The same portion of the panel, photographed onboard Odyssey.
The Apollo Docking System
The capture latches at the tip of the docking probe are now in place at the drogue inside the LM tunnel. They will now use the probe to pull their spacecraft together, which will then cause the docking latches to automatically snap closed and secure them structurally together.
003:17:11 Kerwin: Houston; Roger. [Long pause.]
003:18:10 Haise: Okay. You should be able to see down into the portion of the IU right now, Joe. [Pause.]
003:18:21 Kerwin: Fred, Houston. We'd like to try going to Average on the TV for a minute or so.
003:18:29 Haise: Okay. You've got Average, and a little yellow dust cap just floated by in front of us.
003:18:36 Kerwin: Yeah. We see it at the top of the screen.
003:18:41 Kerwin: And, Fred, after a few minutes of this, at your convenience, we could use some interior shots if you get the time and if the lighting is good.
003:18:51 Haise: Okay.
003:18:52 Kerwin: And, 13, Houston. The S-IVB vent times are nominal as in the Flight Plan within a few seconds. [Long pause.]
The various configurations of the LM/CM hatches the drogue and the probe.
This diagram illustrates the most remarkable challenge in the design of the docking system - how to bring the two spacecraft together in a way that will also allow the crew the pass between them? The solution of the drogue, the docking ring, and the removable probe is remarkable, if somewhat cumbersome. It was selected out of the several options considered for its low weight and reliability.
003:19:18 Lovell: We're hard docked, Houston.
003:19:21 Kerwin: Roger. Understand. Hard docked. Good deal. Fred, one more thing on the TV. If you could come down to f:22 again.
003:19:32 Haise: Okay. You've got f:22 again. [Long pause.]
003:20:22 Lovell: And, Houston, Fred will handle the camera as we go through the postdocking checklist.
Step 5 - Post-Docking Checklist
With the docking completed, they begin preparations for setting up the LM for the coast.
003:20:26 Kerwin: Okay, Jim. Real good.
Comm break.
Haise is apparently maneuvering the camera inside the spacecraft for an interior view at this point and we'll stand by to see if we've got enough light inside the spacecraft to get a useable picture.
003:21:38 Haise: Okay, Joe. I am pointing it over toward Jack, and it's pretty bright with the Earth out that window. Is that sort of washing out the picture here?
003:21:49 Kerwin: No, Fred, it's not. We've got a bright spot where the window is. The rest of you are semi-silhouetted. It's a pretty impressive picture. [Long pause.]
003:22:36 Kerwin: Apollo 13, Houston.
003:22:38 Swigert: Go ahead, Joe.
003:22:40 Kerwin: For Fred. The IOS [?] has caught you with the fuel cell reactant valves in latch again. [Pause.]
003:22:52 Lovell: Touché.
003:22:54 Kerwin: And we have word that the propellant usage for T&D was nominal.
003:23:01 Swigert: Okay, what is nominal, please?
003:23:02 Kerwin: Well, I didn't ask that yet, Jack; stand by one.
003:23:07 Swigert: That's okay (laughter).
Comm break.
003:24:20 Kerwin: Fred, this is Houston. Over.
003:24:22 Haise: Go ahead.
003:24:24 Kerwin: Okay. With the direct sunlight from the window, out of the TV camera field as it is now, we'd like you to open it up an f-stop or so and, if convenient, try to keep that bright spot out of the window.
003:24:40 Haise: Okay.
Comm break.
003:26:14 Kerwin: 13, Houston. I guess we think we could stand one more click down on the f-stop.
003:26:24 Swigert: Okay, Joe. He's going to do it.
003:26:26 Kerwin: That is, we want you to open it up. Looks like a very interesting book you're reading.
003:26:33 Swigert: I've got two of them.
Long comm break.
Download MP3 audio file. PAO loop.
003:30:11 Kerwin: Hey, that's pretty, Fred.
003:30:17 Haise: Okay. I hope you got more detail than I have on the monitor here.
003:30:21 Kerwin: No. We probably don't, but it's kind of a neat picture anyway. [Long pause.]
003:30:39 Swigert: Houston, we're now going to finish repressurizing the tunnel.
003:30:46 Kerwin: Houston; Roger.
Step 6 - Pressurization
The LM is pressurized with oxygen from the Command Module cabin via a valve in the lander's overhead hatch. A lengthy checklist is required for this procedure. One part of it is turning off the emergency cabin pressurization system in the Command Module so that it doesn't interpret the sudden flow of air from the Command Module into the LM as a leak and start to pump up oxygen at an unnecessary rate.
Comm break.
This view is looking up into the docking tunnel of the Command Module with the tunnel light showing toward the top of the tunnel.
003:31:47 Haise: [garbled] probably hear, Joe, we're just finishing pumping up Aquarius here.
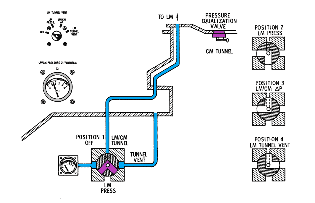
LM pressurization control.
The LM pressurization is controlled via the LM's overhead dump valve on the hatch and a multi-position selector in the Command Module. The LM was launched with an open cabin valve so that it depressurizes during the ascent to orbit. After docking, the crew in the CM provides it with a fresh atmosphere via the tunnel.
003:31:54 Kerwin: Okay. About all we see on this picture, Fred, are the bright spots with the lights around the tunnel area. The hatch itself is pretty dark.
Comm break.
003:32:57 Kerwin: 13, Houston. By the way, we'd like to know how the High Gain Antenna lockup worked. Our signal strength is a little bit lower than we thought it would be.
003:33:06 Swigert: It looked just the way I expected it to, Joe. I had her sitting there in Reacq with the numbers cranked in and soon as we got pretty much through the rotation, I just threw it down to High Gain and it appeared to lock right up.
003:33:24 Kerwin: Okay. Good deal. See that flashlight beam wandering around there.
Long comm break.
Jack Swigert still in his spacesuit, works at the Commander's position.
At this point, we're getting a good view of Jack Swigert in the left hand seat of the Command Module.
003:35:45 Haise: Houston, 13.
003:35:47 Kerwin: 13, Houston. Go ahead.
003:35:50 Haise: We'd kind of like to hold off on the - start the venting again until we get the things pumped back up inside here. Wonder if you might give us a call to remind us when to initiate that.
003:36:06 Kerwin: Okay, 13; will do. [Long pause.]
003:36:26 Haise: And we'll try to shift her up to look up into the tunnel here.
003:36:31 Kerwin: Okay. Real good. [Long pause.]
003:36:54 Kerwin: Okay, 13; Houston. I think we could use an f-stop lower. What f-stop are you in now?
003:37:03 Haise: I'm about as low as you can go, Joe. I'm sitting on 4.4.
003:37:06 Kerwin: Okay. [Pause.]
003:37:18 Haise: What you're looking at, Joe, is the commander has removed the hatch and is proceeding to stow it. [Long pause.]
The docking tunnel from the Command Module's side.
Step 7
Here they unlock the top hatch, to get into the docking tunnel. This is necessary for connecting the two spacecraft together electrically, which they will do in a moment.
Diagram of the Command Module docking hatch.
003:38:06 Kerwin: Okay, 13. That's a pretty good picture there.
003:38:14 Haise: The CDR is verifying the docking latches now.
003:38:17 Kerwin: Rog. [Pause.]
Diagram view of the docking latches.
The automatic docking latches are accessible from inside the tunnel, and can be operated manually to make sure they are locked. This is also how they are unlatched for the undocking for lunar landing.
003:38:25 Swigert: Hey, Joe. Jim reports that there's a slight, you know, burn smell up in the tunnel area, as been reported on previous flights.
003:38:34 Kerwin: Okay. We copy that. [Long pause.]
003:39:06 Swigert: Okay. The commander reports all docking latches latched.
003:39:11 Kerwin: Houston; Roger.
Long comm break.
Download MP3 audio file. PAO loop.
Although we have a rather dim picture at this time, we can see Jim Lovell working in the tunnel area. Lovell has removed the hatch cover, inspected the docking latches and reported that everything was in order in the tunnel. He should be shortly attaching the umbilical to the Lunar Module which will provide power to the heaters and some of the critical LM guidance equipment, and then reinstalling the tunnel hatch.
003:42:08 Kerwin: 13, Houston. For your information, the S-IVB vent is proceeding on schedule.
003:42:15 Swigert: Okay, Joe.
003:42:20 Haise: Yeah, Joe. That's - That's concurring with all the thousands of particles I see going by outside here.
003:42:30 Kerwin: Yes. I guess I didn't need to tell you.
Particles visible in the TV image during the TDE maneuvers.
The S-IVB can boost its speed by remote controlled venting of the remaining cryogenic gases inside. This and the APS thrusters are used to fine tune its trajectory to its planned impact on the lunar surface.
Comm break.
Lovell working in the docking tunnel. NASA TV capture.
The camera is struggling to produce a clear image in the low light conditions inside the docking tunnel.
Step 9
Step 9 has a crewmember - Jim Lovell in this case - connect umbilical cables into sockets on the LM and the CM. These cables enable them to transfer Command Module-generated power into the Lunar Module. This external power is used for electric heaters used to keep crucial systems such as the guidance platform within their safe operational temperatures. This is done to save the LM battery power which cannot be replenished. The cable will also carry the commands they will soon issue to the pyrotechnic devices that will separate the LM from the S-IVB booster.
A photograph of the LM umbilical cable flown onboard Apollo 15. Photo courtesy of Steve Jurvetson.
003:44:16 Kerwin: 13. Looks like Jim is connecting the umbilical at this time. Is that right?
003:44:21 Haise: Yeah, that's affirm - affirm, Joe. Do you have any detail up in there at all? On the monitor it looks like I can - I can make out the drogue - the drogue a little bit, but not much else.
A miniature CRT monitor is provided for use with the onboard TV camera, to help with aligning the shot.
003:44:34 Kerwin: We can see the probe pretty well, and we can see his hands quite well there.
Comm break.
003:45:59 Swigert: Okay. We're powering the LM now, Joe.
Once the umbilical is plugged in, they'll enable the LM Power circuit breakers and flip a switch in the Main Display Console. This sends a signal to the LM's control electronics to switch off the internal battery power, and start drawing on the externally provided CSM power instead.
003:46:03 Kerwin: Okay, Roger that. [Long pause.]
003:46:19 Kerwin: And the voltage looks good there, 13.
003:46:23 Swigert: Roger. [Long pause.]
Systems Test Meter, aka Panel 101
To read the status of the power being transferred into the Lunar Module via the umbilicals, a crewman must slip to the Lower Equipment Bay to make this checkup on the Systems Test Meter. It consists of a round voltmeter of the type seen on the Main Display Console, and two rotating knobs. By combining the numeric and alphabetic selections (such as 4-D for the LM amperage), the voltmeter displays the requested value. A chart in the crew checklist provides a means to interpret this information in a meaningful form.
During early Command Module development, the original name of the display - Systems Test Meter - would have been even more prominent, considering that it was meant to be used to troubleshoot possibly malfunctioning components, before enacting in-flight repairs. Both actions were deleted because designing the ship around in-flight repair capability actually made many of its systems less reliable and added unnecessary complexity. Worst of all, it added mass to the already too heavy spacecraft system where every pound of payload matters. It was decided to increase redundancy instead.
Systems Test Meter interpretation chart. Click picture for larger image.
The Systems Test Meter gives its readout as a measure of volts on the gauge. A printed chart is used to interpret this into the required value. Albeit somewhat awkward, this provided a handy way for the crew to gain access to rarely required readouts from the systems that did not have their dedicated displays on the Master Display Console or elsewhere in the cockpit. This saved a lot of precious space and reduced clutter as well.
003:47:04 Haise: Okay. We're going to take an outside view now, out the left side, Joe.
003:47:07 Kerwin: Okay, Fred. Real good. [Long pause.]
This television transmission has being going on now for about forty minutes, and during that period of time, the spacecraft has covered more than five thousand miles. We currently show an altitude of 10,481 nautical miles [19,411 km].
003:48:03 Haise: Okay. You making out the picture up there, Joe?
003:48:07 Kerwin: Yeah. Is that the world? [Pause.]
003:48:19 Kerwin: Okay, Fred. That's a pretty nice looking picture. We'd like to know what settings you used to get that.
003:48:28 Haise: Okay. I think Jim's holding it now and - it - Okay, it should be in about f:22, infinity, and I think the 50-millimeter. And Jim says he thinks he has Baja in the picture now.
003:48:50 Kerwin: Okay. I think we could stand to go to f:44 on that. The clouds are pretty bright.
003:48:56 Haise: Okay. We're going to have to press on here, Joe, so we're back inside.
003:49:00 Kerwin: Okay. Thanks a lot.
Long comm break.
Download MP3 audio file. PAO loop.
003:54:04 Haise: Okay. How's that picture looking back outside now, Joe? Getting ready for LM extraction.
003:54:13 Kerwin: Okay. That looks pretty good, Fred. [Long pause.]
003:55:14 Lovell: Houston, this is 13. Do we have a Go for pyro arm?
003:55:20 Kerwin: 13, Houston. Affirmative. You're Go for pyro arm. [Long pause.]
Step 11
For the separation of the Lunar Module from the S-IVB, they set up the EMS to monitor acceleration, set up the Digital Autopilot (DAP) and prepare the sequential systems for firing the pyros.
003:55:50 Swigert: Hey, Joe, when we went back up and rechecked the tunnel there, we found two latches that weren't cocked and we reset them.
003:56:02 Kerwin: Ah, Roger that, Jack. [Long pause.]
003:56:56 Swigert: Joe, I've got a beautiful view of the Earth out window 1.
003:57:03 Kerwin: Roger, Jack.
003:57:04 Haise: By the way, the windows came through in real good shape. Window 5 looks real clean, so I'm kind of hopeful that Hycon stuff will be pretty good.
Fred is referring to the Hycon camera, a high resolution reconnaissance camera that is intended to be used by Jack to photograph the lunar surface in higher definition than is possible with the Hasselblad cameras used by the crew. It was designed to be attached to mountings around the hatch's circular window, number 3.
003:57:14 Kerwin: Good deal. [Pause.]
003:57:22 Haise: I meant window 3, Joe. [Long pause.]
003:57:58 Kerwin: Okay, 13; Houston. You're Go for LM SEP whenever you're ready.
003:58:06 Lovell: Roger. [Pause.]
003:58:18 Kerwin: Okay, 13; Houston. Correction on that. You're Go for LM SEP at the nominal time and - or later. We don't want it early.
003:58:27 Lovell: Okay, Joe. We'll do it at 04:01:00.
003:58:29 Kerwin: Roger.
Long comm break.
We're now about two minutes away from the scheduled CSM LM ejection time. At that time, the crew will activate a switch which separates the - which fires pryotechnics separating tie-down straps and the spring actuators at the attach points of the LM landing gear. It will eject the LM and the Command and Service Module at a velocity of about eight-tenths of a foot a second [25 cm/s]. This will be coupled then with a short burn with the Reaction Control System jets adding another four tenths of a foot per second [12 cm/s] to the separation velocity, giving them a total separation velocity of 1.2 feet per second [37 cm/s].
Flight Plan page 3-4A.
Page 3-4A offers the crew drawn sketches on how the discarded S-IVB should appear to them at various times and distances after the separation.
Flight Plan page 3-5.
004:00:54 Swigert: Okay. We're about ready to pull the LM out, Joe.
004:00:59 Kerwin: Okay, 13.
Separation switches under the DSKY. Scan via heroicrelics.org
The switches for performing separation of various components of the spacecraft are under the DSKY. They have protective covers to ensure no accidental operation.
Step 12
A single flip of a switch fires the pyrotechnics. The checklist is also reminding the crew to start the 16 mm film camera and the clock to time their separation maneuver.

Diagram of the Lunar Module-SLA interface and the jettison pyrotechnics
Despite the page after page of notes on preparation, the actual separation is a fairly simple affair in terms of crew procedures. A single guarded switch is operated, which fires the pyrotechnics on the ties that hold the Lunar Module in place inside the SLA/S-IVB. Afterwards, Swigert fires the RCS jets on the Service Module to impart acceleration and pull the LM away from the Saturn V.
004:01:03 Swigert: Here she comes. [Pause.]
004:01:15 Swigert: Okay. It looks like we're clear, Joe.
004:01:19 Kerwin: Okay. Looks good. It's weird because we get the TV about 10 seconds after you call it.
Comm break.
Step 13
The post-separation checklist suggests them to put the computer to 'idle' mode, or Program 00 (known as P00 or 'Pooh' as in Winnie). They secure the sequential systems, the EMS, the onboard tape recorder, and the telemetry radioed to Earth.
We've been advised that within a few minutes we'll have to recycle the converter which converts the television picture we're receiving from sequential black and white to color. This would require the converter to be down for a couple of minutes, while it's reloaded with tape and in that interim period of time we would expect the picture to be down.
The conversion of the TV signal to something compatible with standard systems was an involved process. The tape was used to provide timing correction whereby one tape machine recorded the video signal from the spacecraft while locked to the timing of that signal. The tape from that machine then went straight to a second machine that replayed it, but this machine was locked to a standard timing. The video then passed to a magnetic recorder that reconstructed the combined colour image from the sequential colour images (what the PAO announcer calls 'sequential black and white'). All this processing added significant delay to the TV coverage from Apollo with respect to the audio from the crew.
004:02:45 Kerwin: Apollo 13, Houston.
004:02:52 Lovell: Go ahead.
004:02:53 Kerwin: Okay. We'll be waiting for you to tell us that you feel you're safely clear of the booster, and give us the Go to command the booster in its yaw maneuver.
Comm break.
004:04:39 Kerwin: 13, Houston. Did you - did you copy my last about giving us a Go for the yaw?
004:04:46 Haise: Yeah, we're maneuvering, Joe, and we hadn't picked her back up again yet.
004:04:55 Kerwin: Okay. Do you want to wait till you acquire it before we yaw it?
004:05:03 Lovell: How much time do you have, Houston? Can you wait, or do you want to do it right now?
004:05:09 Kerwin: We can wait if you want us to, Jim. [Pause.]
004:05:11 Lovell: Why don't you wait just a little bit.
004:05:13 Kerwin: Okay. [Long pause.]
004:06:02 Swigert: Joe, did they ever get an idea of what that - the TD and E fuel was?
004:06:09 Kerwin: Jack, they're not willing to pin it down to a specific number right now because they say the tanks will warm up later on and the apparent consumption will go down. But it was nominal.
004:06:20 Swigert: Okay.
Comm break.
Download MP3 audio file. PAO loop.
004:08:26 Swigert: Okay, Houston. We have the S-IVB in sight. You're Go to maneuver the S-IVB.
004:08:31 Kerwin: Houston, Roger that. [Long pause.]
004:09:04 Swigert: We'll try to give you a - Houston, we're going to try to give you a shot of the S-IVB with the TV out window number 3.
004:09:11 Kerwin: Okay. Real good, Jack. Our S-band signal strength has been fluctuating. Does it seem to be going all right up there in the Auto Track mode ?
004:09:24 Haise: Yeah. Right now; yes, it's dropped off to about the 70-percent point, Joe, and it was before up about 85.
004:09:34 Kerwin: Okay. [Long pause.]
004:09:54 Lovell: And, Houston, do you have a TV picture?
004:09:57 Kerwin: Not at the moment, Jim. We had a garbled one there for a few seconds, and we don't have one at this moment.
004:10:05 Lovell: Okay. I can see the S-IVB now out the hatch window and it's...
004:10:11 Kerwin: Okay, Jim. Suddenly we have a very good picture.
004:10:13 Lovell: Okay. [Long pause.]
The S-IVB comes into view as the two spacecraft move apart, and the TV camera sees it above the LM RCS quad.
Mission Control is commanding the S-IVB to move away from the Command Module, so that it can begin its own mission, and to avoid any potential for an accidental collision between the Apollo stack and their spent booster.
004:10:50 Lovell: And, Houston, I can see the gold shroud around the IU, and it looks that it's all intact.
004:10:56 Kerwin: Roger, Jim. We copy that. Incidentally, the APS evasive maneuver will be about 4 minutes late. It'll be at about 04 plus 18.
APS is one of the rare double acronyms in the Apollo programme. In this context, it stands for Auxiliary Propulsion System but APS also refers to the Ascent Propulsion System in the Lunar Module. Considering the two systems work at two very different parts of the mission and onboard different spacecraft, there was no real danger of confusing them.
004:11:09 Lovell: Roger. [Long pause.]
004:11:37 Kerwin: 13, Houston. Wonder if you could zoom in on that S-IVB for us a little bit?
004:11:42 Lovell: Okay. [Long pause.]
004:12:19 Kerwin: Yeah, yeah. More like that. [Pause.] That's nice. [Pause.] It's off our screen to the right, now. [Long pause.]
The S-IVB continues on its way.
004:13:08 Kerwin: Oh, that's very nice, very nice. [Long pause.]
004:13:55 Swigert: Okay, Joe. Is EECOM monitoring the O2 Flow High light again? We - we haven't yet started the venting yet.
004:14:04 Kerwin: Okay. Stand by. I'll check. [Long pause.]
The red warning light for oxygen flow in the Caution and Warning light panel.
Swigert is reporting that they have received a warning for high oxygen flow. Although it can be triggered by a variety of things, one of the more sinister causes for alarm is loss of cabin oxygen through a leak.
004:14:35 Kerwin: 13, Houston.
004:14:38 Swigert: Go ahead.
004:14:39 Kerwin: Jack, your cabin Regs are still making up, but you're Go to open the waste management vent again at this time, and we'll delta the time to close it by the appropriate amount for you.
004:14:52 Swigert: Okay. Real fine. Well, we'll wait till the S-IVB does its maneuver here.
004:14:58 Kerwin: Okay.
Comm break.
We've just had a dropout in signal as the spacecraft maneuvered out of the field of view of the High Gain Antenna. At this point, the crew should be switching shortly to the Omni antennas and we'd expect to reacquire signal lockon.
004:16:53 Haise: Okay, Joe. We just had a momentary drop off in signal strength again there.
004:16:59 Kerwin: Roger, Fred. We had an LOS for a minute and we lost our TV picture. It looks like - yeah, we just got it back. It looks great again.
004:17:15 Kerwin: 13, Houston. You might stop the f-stop down one more notch, if you got any left. [Long pause.]
004:17:41 Kerwin: And, 13, Houston. We'll be commanding the evasive maneuver in about 17 seconds. [Long pause.]
004:18:41 Swigert: Okay, Joe. We can see it start to move. However, it doesn't seem to be a lot of debris or vapor coming out of it.
004:18:48 Kerwin: Roger that, Jack. Booster says that's great. He says the booster's doing its thing normally. Concur. We don't see much on the television at all. [Long pause.]
004:19:16 Kerwin: And, Apollo 13, Houston. We'd like to change the S-band antenna configuration. Like you to go Omni Delta. Like you to go Manual mode on the High Gain with pitch of minus 60 and yaw of 90. Over.
004:19:37 Haise: Okay. You want us to Omni Delta and Manual on the High Gain to minus 60 and plus 90. Is that correct?

Antenna control switches on the bottom of Panel 2. Scan via heroicrelics.org
The HGA controls allow them to manually adjust the positioning of the antenna.
004:19:44 Kerwin: That's affirmative. [Long pause.]
004:20:06 Swigert: Okay, Houston. How much longer would you like the television?
004:20:10 Kerwin: Stand by on that. We'll get a word.
004:20:21 Kerwin: Okay, 13; this is Houston. You can turn the TV off anytime you're ready. We've enjoyed the show. [Long pause.]
004:20:40 Kerwin: 13, Houston. Before you secure the TV, we'd like to know whether that was in maximum zoom, just for information.
004:20:48 Haise: That's affirm. Jim had it in Max zoom.
004:20:51 Kerwin: Okay. Good deal. That was a real good picture. [Long pause.]

AS13-60-8585 - Apollo 13's spent S-IVB stage drifting away after separation. Color correction by David Woods. Image credit: Image Science and Analysis Laboratory, NASA-Johnson Space Center.
004:21:24 Kerwin: And, 13, Houston. The APS evasive maneuver appeared to be nominal. The LOX dump time is now 4 plus 39 plus 20, about 3 minutes late.
004:21:37 Lovell: Roger.
Comm break.
The booster engineer reports the preliminary indications are that our Saturn S-IVB evasive maneuver was successful. The Flight Dynamics Officer will be evaluating the trajectory to assure that we've got the kind of separation from the spacecraft that we were looking for and also to determine to what extent we are heading toward the trajectory which would impact the S-IVB on the Moon. At 6 pm Central Standard Time, there will be a press conference in the news center auditorium. This is the small auditorium in Building 1, with Ken Mattingly. Astronaut Mattingly, until a few days ago, was the prime Command Module Pilot for the mission and due to exposure to measles, was replaced by Jack Swigert. Mattingly has been in the control center and is currently in the control center observing the progress of the mission. I have to repeat that press conference with astronaut Mattingly is scheduled for 6 pm Central Standard Time in the news center auditorium.
004:24:24 Swigert: Okay, Joe. We're right now opening the Waste Stowage Vent.
004:24:29 Kerwin: Okay, Jack. We copy. [Long pause.]
004:25:00 Swigert: Okay, Houston. We're charging battery B.
004:25:05 Kerwin: Roger, 13. We see it. Looks good.
One of the standard procedures to be repeated throughout any normal Apollo mission is battery recharging. The three Command Module re-entry batteries are connected to the power system whenever extra loads are expected. When the batteries are not being used, they can be recharged from spare power generated by the fuel cells when the power loads are otherwise low. This is also beneficial to the fuel cells themselves, for they require a certain baseline load to stay within their operational temperatures. Although a routine operation, the Flight Plan even has a whole page dedicated to the battery charging schedule.
Long comm break.
Download MP3 audio file. PAO loop.
004:30:47 Kerwin: Apollo 13, Houston. Request Omni Alpha now. Over.
Long comm break.
Download MP3 audio file. PAO loop.
This is Apollo Control at 4 hours, 37 minutes. We're now about 3 minutes away from the scheduled LOX dump, the propulsive vent of liquid oxygen through the engine nozzle of the S-IVB. The Saturn Instrument Unit will command this maneuver or command the LOX dump and the LOX will flow out the engine bell for 48 seconds or until the tank is empty whichever comes first. The preliminary plan would be for the LOX dump to produce a change in velocity of about 28 feet per second [8.5 m/s] which would contribute to the trajectory change placing the S-IVB on an impacting trajectory with the Moon and subsequent midcourse corrections using the two 70-pound thrust [311-newton] Auxiliary Propulsion System units on the S-IVB would be intended to correct this trajectory and bring it into the precisely preplanned limits.
004:39:01 Young: Apollo 13, Houston.
004:39:04 Haise: Go ahead, Joe.
004:39:07 Young: Roger. They are having trouble verifying that the High Gain is doing its thing. Like to verify that the pitch is minus 10, the Y is plus 350, you're in Wide Beam Width and Auto. [Pause.]
004:39:29 Haise: Okay. Minus 10 pitch, plus 350 yaw, and Wide Beam Width and going into Auto. You want High Gain, John?
004:39:41 Young: That's affirm.
004:39:44 Haise: Okay. Here, it's coming at you.
Very long comm break.
Astronaut John Young, who was backup commander for Apollo 13, is now serving as Capsule Communicator in place of astronaut Joe Kerwin.
Previous Index Next
Day 1, part 2: Earth Orbit and Translunar Injection Journal Home Page Day 1, part 4: Settling Down for the Flight