Apollo Flight Journal logo
Previous Index
Day 8, part 35: Entry Preparations Journal Home Page

Apollo 10

Day 8, part 36: Homecoming

Corrected Transcript and Commentary Copyright © 2018-2026 by W. David Woods, Robin Wheeler and Ian Roberts. All rights reserved.
Last updated 2026-01-27
191:27:28 It's reported that the Apollo Range Instrumented Aircraft, acronym ARIA, are beginning to take their stations along the ground track of Apollo 10 for relaying radio communications back through to Houston. 21 minutes now to Entry Interface. About 6 minutes to separation of the Service Module. Still live on air-to-ground.
191:29:36 Stafford: OK, Houston. We're calling up Program 61.
The crew have previously tried out Program 61 - Entry Preparation, but this time it is being used in earnest.
191:29:40 Lousma: Roger, 10. Program 61.
191:30:06 Lousma: Apollo 10, Houston. We'd like to verify that the S-band power amp switch is in Low. Over.
191:30:13 Cernan: That's affirmative. It's been in Low.
191:30:15 Lousma: Thank you.
191:30:50 Lousma: Apollo 10, Houston. We'd like to update your landing cue card. You pass 90,000 feet [27,432 metres] at 06:26. Over.
191:31:09 Stafford: Roger.
191:31:10 Young: Roger. Thank you.
191:31:16 Young: I guess we have a Go for Pyro Arm here separate here, MSFN.
191:31:23 Lousma: That's affirmative, 10. You are Go for Pyro Arm.
191:31:27 Young: Roger.
Comm break.
Download MP3 audio file.
Clip courtesy John Stoll, ACR Senior Technician at NASA Johnson.
191:32:50 Young: OK. We're showing Sep time.
191:32:54 Lousma: Roger, 10. Go ahead.
191:33:00 Stafford: OK. We'll go on and separate it about 30 seconds early. At 44:30.
191:33:21 Stafford: 5, 4, 3, 2, 1.
191:33:25 Stafford: Sep.
The CM/SM Sep is initiated by the crew by placing the CM/SM Sep switches (2) to On on panel 2, and then CSM/LM FNL Sep switches (2) to On. This commences a sequence which interrupts the electrical power from the SM to the CM, the pyrotechnic charges operate guillotine blades that sever the CM/SM umbilicals and the three tension ties between the CM and SM structures.
At the beginning of this sequence, fuel cell power is automatically tied to the manual coils of the -X SM RCS engines. The -X SM RCS engines fire automatically following the spacecraft separation until fuel depletion or the fuel cells are depleted. Approximately 2 seconds after the CM/SM separation, the SM+ roll RCS engines are also fired automatically for about 5.5 seconds. This will assist in the atmospheric breakup of the SM as it induces a tumbling when it reaches the sensible atmosphere.
CM/SM Sep and CSM/LM Final Sep covered switches - CM panel 2.
CM/SM umbilicals.
CM/SM tension ties.
CM-SM Sep attitude.
191:33:37 Stafford: RCS transfer to Command Module.
Attitude control is now transferred to the CM RCS following the separation.
191:33:42 Young: I think separation was nominal.
191:33:46 Lousma: Roger, 10. We copy.
Comm break.
View from spacecraft at Entry Interface minus 15 minutes.
191:33:59 This is Apollo Control. Good separation has been confirmed. Apollo 10 just crossing the West Australian Coast and a long track toward the splashdown point, 350 nautical miles [650 km] east of Pago Pago, American Samoa. Leaving air-ground live for any transmissions that do take place prior to entry and beginning of black out.
191:35:02 Young: OK, Houston. That was a good Sep.
191:35:12 Lousma: Roger, 10. We confirm a good Sep.
The pyrotechnic firing was very loud at Command and Service Module separation. The Command Module separation impulse was in excess of 0.5g, because the Entry Monitoring System, which had been advertently left in the Delta-V and Normal configuration, started operating. The Entry Monitoring System was immediately reset to the next non-exit pattern and was reinitialized.
191:35:16 Young: What happened there was it had started out EMS, and I wonder how to reinitialize that. Do we run all the way through the test pattern?
191:35:25 Lousma: Stand by. We'll get an answer for you.
Comm break.
191:37:29 This is Apollo Control. Present altitude, 1,385 nautical miles [2,565 km].
View from spacecraft at Entry Interface minus 13 minutes.
191:37:55 Lousma: Apollo 10, Houston. On the EMS situation, best thing to do is to go counterclockwise on your switch back around to test 5, then advance to the next non-exit skip pattern.
View from spacecraft at Entry Interface minus 11 minutes.
191:38:11 Young: Roger.
191:38:12 Lousma: Reset your range and your V0, and you're ready to go again. Over.
MCC-H confirm to Young that he can reset the Range numeric display and move the scribe point to the 37K (V0) position on the non-exit scroll and it should operate correctly during entry.
191:38:15 Young: Roger. That's what I figured.
191:38:31 This is Apollo Control...
191:38:33 Young: And it's scribing right now.
191:38:36 Lousma: Roger, 10. We copy.
191:38:53 This is Apollo Control, the discussion has to do with the Entry Monitor System in which a visual display is given to the crew for describing the entry range to go from Entry Interface. Apparently, the thing has sorted itself out, certain amount of levity here in the control room as the recovery plot television display shows the Red Baron on station.
Apollo 10 EMS scribe plot.
191:38:37 Cernan (onboard): 36,395 - 36.4, John, is what you're looking for. There's the Moon.
Comm break.
Cernan is giving Young the VI0 inertial velocity from the Entry PAD 36,395 fps [11,093 m/s].
191:38:59 Young (onboard): I don't understand it. The son of a bitch is already [garble].
191:39:05 Cernan (onboard): Boy, we sure are moving with respect to the Moon.
191:39:08 Stafford (onboard): [Garble] we still pitching to the entry attitude.
Following the SM Sep, the Command Module is manoeuvred to the entry attitude in pulse control mode. The CM is yawed back 45° to the left.
191:39:10 Cernan (onboard): Ok.
191:39:11 Young (onboard): That water boiler's yawing us. That's what it is.
191:39:30 Young (onboard): Got to go clean through this one.
191:39:31 Stafford (onboard): Yes.
191:39:42 Cernan (onboard): [Garble] The check satisfy you, John - or can you see anything?
191:39:46 Young (onboard): I can't see the horizon out there. Might be able to when it's dark-adapted.
191:39:53 Stafford (onboard): OK, you got 10 minutes to go - about 9 minutes. There's the Moon and there's Mars - Jupiter.
View from spacecraft at Entry Interface minus 9 minutes.
191:40:03 Cernan (onboard): Just as we left him, huh?
191:40:10 Stafford (onboard): OK, Gene-o, you've got it set at f:11, 250th. Are you [garble] the power on?
191:40:15 Cernan (onboard): Yes.
191:40:26 Young (onboard): T.P., you got a lot of guts to sit here and watch this.
191:40:30 Stafford (onboard): Huh?
191:40:31 Young (onboard): You got a lot of guts...
191:40:32 Stafford (onboard): No.
191:40:33 Young (onboard): ...to sit here and watch. I can't stand it. It's driving me out of my mind.
191:40:35 Stafford (onboard): What do you mean?
191:40:36 Young (onboard): OK, here we go. We're back...
191:40:40 Cernan (onboard): OK, John, the numbers; VI0 is 364.
191:40:42 This is Apollo Control. The Red Baron has been replaced now by the Apollo Range Instrumented Aircraft ARIA number 5. However, the small sketch of an airplane looks right out on the recovery plot strangely looks like a Sopwith Camel.
191:40:50 Young (onboard): I don't want that. I want the other one.
191:40:52 Cernan (onboard): You want the range?
191:40:53 Young (onboard): Yes.
191:40:55 Cernan (onboard): OK, it's 1206.1.
191:40:59 Young (onboard): Also, can you set that time?
191:41:01 Stafford (onboard): I'll get it.
191:41:02 Young (onboard): Let me get right at the attitude to see if I can see anything on the horizon here.
191:41:08 Young: OK, Houston. We're approaching the entry attitude.
191:41:12 Lousma: Roger, 10.
191:41:19 Young (onboard): How many minutes to - to Entry Interface here?
191:41:21 Stafford (onboard): 1206.1. There you go - 8 - 7 minutes and something. 1206.1. Oh shit.
191:41:27 Young (onboard): 1206.1.
191:41:31 Stafford (onboard): There you go. John.
191:41:32 Young (onboard): OK.
191:41:33 Stafford (onboard): Ready - go - go to D0.
191:41:34 Young (onboard): D0.
191:41:37 Stafford (onboard): So you get 36...
191:41:39 Young (onboard): 367
191:41:40 Stafford (onboard): 400.
191:41:41 Young (onboard): 364.
191:41:42 Stafford (onboard): 395. if you can read that close.
191:42:01 Young (onboard): Entry.
191:42:02 Stafford (onboard): Entry. And Normal.
Young is now setting the EMS to the Entry function and Normal Mode to prepare it for its role during the entry.
View from spacecraft at Entry Interface minus 7 minutes.
191:42:03 Cernan (onboard): And Normal.
191:42:04 Young (onboard): Yes. Normal.
191:42:05 Stafford (onboard): There you go.
191:42:06 Cernan (onboard): Look at that rascally thing yaw us off.
191:42:09 Stafford (onboard): Yes.
191:42:10 Cernan (onboard): They're really boiling water, both of them.
Cernan is confirming that both steam evaporators are still functioning correctly, bringing down the temperature of the spacecraft's water/glycol coolant, unlike earlier in the mission. The departing vapour from the evaporators is providing enough impulse to yaw the Command Module off the desired entry attitude.
191:42:22 Young: What we're doing up here in entry attitude is just compensating for a little water boiling off.
191:42:27 Stafford (onboard): You want to turn the light down real quick, John?
191:42:29 Young (onboard): Yes, turn it down just a hair.
191:42:32 Stafford (onboard): I got that fixed on there, too.
191:42:33 Young (onboard): Fixed?
191:42:34 Stafford (onboard): Turn those on.
191:42:36 Young (onboard): I can't see a freaking thing. It doesn't make a difference [garble]. I ain't going to check that bunch. That's...
191:42:44 Stafford (onboard): Yes.
191:42:45 Young (onboard): ...asinine. There's nothing we can do about it anyway.
At Earth sunset, the final gross check of platform attitudes is made by positioning the horizon on the 31.7 degree line in the right rendezvous window. Young is unable to make out the horizon, so the crew recommends that the continual platform drift check, accomplished by tracking the horizon after command and Service Module separation, be deleted because of the impracticality of sighting the night horizon.
191:42:47 Cernan (onboard): Yes.
191:42:48 Young (onboard): Turn the goddam light back on.
191:42:50 Stafford (onboard): Hell, I feel like I'm really pulling gs.
191:42:52 Cernan (onboard): Yes, I do, too.
191:42:54 Young (onboard): [Garble] not pulling any gs...
191:42:55 Stafford (onboard): OK. We're showing 0.0664.
191:43:00 Young: Houston, could we have a Mark at 5 minutes to RRT? Over.
191:43:05 Lousma: Roger. Mark. 5 minutes at RRT.
191:43:12 Young (onboard): OK, Entry and Normal
191:43:14 Young: And we're all set up in EMS configuration, ready to go, and I believe it's going to work.
191:43:21 Lousma: Roger. We copy.
191:43:23 Stafford: And we're in P63. I'm sure you can read it on your DSKY, and R-to-go is decreasing, and VI is increasing. Everything looks good. Over.
R=Range, VI=Inertial velocity.
191:43:31 Lousma: Roger, 10.
191:43:41 Young (onboard): Want me to check out all that - directions?
191:43:42 Cernan (onboard): Yes.
191:43:43 Young (onboard): [Garble].
191:43:44 Stafford (onboard): OK.
191:43:45 Young (onboard): [Garble].
191:43:47 Stafford (onboard): About the only thing you got left when it gets there is Rate Command and the CMC in Auto.
191:43:52 Young (onboard): Si, si.
The Man Att (Pitch) switch on panel 1, is placed in the Rate CMD position to allow CMC control of the spacecraft pitch attitude. Placing the SC Cont switch on panel 1, in the CMC position inhibits any SCS control functions, leaving the CMC in control. The CMC Mode switch also on panel 1 is placed in Auto which determines which mode of operation the RCS DAP is in.
191:43:56 Cernan (onboard): The rest is up to you, babe.
191:43:58 Young (onboard): The rest is up to you, machine.
191:43:59 Lousma: Apollo 10, we missed your Mark at 5 minutes. 4 minutes and 50 seconds coming up.
View from spacecraft at Entry Interface minus 5 minutes.
191:44:05 Lousma: Mark.
191:44:07 Young: OK.
191:44:19 This is Apollo Control. Four minutes, 34 seconds to entry; 18 minutes, 34 seconds to splash.
191:44:25 Stafford (onboard): Is R circular? Yes, 208.
191:44:30 Young (onboard): 208. OK, now, we're at - Pyro's are not armed right now, and at 50K, we're going to arm those...
191:44:34 Present altitude, 395 nautical [miles, 730 km].
191:44:38 Stafford (onboard): [Garble].
191:44:39 Young (onboard): ...and we'll go to Boost Entry on this here R thing right here. That's what we do next.
191:44:43 Stafford (onboard): OK: And I'll be looking for it, John.
191:44:46 Young (onboard): Gene, pull your shoulder harness in if you didn't already because it's certainly going to be a good ride.
191:44:55 Cernan (onboard): When do you go to Boost Entry on that thing, John?
The Cabin Press Rel valves (2) on panel 325 are set Boost/Entry until the commencing of the CM RCS fuel dump, to equalize the cabin pressure with the external atmospheric pressure.
Cabin Pressure Relief valves on panel 325.
191:44:58 Stafford (onboard): 50,000 [ft, 15,000 metres].
191:44:59 Cernan (onboard): Huh?
191:45:00 Young (onboard): Did he miss our mark at...
191:45:03 Cernan (onboard): It doesn't say here.
191:45:05 Stafford (onboard): 50K [ft, 15,000 metres].
191:45:06 Young (onboard): Yes, does...
191:45:07 Cernan (onboard): It sounds like you switched antennas there, Jack, and we missed your mark. He gave us a mark at 04:50, didn't he?
191:45:08 This is Apollo Control. We're estimating S-Band communications blackout at 18 seconds after Entry Interface which is about 3 minutes, 37 seconds from this time.
191:45:15 Young (onboard): I didn't hear him.
191:45:17 Cernan (onboard): Yes, yes, I did quite a while ago.
191:45:39 Young (onboard): I'll get this yaw over there where it belongs. Get my head where it belongs, too. How's that pressure holding on Reg 1? Good? How's it on Reg 2?
Young is interested in the propellant pressures and temperatures for the two CM RCS rings.
191:45:54 This is Apollo Control. Velocity now up to 35,317 feet per second [10,764 m/s] climbing about 10 feet [3 metres] each second or so as the display turns over. Range to go 23,000 no - as you were. Move the decimal point over, 2,292 nautical [miles, 4,245 km].
191:45:59 Stafford (onboard): Beautiful. No difference - about 3300. The temperature's good; the pressure's good; and the manifolds are both good.
View from spacecraft at Entry Interface minus 3 minutes.
191:46:08 Young (onboard): OK, and we're Go here.
191:46:19 Stafford (onboard): [Garble}...
191:46:20 Lousma: Apollo 10, Houston. Spacecraft and guidance looking real good from here. We'll be attempting to contact you again after blackout at 328. Over.
191:46:29 Young: Roger. You working through an ARIA now?
191:46:35 Lousma: Negative. Not yet. We will be then, however.
191:46:38 Young: Roger. OK. The guidance is coming in. Looks good.
191:46:45 Lousma: Roger, 10.
Reentry guidance events.
191:46:57 Stafford (onboard): We're going to pull some gs, baby.
191:47:32 Apollo Control here. 35,927 feet per second [10,950 m/s], increasing rapidly. 1,845 nautical [miles, 3,417 km], range to touchdown.
191:47:43 Cernan (onboard): We're another minute.
191:47:45 Stafford (onboard): Yes.
191:47:56 Mark. 1 minute to Entry Interface.
191:47:56 Lousma: One minute, 10. You're looking good.
191:47:58 Young: Roger.
Long comm break.
View from spacecraft at Entry Interface minus 1 minute.
Download MP3 audio file.
Clip courtesy John Stoll, ACR Senior Technician at NASA Johnson.
Diagram of the reentry ground track and splashdown target point.
View from spacecraft at Entry Interface.
191:48:04 Stafford (onboard): Starting to trim much?
191:48:09 Young (onboard): No. We're still coming down like a stone.
191:48:17 Stafford (onboard): 36,156 [fps, 11,202 m/s].
191:48:19 Cernan (onboard): You feel the gs?
191:48:21 Stafford (onboard): No. Here's our range to go. We're going to be there sizzling in about - at this distance - in about 30 seconds. All we got left to go is your Rate Command, three of them, and CMC in Auto.
191:48:32 Young (onboard): Yes.
191:48:34 Stafford (onboard): And watch the sky turn blue out there.
191:48:37 Young (onboard): I ain't looking out. I'm keeping my head right where it belongs. Entry and Normal. OK.
Young hasn't got time to take in the view outside, he is keeping a close eye on the controls and displays inside the spacecraft, and is checking the EMS configuration.
191:48:42 Cernan (onboard): OK. Interface time is coming up.
191:48:50 Stafford (onboard): 54, 55 - Oh, here it comes.
191:48:54 Cernan (onboard): There's interface. There's interface.
191:49:03 Mark, Entry Interface. Velocity 36,331 [fps, 11,074 m/s] still increasing; downrange to splash point, 1,315 nautical miles [2,435 km].
Approximately 15 seconds prior to reaching 0.05g, a brilliant white plasma flow outside the spacecraft makes entry a completely "IFR" event, and the cabin lights are turned full bright. The view is filmed on magazine Jand shows the plasma during the re-entry and the drogue chute deploy. As the re-entry is in pre-dawn skies the lighting makes the chute deploy difficult to capture.
H.264 MP4 video file.
Apollo 10 entry footprint.
191:48:56 Stafford (onboard): Mark.
191:48:51 Stafford (onboard): Rate Command on three of them. The sky's going to start to glow. Here comes the glow, John.
191:49:01 Young (onboard): CMC to Auto.
191:49:02 Stafford (onboard): Yes.
191:49:03 Cernan (onboard): Here it comes, babe.
191:49:04 Stafford (onboard): Here it comes.
191:49:05 Cernan (onboard): Here it comes.
191:49:06 Stafford (onboard): Shit, you'd better believe it.
191:49:08 Young (onboard): OK, 0.05g is coming at 27.
191:49:11 Stafford (onboard): OK. Stand by for re-ent - Oh, look at that.
191:49:13 Cernan (onboard): Look at that. God damn. God damn. [Garble]...
191:49:17 Stafford (onboard): Look at that. Just looks like daytime. 0.2, 0.3, 0.4 - We're trimming in good.
We had S-Band blackout on predicted time; about 17 or 18 seconds after Entry Interface. Estimate coming out of the blackout at 3 minutes, 29 seconds after Entry Interface at 400,000 feet [121,920 metres]. Maximum g loading of the spacecraft and crew will be in the neighborhood of 6.7 gs. Drogue parachute deployment now predicted for 8 minutes, 17 seconds Retro Elapsed Time or Entry Elapsed Time in this case, since there has been no retrofire from a lunar return mission. All aircraft in the primary recovery area are on station. Splashdown will be approximately 25 minutes prior to local daylight in the Princeton prime recovery ship area, which is standing by on the aiming point. Likely orbiting around the aiming point rather than right on it.
191:49:23 Young (onboard): [Garble]...
191:49:27 Stafford (onboard): There's [garble]. Go.
Deceleration now exceeds 0.05g. This point triggers the transition of the CMC to Program 64, Entry-Post 0.05g. P64 controls the roll angle, maintains a constant drag level, and controls the initial entry to ensure the spacecraft velocity slows to below supercircular (orbital), guaranteeing it will return to the Earth's surface. The entry is targeted nominally for a R-TO-GO at EI.
At 0.1g, spacecraft control was switched from manual to the DAP.
191:49:29 Young (onboard): Here comes some gs, babe.
191:49:30 Stafford (onboard): Oh, you'd better believe here comes some gs. Here comes the water, too. Just sit back anyway.
Due to the lower temperature up in the area of the forward hatch, water condensation has built up, and now that the spacecraft is beginning to encounter some deceleration, the water is becoming detached from the hatch and walls around it and raining down on the astronauts in their couches.
191:49:39 Young (onboard): Here comes the water, too. Just sit back anyway.
191:49:43 Stafford (onboard): Shit!
191:49:44 Young (onboard): Got to be kidding, huh?
191:49:45 Stafford (onboard): You got to be kidding, José. That...
191:49:47 Cernan (onboard): It seems like about 10.
191:49:48 Stafford (onboard): Here's 2 gs.
191:49:49 Young (onboard): 2 gs.
191:49:50 Cernan (onboard): OK baby; you keep flying it.
191:49:51 Stafford (onboard): [Garble] my hand controller. John, it's looking good...
191:49:54 Young (onboard): 3 gs.
191:49:55 Stafford (onboard): ...at 3 gs. There's 1 minute gone.
191:49:57 Young (onboard): 4 gs.
191:49:58 Stafford (onboard): 4 gs.
191:49:59 Cernan (onboard): OK, babe.
191:50:01 All crew: 5 gs
191:50:05 Stafford (onboard): 5 gs.
191:50:06 Young (onboard): 5 gs, 6 gs...
191:50:01 Stafford (onboard): Everything's looking - 6 gs. 33,000 [fps, 10,000 m/s].
The primary guidance system commands full lift-up through the period of peak acceleration (6.8g).
191:50:10 Young (onboard): 6 gs.
191:50:11 Young (onboard): 6.2.
191:50:13 Young (onboard): 6.
191:50:15 Young (onboard): 6.2
191:50:18 Young (onboard): 6 gs...
191:50:19 Stafford (onboard): Is this a long [garble] - Oh, we're starting [garble].
191:50:21 Cernan (onboard): Hang on. It's getting better.
191:50:22 Young (onboard): It's getting better.
191:50:23 Stafford (onboard): It's going down.
191:50:25 Young (onboard): Getting better.
191:50:26 Stafford (onboard): We're starting to roll.
191:50:27 Young (onboard): Start to roll. Go, machine. It's rolling good.
At approximately 5.8g under automatic control, the spacecraft commences a roll to 90 degrees.
191:50:29 Cernan (onboard): Come on baby; fly.
191:50:30 Stafford (onboard): It's going good...
191:50:31 Young (onboard): It's fine; it's good. It knows just what it's doing.
191:50:33 Stafford (onboard): It knows just what it's doing.
191:50:34 Young (onboard): Yes, it's rolling out...
191:50:35 Stafford (onboard): It's rolled lift vector down.
At 5.3g, the spacecraft is commanded to a roll attitude of 180 degrees, or lift-down.
191:50:36 Young (onboard): [Garble] vector down.
191:50:37 Cernan (onboard): Come on, baby; fly.
191:50:38 Stafford (onboard): OK.
191:50:39 Young (onboard): Go on. Keep that lift vector down.
191:50:41 Stafford (onboard): Lift vector down.
191:50:42 Young (onboard): Lift vector down.
191:50:43 Stafford (onboard): 146. Ooh, only 3 gs. Feels real...
191:50:46 Young (onboard): 3 gs.
191:50:47 Cernan (onboard): Oh, man. That - the first one was a bitch...
191:50:48 Young (onboard): [Garble].
191:50:50 Stafford (onboard): 27,000 [fps, 8,230 m/s].
191:50:51 Young (onboard): Yes.
191:50:52 Cernan (onboard): Boy, that's spectacular!
191:50:54 Stafford (onboard): Coming up on 26 - Heck, we're only 2.5 gs.
191:50:57 Cernan (onboard): 3 gs.
191:50:58 Stafford (onboard): 26 [K fps, 7,925 m/s] now.
191:50:59 Young (onboard): Come on, [garble].
191:51:00 Stafford (onboard): We look - good shape.
191:51:01 Young (onboard): [Garble]. We're in good shape. Good shape. Good shape. OK...
191:51:05 Stafford (onboard): 25,000 [fps, 7,600 m/s]. We're Subcircling...
Two minutes past Entry Interface. About a minute and 29 seconds left in blackout. Velocity now 36,363 feet per second [11,083 m/s]. Apparently that was the last velocity in tracking prior to blackout.
191:51:07 Young (onboard): 3 gs. Yes.
191:51:08 Cernan (onboard): We are subcircling?
191:51:09 Young (onboard): Yes. [Garble].
191:51:10 Stafford (onboard): Subcircling.
At approximately 2 minutes, 8 seconds after entry, the system-indicated velocity is now showing the spacecraft is subcircular. It no longer has sufficient speed to maintain an orbit around Earth and so is committed to reaching Earth's surface.
191:51:11 Cernan (onboard): Beautiful. That's good news.
191:51:13 Young (onboard): OK, now we'll pick it back up. There it goes.
191:51:14 Cernan (onboard): Look at that fireball when you do that. God dang!
191:51:18 Stafford (onboard): Yes. There's 65. Stop lift.
The CMC has briefly entered Program 65-Entry-Up control. This program maintained the guidance towards the splashdown target, whilst the spacecraft followed the initial part of a rising skip trajectory. Apollo 10 was on a non-exit trajectory, so remained in P65 only for few seconds. Program 67 is entered automatically when the H-Dot (altitude rate) has become negative and the velocity is sufficiently low.
191:51:29 Stafford (onboard): Program 67 - it's looking good. Still says keep the lift vector up, baby. And we got 60 miles (111 km) to go, and we're 4.2 north. 4.4, 28 miles (52 km). 16 [garble] command to roll attitude.
The CMC has transitioned automatically to Program 67-Entry-Final Phase (bypassing P66 as this entry is a non-skip trajectory) as the H-Dot (altitude rate) has become negative and the velocity is sufficiently low. The main purpose of P67 continues the guidance towards the splashdown aim point, rolling the CM to aim the lift vector up or down as required to extend or reduce the downrange trajectory. It can also achieve a small steer to the left or right. The steering is terminated when the spacecraft velocity falls below 1,000 fps or 300 m/s relative to Earth. At this point the altitude should be approximately 65,000 feet (19,800 metres).
191:51:43 Young (onboard): OK, 3 gs.
191:51:44 Stafford (onboard): 3 gs?
191:51:45 Cernan (onboard): Yes. There's roll.
191:51:46 Stafford (onboard): Here we go, 41 degrees, John.
191:51:48 Young (onboard): There it goes. That's 41.
191:51:50 Stafford (onboard): Looking good.
191:51:51 Cernan (onboard): OK, we're coming home, baby.
191:51:54 Stafford (onboard): It says 35 degrees.
191:51:56 Young (onboard): Going to 35...
191:51:51 Stafford (onboard): Going a little north. You got a 5 undershoot. Now we're back like - just like the simulator.
191:52:00 Young (onboard): OK.
191:52:01 Cernan (onboard): OK, I'll give you a hack when we're out of blackout, John. We got 20 more seconds. We're just about out.
191:52:01 Stafford (onboard): OK, it's looking good. 12 north - 13 north, 5 to go.
191:52:10 Cernan (onboard): By golly, what a [garble]...
191:52:11 Stafford (onboard): 50 degrees. 50 degrees.
Roll angle.
191:52:12 Young (onboard): [Garble] that's...
191:52:13 Cernan (onboard): God, that's pretty!
191:52:14 Young (onboard): ...that's beautiful.
191:52:15 Stafford (onboard): 50 degrees. It's fantastic.
191:52:16 Young (onboard): EMS is working good. It's just right on the money.
Apollo EMS unit used for training purposes.
191:52:20 Stafford (onboard): Fantastic. 407 on the EMS.
191:52:22 Young (onboard): Yes.
191:52:23 Stafford (onboard): [Garble] 61 [garble]...
Roll angle.
191:52:24 Cernan (onboard): God, what a fireball. Boy, look at that mother.
191:52:25 Young (onboard): Isn't that beautiful?
191:52:26 Cernan (onboard): Look at that mother.
191:52:27 Stafford (onboard): ...[garble] fantastic. Just fantastic.
191:52:28 Cernan (onboard): Look at that!
191:52:32 Should be out of blackout at this time. We have a first report that Samoa rescue 1 aircraft, staging out of Hickam Air Force Base, has a visual contact. We have a report of visual contact from Air Boss 3 on station near the Princeton.
191:52:34 Stafford (onboard): Coming back up, it says let's roll left. baby, to about half left. It says 60 degrees left. She's doing good. Just coming right on the old pike. OK. It says plus 20; and we got to go south and start...
191:52:50 Young (onboard): Golly, looking out of the window; it's beautiful.
191:52:51 Cernan (onboard): Isn't that a beautiful purple? Golly, that's pretty!
191:52:57 Stafford (onboard): It's going to increase the bank; you got a little overshoot; and we're coming from north to south at 77 degrees.
191:53:02 Young (onboard): Yes, we're only pulling one g now. 1.5 gs.
191:53:04 Stafford (onboard): That's all.
191:53:05 Cernan (onboard): OK, you're out of blackout, John.
191:53:07 Young (onboard): Houston, this is Apollo 10 out of blackout. How do you read? Over.
191:53:12 Stafford (onboard): [Garble] nothing.
191:53:14 Cernan (onboard): You're through ARIA, so - Look at that. That's beautiful.
191:53:18 Young (onboard): Houston, Apollo 10, through blackout transmitting in the blind. EMS is working properly. The CMC is working properly. The g meter; we're working properly, and I guess we are, too.
191:53:30 Cernan (onboard): How's it looking! John?
191:53:33 Stafford (onboard): 81 degrees [garble] angle. We're 10 north decreasing we're 9 north. 19 downrange - we're 4 off the downrange end. 8.9 to the north. 18 overshoot. We're coming in just beautifully.
When the downrange error decreased to minus 9 miles on the display keyboard, a roll error is indicated on the attitude displays and the autopilot begins correcting for cross range error. Cross range corrections continued to be made throughout the remainder of the entry.
191:53:45 Cernan (onboard): How many gs we got?
191:53:45 It's reported from the Princeton that they on board the prime recovery vessel have visual contact of Apollo 10. Apparently that is radar contact rather than visual. No confirmation of visual at the present time.
191:53:47 Young (onboard): 2 gs.
191:53:48 Cernan (onboard): I don't believe it.
191:53:49 Stafford (onboard): This is our second peak, Gene-o.
191:53:50 Young (onboard): OK, we're going down on peak g again.
191:53:51 Stafford (onboard): We have another peak to come in.
191:53:52 Young (onboard): OK, it's - this [garble] - it's only - it's only up to 2 gs now - 3 gs. 2.5.
191:53:59 Stafford (onboard): Here comes the water again on my feet [laughter).
191:54:02 Young (onboard): What water?
191:54:03 Stafford (onboard): From the freaking tunnel...
191:54:04 Young (onboard): The tunnel?
191:54:05 Stafford (onboard): It's cold, John baby.
191:54:09 Stafford (onboard): 1.7.
191:54:10 Young (onboard): 3 gs.
191:54:12 Stafford (onboard): Man, it's got the cross range right out.
191:54:14 Young (onboard): 3 gs, 3.5.
191:54:18 Stafford (onboard): [Garble]. It's going to pulse the lift vector up.
191:54:19 Young (onboard): 4 gs. Going to go lift vector up.
191:54:23 Stafford (onboard): We'll let her shoot, lift vector up.
191:54:27 Young (onboard): 4 gs. God, where [garble]?
191:54:31 Cernan (onboard): Go, baby. Just fly.
191:54:36 Stafford (onboard): It says you better roll right, then left.
191:54:41 Young: OK, Houston, we're showing 6 miles [11 km] short right now, and we're coming on in. Pulling about 4 gs. This machine is flying like crazy. Boy, it's really great.
191:54:53 Stafford (onboard): 40 miles [74 km]...
191:54:53 Lousma: Roger, 10. We copy, and we've got you on TV.
191:54:56 Stafford (onboard): Roger...
191:54:57 Young: [Laughter.] Well I tell you, this thing is beautiful.
191:55:00 Stafford: It shows a 2 miles [3.7 km] overshoot, 1.7 [nautical miles, 3.1 km], 1.2 [nm, 2.2 km] cross range.
191:55:04 Young: And we're pulling about 3½ gs now. We're rolling right 60 degrees, and we're practically on top of the target. EMS is reading 21 miles [39 km] to go. Come down - looks like it's - We're about 150K [feet,45,720 metres] right now.
191:55:18 Stafford (onboard): Steam pressure. Get the steam pressure...
191:55:20 Young (onboard): ...things are stopped...
191:55:21 Cernan (onboard): OK, we ought to be hitting 90 K [feet, 27,432 metres] any minute.
191:55:25 Young (onboard): You get the steam pressure yet?
191:55:27 Cernan (onboard): I'm watching it. No. But there's their 90K [feet, 27,432 metres] time right now.
191:55:29 Stafford (onboard): We're 6 minutes and 2 seconds.
191:55:31 Cernan (onboard): Here's our 90K [feet, 27,432 metres] time.
191:55:32 Stafford (onboard): Says roll left...
191:55:33 Young: OK.
191:55:35 Cernan (onboard):No. I didn't get the steam pressure, but that's their 90K [feet, 27,432 metres]. We're past it.
191:55:39 Stafford (onboard): OK
191:55:42 Stafford: Apollo 10. If the Princeton's there, we're going to be there shortly.
191:55:48 Cernan (onboard): OK, there goes the steam pressure.
191:55:50 Stafford (onboard): OK, steam pressure.
As the spacecraft descends through the 90,000 feet [27,500 metres] level, the pressure within the water evaporator's steam outlet begins to increase very slowly to the maximum indicator value of 0.25 psi. This is due to the rising atmospheric pressure. Bill Anders on Apollo 8 had suggested that this could be used as a check. The estimate of 60,000 feet, based upon the water boiler being at the full increase position at 90,000 feet [27,500 metres] is approximately 15 seconds after the actual 60,000 feet [18,300 metres] mark on the altimeter.
191:55:51 Lousma: Roger, 10. we're waiting for you.
191:55:52 Young (onboard): OK, we show 90K [feet, 27,432 metres] right now.
191:56:01 Stafford (onboard): [Garble].
191:56:03 Cernan (onboard): Man, is that thing ever flying!
191:56:07 Stafford (onboard): 1 mile.
191:56:08 Young (onboard): OK, what's - what's 50K [feet, 15,240 metres]...
191:56:10 Stafford (onboard): OK, see what's 50K [feet, 15,240 metres] time. OK.
191:56:16 Cernan (onboard): OK, I'd estimate 50K [feet, 15,240 metres] here pretty quick, John. You ought to be off the - off the - thing here pretty...
191:56:22 Young (onboard): They're coming off the peg; we're at 60K [feet, 18,288 metres] right now.
191:56:25 Stafford (onboard): OK, latitude is minus 15.09; longitude, 164.68. Over. 50K [feet, 15,240 metres] Pyros Armed.
191:56:37 Cernan (onboard):50K, we're arming the Pyros.
The pyrotechnic charges to jettison the forward heat shield, and deploy the parachutes are now armed.
191:56:38 Lousma: Apollo 10, Houston. You're coming in broken, but we still have you visual. Over.
191:56:39 Stafford (onboard): OK.
191:56:44 Cernan (onboard): OK. we ought to get drogues here at...
191:56:47 Stafford (onboard): Gene-o, that was [garble].
191:56:50 Cernan (onboard): Stand by. I'll tell you.
191:56:53 Stafford (onboard): [Garble].
191:56:55 Cernan (onboard): OK. there's 8 minutes. We ought to get drogue on ground time in 17 seconds.
191:56:58 Stafford (onboard): OK.
191:56:59 Young (onboard): OK.
191:57:00 Stafford (onboard): You can see the altitude. John?
191:57:01 Young (onboard): OK. I guess.
191:57:03 Stafford (onboard): You...
191:57:04 Young (onboard): We're only pulling a g, you guys.
191:57:05 Cernan (onboard): How about your ELS Auto Logic. On. Huh?
191:57:07 Young (onboard): ELS Auto Logic.
The ELS mode switch on panel 1 is placed in the Auto position to allow the ELS to operate automatically during the apex cover jettison, and the drogue and main chute deployment.
ELS mode switch - CM panel 1.
191:57:09 Cernan (onboard): You got it On?
191:57:10 Young (onboard): Yes. it's On.
191:57:11 Cernan (onboard): OK.
191:57:12 Young (onboard): Stand by for the drogues.
191:57:13 Cernan (onboard): Drogues ought to be coming out on their time.
191:57:14 Stafford (onboard): Stand by. There went something.
191:57:20 Cernan (onboard): God damn! There's the drogues! There they are. babe.
191:57:23 Young (onboard): God damn. we're on the drogues.
191:57:24 Stafford (onboard): Beautiful...
191:57:25 Cernan (onboard): There they are.
191:57:27 Young (onboard): Rock, rock, old baby; rock, rock. This son of a gun...
The pyrotechnic devices are rearmed at 50,000 feet [15,250 metres] and, after the apex cover has been jettisoned, the drogues deploy automatically. During drogue reefing, there are some momentary and moderately violent spacecraft oscillations which will damp out very rapidly when the drogues dereef.
191:57:31 Stafford (onboard): You want me to kill the Rate Command. There's sunrise out there.
Rate Command in all three axes is no longer required as the CM RCS have been switched off.
191:57:35 Cernan (onboard): There's the drogues.
191:57:36 Stafford (onboard): Houston, Apollo 10. We've got good drogues.
191:57:39 Cernan (onboard): What's our altitude, John?
191:57:41 Young: OK, we're going through 18,000 [feet, 5,500 metres] right now.
191:57:44 Stafford (onboard): OK, Boost/Entry on those valves, babe.
The pressure relief valves were not placed in the entry position until 24,000 feet [7,300 metres]. Air inflow through the cabin pressure relief valve was satisfactory, since the cabin-pressure indicator showed a normal rise.
191:57:45 It's reported from the prime recovery vessel Princeton that they heard a sonic boom from Apollo 10. Samoa Rescue 2 aircraft has S-band contact. A lot of speculation as to whether the item in the television picture from the ship is actually the spacecraft or the Service Module.
191:57:47 Cernan (onboard): OK, R - RCS Command. Off.
191:57:48 Stafford (onboard): RCS Command, Off.
Now that the spacecraft is in falling freely and no longer flying, and the targeting has finished, the CM RCS are commanded Off using RCS Command switch on panel 2. This will prevent the CM RCS operation when the parachutes are deployed and post splashdown. The manual CM RCS Command Off is a backup action, as the barometric switch at 24,000 feet [7,300 metres], automatically removes power from the RCS on-off controller.
RCS Command switch - CM panel 2.
191:57:49 Young (onboard): [Garble].
191:57:51 Cernan (onboard): Can you get them? OK. Sun's just coming up.
191:58:04 Stafford (onboard): OK.
191:58:14 Stafford (onboard): [Garble].
191:58:16 Cernan (onboard): [Garble] see reefs, you mothers.
191:58:18 Stafford (onboard): Big ones.
191:58:19 Cernan (onboard): See reef. There they are.
191:58:21 Stafford (onboard): Beautiful.
191:58:22 Young (onboard): OK, go through that VHF checklist.
191:58:25 Stafford (onboard): VHF checklist.
191:58:26 Cernan (onboard): OK, VHF Antenna is Recovery. VHF A is coming to Simplex. VHF A is Simplex. VHF Beacon is On. Get your light on, Tom. Postlanding Beacon, low. Put it on. They'll find us faster.
The VHF Antenna rotary selector switch on panel 3, is placed in the Recovery position, which connects the VHF antenna number 2 with the telecommunications system. VHF AM A is set to Simplex using the switch on panel 3 for voice only communications, and the VHF Beacon is switched On to aid location of the CM, using the switch also on panel 3. The Postlanding Beacon Light switch on panel 15, is placed in the Low position so that it's flashing rate is slow.
VHF rotary selection switch - CM panel 3.
VHF Beacon switch - CM panel 3.
Post Landing Beacon Light switch - CM panel 15.
Recovery beacon light.
191:58:39 Stafford (onboard): OK. Ready?
191:58:40 Cernan (onboard): Cabin Pressure Relief valve, Closed.
191:58:41 Stafford (onboard): Closed. [Garble].
At approximately 8,000 feet [2,400 metres] on the cabin altimeter, both Cabin Pressure Relief valves are closed prior to the RCS purge.
191:58:46 Cernan (onboard): RCS Logic. On.
191:58:47 Stafford (onboard): RCS Logic. On.
Reaction control propellant was dumped with an audible firing noise. All thrusters were fired out completely in an estimated incremental altitude of 2,500 feet [760 metres]. The Reaction Control purge was initiated and was characterized by a very loud "swishing" sound. An exhaust plume observed out the right side window was approximately 6 feet long [1.8 metres] and 3 feet [0.9 metres] across at its widest point. When the purge was completed, a flame was seen out of the right-hand window, and it progressed to the upper edge of the window. The flame persisted for approximately 1 minute and burned out prior to landing. The Reaction Control systems were then isolated, and the Cabin Pressure Relief valves were opened. There was no noticeable smell of any cabin air contamination as the outside air flowed into the spacecraft.
The RCS Logic switch on panel 1, is placed in the On position to provide power to the CM Propellant Dump switch.
RCS Logic switch - CM panel 1.
191:58:57 Recovery 2: [Garble] Recovery 2, [garble] 07 to [garble] Over.
191:59:13 Recovery aircraft 3 has a visual with the spacecraft on parachutes. A lookout on board the Princeton reports sighting the spacecraft on the main parachutes. We're still about 25 minutes away from sunrise at the Princeton.
191:59:30 Recovery 3: Recovery 3, [garble] 015 [garble].
191:59:38 Recovery 2: This is Recovery 2 with the recovery beacon showing 2252 also have a visual on the light.
191:59:50 Cernan (onboard): OK...
191:59:51 Stafford (onboard): [Garble] close it [garble]. Yes.
191:59:58 Cernan (onboard): Yes.
Flight Plan page 3-116.
192:00:01 Young (onboard): OK.
192:00:02 Stafford (onboard): OK.
192:00:03 Cernan (onboard): OK, did you get the purge done?
192:00:04 Young (onboard): Yes, yes.
192:00:06 Cernan (onboard): OK, struts unlock.
192:00:08 Young (onboard): Struts unlock.
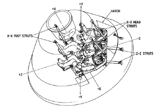
The X-X shock attenuation struts which support the crew couches have a lockout mechanism that prevent any attenuation of those struts during the nominal mission. Once the main parachutes have been deployed, the lockouts are manually released so they can perform their attenuation role at splashdown.
Crew couch shock attenuation struts.
Location of the couch shock attenuation lock mechanism.
Diagrams of couch shock attenuation lock mechanism, lock and unlocked positions.
192:00:09 Cernan (onboard): Ready?
192:00:10 Young (onboard): OK, this one's unlocked.
192:00:11 Cernan (onboard): John, [garble] forward.
192:00:14 Photo 1: This is Photo 1. All three chutes are deployed normal.
192:00:18 Cernan (onboard): We're [garble]. We got fire out. We got fire out. [Garble].
191:00:23 Stafford (onboard): [Garble] fire?
192:00:24 Cernan (onboard): Yes.
192:00:25 Stafford (onboard): I got the [garble].
192:00:26 Cernan (onboard): We got fire out here.
192:00:27 It's reported from photographic aircraft in the area that all three chutes are deployed, which is quite obvious from the television coming from the prime recovery vessel. It's early twilight, early morning dawn at the ship. Still enough daylight to see the spacecraft.
192:00:28 Stafford (onboard): Hope it isn't [garble].
192:00:33 Cernan (onboard): We got fire...
192:00:34 Young (onboard): OK, we show ourselves coming through 5,000 feet [1,500 metres].
192:00:37 Cernan (onboard): ...Tom, I got fire out the right window.
192:00:40 Recovery 2: [Garble] control. Say again.
192:00:41 Cernan (onboard): Houston, we have [garble] when we hit the water, goes out.
192:00:47 Cernan (onboard): OK, babe, what - you're 25. OK.
192:00:51 Young (onboard): [Garble] transmitting in the blind. We show ourselves at 15.07, minus 164.65.
192:00:58 Cernan (onboard): Want to close this? Do you want...
192:00:59 Air Boss: Apollo 10, this is Air Boss. Over.
192:01:01 Young (onboard): Roger, Air Boss. Read you loud and clear.
192:01:04 Air Boss: Roger. Reading you loud and clear. Say again your position. Over.
192:01:09 Stafford (onboard): Roger. We're 15.07 west, 164.67. We should be right on top of your carrier.
192:01:16 Air Boss: Roger. Understand. Right on top. We have good beacon on you, and we have good chutes on you. Over.
192:01:24 Stafford (onboard): Roger. Roger.
192:01:26 Cernan (onboard): Flood, Postlanding, John.
192:01:27 Young (onboard): OK. Flood, Postlanding.
With the Flood switch on panel 8 in the Postlanding position, provides a single intensity level to the commander's lamp. It is switched to this position when DC power is disconnected in the latter part of the descent and post-splashdown.
Floodlight switch - CM panel 8.
192:01:29 Cernan (onboard): Check [garble].
192:01:31 Air Boss: Apollo 10, Air Boss. Give us a call when passing through 5 [thousand feet, 1,500 metres] and 3,000 [feet, 900 metres]. Over.
192:01:35 Cernan (onboard): Rotational Control Power, Direct, Off.
Now that the CM RCS has been disabled as they are no longer required, the rotational hand controller direct control is being switched off using the 2 switches on panel 1.
192:01:38 Stafford (onboard): [Garble] I got it.
192:01:40 Air Boss: Air Boss 3 control [garble] first pilot position.
192:01:45 Stafford (onboard): Roger. We're through 3,000 feet [900 metres].
192:01:47 Stafford (onboard): Mark it.
192:01:48 Air Boss: 3,000 [feet, 900 metres]; Roger. Marking it, and I did not get your latitude initially. Over.
192:01:53 Stafford (onboard): [Laughter.]
192:01:54 Cernan (onboard): I never got to copy it, babe.
192:01:56 Stafford (onboard): Roger. Lift at minus 15...
192:01:58 Cernan (onboard): 15.07.
192:02:00 Stafford: 1507 at 16467 [15.07° south, 164.67° west]. We should be right on top of you if you're down there.
Stafford is reading out the present co-ordinates displayed on the DSKY. As part of program 67, Verb 16, Noun 67 displays the range to splash and the present latitude and longitude.
192:02:04 Air Boss: That's affirmative. You are - Repeating - 15.07 and 164.67.
192:02:12 Cernan (onboard): OK, John; stay in Dump until 800 feet (240 metres]...
192:02:15 Young (onboard): We're not in Dump.
192:02:17 Cernan (onboard): You should be in Dump.
The CM Propellant Dump switch on panel 1 is placed in the up position soon after the main parachutes have been deployed. The remaining propellant is then burned off through 10 of the 12 RCS engines. The plus-Pitch engines are excluded as these are too close to the parachute lines. Once the propellant dump is complete, the CM Propellant Purge switch also on panel 1 is placed in the up position, to deplete the helium source pressure and purge the CM RCS system. The purge takes approximately 14 seconds to complete. These operations make the CM RCS safe for splashdown and recovery. At this time in the descent both of these functions should have been completed.
CM Propellant Dump and Purge switches - CM panel 1.
192:02:18 Photo 1: This is Photo 1. I'm about level with you, Apollo 10. I'm following you down.
192:02:22 Stafford: Roger, this is Apollo 10. [Garble]. We are in great shape. Over.
192:02:30 Photo 1: Roger. [Garble].
192:02:31 Air Boss: This is Air Boss, and we have two helos in your immediate vicinity. We're closing all other forces. Over.
192:02:31 Stafford (onboard): Roger. We're 1,500 feet [450 metres] and everything is Go.
192:02:42 Cernan (onboard): Keep them open, John. 1.
192:02:45 Stafford (onboard): Huh?
192:02:46 Cernan (onboard): The fire's out [Garble].
192:02:48 Stafford (onboard): OK.
192:02:49 Air Boss: Airborne aircraft, this is Air Boss. Position from Princeton...
S69-36594 - The Apollo 10 Command Module descends towards the Pacific Ocean, under the canopy of the three main parachutes in the pre-dawn light - Image by NASA
192:02:54 Young (onboard): OK, 800 feet [244 metres]...
192:02:55 Young: ...Let's...
192:02:55 Air Boss: 350 [garble]...
192:00:56 Young (onboard): ...close [garble]...
192:02:57 Air Boss: ...at 4 miles [7.5 km], converge.
192:02:58 Stafford (onboard): Roger.
192:02:59 Cernan (onboard): Tell them we're going off the air. Bus Ties [Garble].
192:03:01 Stafford (onboard): OK.
192:03:02 Young (onboard): OK, stand by.
192:03:03 Stafford (onboard): 800 feet [244 metres].
192:03:04 Cernan (onboard): OK, Bus Ties going...
The 2 Main Bus Tie switches on panel 5, are placed in the Off position, removing battery bus A from the DC main bus A, battery bus C from the DC main bus B, battery bus B from DC main bus B, and battery bus C from DC main bus A.
192:03:25 Air Boss: Splashdown.
192:03:27 Air Boss: Hello. Air Boss. Splashdown.
192:03:33 Recovery 3: This is Recovery 3. Splashdown was Stable 1. Repeat, Stable 1.
The Command Module is suspended at an angle of 27.5° to the horizontal under the main parachutes, with the main hatch upper most. This allows the spacecraft to enter the water on the side opposite the main hatch, where crushable ribs are installed to attenuate some of the impact forces. As the spacecraft enters the water, depending on the sea state that is encountered at splashdown, the Command Module can be tipped over to a apex down attitude, which is known as "Stable 2", or as in this case, remain upright, floating with the heat shield base down, apex up, which is known as "Stable 1".
The main parachute release circuit breakers on panel 229, were closed by Cernan and the release switch on panel 2, was activated immediately following a call from Cernan, by Stafford, and the main parachutes fell into the water near the spacecraft. The chutes had been released before they hit the water.
Main Release Pyro A & B circuit breakers - CM panel 229.
Main Release switch - CM panel 2.
192:03:38 Air Boss: Roger.
Apollo 10 splashdown and recovery showing film coverage of the final descent, recovery and celebrations on the USS Princeton.
H.264 MP4 video file.
And we had splashdown at 192 hours, 3 minutes, 25 seconds approximately. The spacecraft is in stable 1, that is apex up, about 4 miles [7 km] estimated from the Princeton.
Prime recovery vessel, USS Princeton.
Recovery: Air Boss, try to engage the main chutes.
Photo 1: Photo 1, wilco.
Following splashdown, Stafford left his couch and moved to the Lower Equipment Bay, which helped stabilize the Command Module as it floated awaiting recovery.
Recovery 3: Air Boss, 3, we have 2 drogue chutes in sight. Hello, Boss 3, the drogue chutes are from you, 0 [garble] estimating at 7 miles [13 km]. They are corning down at about 7,000 feet [2,130 metres] now.
Air Boss: Recovery 3, how do you read?
Recovery: 20365 [garble].
Latest estimate now 3 miles [5 km] from the Princeton.
Air Boss: [Garble] Recovery 3, the main chutes do not appear to have detached. There are still shroud lines over the Command Module. Over.
Recovery 3: Roger, that's because they fell back [garble]. Over.
Stafford: Hello, Princeton, this is Apollo 10, we have you, do you have us? Over.
USS Princeton: [Garble].
Air Boss: Princeton, Air Boss. Over.
USS Princeton: We have the [garble] aircraft in sight.
Air Boss: Roger. Apollo 10 is calling. They have you in sight. Do you have them in sight? Over.
Recovery 3: This is Recovery 3 and the Command Module is 090.
Air Boss: Roger.
USS Princeton: Apollo 10, this is Princeton Control. We have you in sight.
Air Boss: Control from Air Boss, the drogue chutes now are at 030, estimating [garble] miles from you, and approximately 4,000 [feet, 1,200 metres] slowly drifting down.
Young: Recovery, this is Apollo 10. This looks like a great chance to get a few parachutes...
Air Boss: Apollo 10, Air Boss concurs and [garble].
Young: OK. Its a mighty nice sea state you guys got here today.
Air Boss: That's affirmative and welcome back to Earth on behalf of prime recovery ship, Princeton. Over.
SC: You don't know how glad we are to be here. [Garble].
Air Boss: Photo 1 move off please.
Recovery 3: Princeton, this is Recovery 3. The Command Module is pitching up 10 degrees.
Air Boss: Air Boss 3, we'll mark both drogue chutes with a short burner.
Air Boss: This is Air Boss 3, Roger, Air Boss 1's strangle and Air Boss 2's strangle, I'm at activating now.
USS Princeton: We lost your signal.
Air Boss: Air Boss, 3 has relay activated, primary lead, do you read, over.
USS Princeton: [Garble] 060. 16 miles [30 km]. [Garble].
Recovery 3: 3, tally-ho the drogue chutes...
Air Boss: Recovery 3, Air Boss, roger. We're going to mark the long burner coming back over down.
Recovery 3: This is Recovery 3. Apex cover is floating [garble], 10 miles [19 km] from the Command Module.
Photo 1: This is Photo 1. We've engaged one of the chutes and the raft is deployed. The second one, the raft did not inflate when we dropped it out [garble] making our approach on the third one.
Air Boss: Are you copying all, or do you desire me to relay. Over.
USS Princeton: We copied all of it.
Air Boss: Roger, and Bridge, from Boss, are you reading? Over.
USS Princeton: [Garble].
This is Apollo Control. Recovery Helicopter Number 3 is now presently on approach to drop swimmers. The swim team, first one to go out in the jumping order will be Boatswain Mate First Class J. L. Boisvert of Imperial Beach, California who was also, involved in Apollo 6 recovery. Second man out will be Seaman Michael G. Mallory, of Alderwood Manor, Washington. Number 3 man out will be Lieutenant Junior Grade Wesley T. Chesser of Arlington, Virginia. We'll rejoin what readable conversation there is between Air Boss and the crew of Apollo 10 through the carrier.
Recovery 2: Recovery 2 [garble] 5003.
Air Boss: This is Air Boss, Roger. First aircraft in the area will be backup. The craft will get a mark on these drogue chutes and get them located.
Recovery 3: And this is Recovery 3. The apex cover is marked for the short burner.
Download MP3 audio file.
Clip courtesy John Stoll, ACR Senior Technician at NASA Johnson.
192:11:44 Young: OK, rescue, this is Apollo 10. Take your time and take it easy. We've got a good sea state and we want you all to be careful.
The cabin environment was very comfortable after landing; consequently, the postlanding ventilation system was not activated. Appropriate circuit breakers were opened and switches turned off, and the spacecraft was powered down.
Recovery 3: Recovery 3, Roger.
Young: Roger.
Air Boss: Control, Air Boss, the drogue chutes have sunk, [garble] to look for them [garble].
Recovery 2: This is Recovery 2 on station at this time, taking up the backup position. Over.
Air Boss: This is Air Boss, Roger.
Recovery: This is Photo 1. We've engaged in the water the two chutes, there are two rafts are in the water, you should have two good chutes.
Air Boss: Air Boss, Roger [garble] in sight to Recovery 3 is ready, over
Air Boss: Recovery 3, commence when you are ready, over.
Recovery 3: Recovery 3, wilco.
Recovery 3: Photo 1, this is Recovery 3, you have the area, you have the area.
Photo 1: Photo 1, roger. Break [garble].
Recovery 3: Recovery 3 is commencing the pass with the first swimmer.
Recovery 3 moving into position for dropping the first swimmer; Recovery 3 is piloted by Commander Charles B. Smiley, of Chula Vista, California. Co-Pilot is Lt. Jay Scott Walker of Long Beach, California, who was also involved in the Apollo 8 recovery operation.
Recovery helicopter 3 has just deployed the first swimmer, who will attach a sea anchor to the Command Module.
Recovery 3: First swimmer is in the water with the sea anchor approximately 20 or 30 feet [6 to 9 metres] from the Command Module, and approaching at this time; over.
First swimmer has jumped into the water.
Air Boss: [Garble] 1,500 yards, make a search for the drogue chutes area, and snag if possible.
Recovery 1: Recovery 1, wilco.
Air Boss: Affirmative. Come on overhead at Angels 2.
Photo 1: This is Photo 1. The swimmer is at the module at this time and is attaching the sea anchor.
Air Boss 3: Boss, 3, Boss...
Air Boss: Go ahead 3.
Air Boss 3: Overhead at the present time.
Air Boss: Recovery 3, Roger. Anchor overhead at Angels 2 [garble] over.
Recovery: Photo 1, the swimmer has attached the sea anchor at this time and is attempting to free the shroud lines from over the Command Module.
Recovery 3: Apollo 10 this is recovery 3. The medical officer requests that you report on your condition. Over.
Stafford: Would you tell the medical officer to just relax, because we are in great shape. Over.
Recovery 3: This is Recovery 3. Roger. Out.
Stafford: Tell the medical officer, have aspirin, and relax.
Recovery 3: Recovery 3, wilco.
Stafford: ...super great, we feel as good as when we left the Cape 8 days ago, and were just here relaxing, over.
Recovery 3: Recovery 3, I have a thumbs up from the swimmer, we're making a second pass to deploy 2 swimmers.
Recovery 3: Photo 1 picking up the [garble], Recovery 3 is approaching the Command Module...
Recovery 3: [Garble] 2 swimmers and the sea anchor in the water at this time. Have a thumbs up from the swimmer. Have three swimmers in sight, and they are good. Photo 1, the two swimmers are taking the collar towards the module at this time.
Air Boss: Princeton bridge, Air Boss, do you read, over.
This is Apollo Control; we had confirmation that all three swimmers are in the water.
Air Boss: Air Boss 1 to Boss 3. Request you activate relay.
Air Boss 3: Boss, wilco.
Recovery 3: Photo 1, the swimmers have a [garble] Command Module at this time, and are commencing its installation.
Cape Comm tech: ARIA 5, Cape Comm tech on Simplex.
ARIA 5: Cape Comm tech, ARIA 5, MC. This is ARIA 5; we are using VHF at this time PAC net is unusable.
This is Apollo Control; the 3 swimmers in the water presently are attaching the flotation collar underneath the Command Module.
SC: [Garble] bags.
Air Boss: Roger, Apollo 10, you copy control.
USS Princeton: They will not inflate their bags, once they get the collar inflated.
Photo 1: Photo 1, the collar is half way around.
Air Boss: Recovery 1; Air Boss. No joy on the drogue, return...
Recovery 1: Recovery 1, wilco.
Flotation of the collar now approximately half way around the spacecraft.
Photo 1: Photo 1, the collar installation is all the way around at this time and the swimmers are connecting the two ends.
Stafford: Hello Recovery 3; Apollo 10.
Recovery 3: Apollo 10, Recovery 3, go ahead.
Stafford: Roger; we told you we'd be right on spot. How far did we take you off the spot? Over.
Recovery 3: This is Recovery 3. Be advised the captain says you win the bet, but it was a close contest. Over.
Stafford: OK. Tell him thanks a lot for being here. over.
Recovery 3: Roger. Will pass. Princeton, you copy? This is Recovery 3 relaying from Apollo 10. He says thanks for being here. Over.
Princeton reported now 2,000 yards (1,830 metres] away from the spacecraft and making its approach. Flotation collar now being inflated.
Photo 1: Flotation collar is attached and inflated.
Inflation of the flotation collar complete.
Photo 1: Photo 1 the swimmers are on the collar at this time.
Photo 1: Air Boss we have [garble] please do not come too close to the module on your pass. Over.
Three swimmers are now sitting on the collar, that flotation collar that's supporting the Command Module. The landing platform helicopter Princeton, carrier Princeton, affectionately known by its crew as "Sweet Pea" is skippered by Captain Carl M. Cruse of Woodville, Texas, who coincidentally is a distant cousin of Orange Team Flight Director Pete Frank. To go back and review splash time; 192 hours, 3 minutes, 25 seconds.
Air Boss: Control, Air Boss, the [garble] to the south of the module, are marking a chute, over.
Photo 1: The swimmers have the raft at the module at this time and are inflating it and attaching the securing lines.
Photo 1: Photo 1, the capsule raft is inflated and the swimmers are securing at this time.
Photo 1: [Garble] riding very steadily, the flotation collar is inflated and good and the raft is inflated and in good shape, the swimmers are continuing to secure the raft secured and the swimmers are opening the hatch. The thumbs up from the swimmer, the astronauts are opening [garble].
The hatch was opened against a slightly negative pressure.
We've had confirmation from the recovery vessel Princeton that the Command Module hatch has been opened and the Apollo 10 crew egress is likely to take place as they climb out onto the raft and await pickup by the recovery helicopter.
Photo 1: [Garble] is open.
Download MP3 audio file.
Clip courtesy John Stoll, ACR Senior Technician at NASA Johnson.
192:29:24 Recovery vessel Princeton now estimates 1,100 yards (1,000 metres] from the ship to where the Command Module is floating.
Photo 1: They put a man in the water to secure the raft however is right between the ship and the Command Module.
USS Princeton: Roger, go ahead deploy swimmers.
Air Boss: The astronaut is in the hatch and on the flotation collar. He's now in the raft.
CMP John Young egresses the Command Module, assisted by recovery swimmers - Image by NASA.
S69-20490 - CMP John Young is assisted by the recovery swimmers into the recovery raft - Image by NASA.
One crewman of Apollo 10 is out on the raft as reported from the ship, unknown at this time which one it is.
John Young is the first crewman to egress the Command Module.
Photo 1: The second astronaut is out of the Command Module and is in the raft at this time.
Tom Stafford is the second crewman to egress the Command Module.
S69-21036 - LMP Eugene Cernan, is the last of the crew to egress the Command Module with the assistance of the swimmers, whilst the recovery helicopter hovers nearby - Image by NASA.
S69-20638 - LMP Eugene Cernan egresses the Command Module with the assistance of the swimmers - Image by NASA.
Photo 1: All three swimmers are in the raft.
It's reported that all three crewmen are now in the raft awaiting pickup by the recovery helicopter.
Air Boss: [Garble] is secured...
The three Apollo 10 crew members chat with the recovery swimmer, whilst awaiting hoisting to the helicopter - Image by NASA.
The three Apollo 10 crew members chat with the recovery swimmer, whilst awaiting hoisting to the helicopter - Image by NASA.
Air Boss: We're getting the signal from the swimmers to commence the pickup operation.
Swim 3: Swim 3 is commencing approach.
Helicopters now moving into position to lower the net for picking up the crew.
Photo 1: [Garble] 3 is approaching the module, the rescue net is almost in the water at this time approaching the raft.
The device lowered from the helicopter is known as a Billy Pugh net.
Packaged Billy Pugh crew recovery net.
Photo 1: [Garble] in the raft. The first astronaut is in the net.
Here in Mission Control the room is getting rather crowded as people from the back rooms and off-duty flight controllers move in to watch the recovery operations on the 10 by 10 television projector which is showing the commercial TV from the prime recovery vessel on the front screen of Mission Control Center. There goes the first astronaut up into the helicopter in the Billy Pugh net.
Photo 1: [Garble] half way up. Astronaut is at the hatch of Recovery 3.
Photo 1: Recovery 3 is commencing his approach for the second astronaut.
One crewman aboard, second one will be picked up momentarily as the helicopter lowers the net for the second pickup.
Rescue 1: Air Boss, this is Rescue 1 on 296.8. You copy?
Air Boss: Samoa Rescue, this is Air Boss, working with Princeton. Roger, I copy, over.
Rescue 1: Roger, Roger.
S69-36595 - The recovery helicopter lowers the Billy Pugh net to the raft where, Young and Stafford await their turn - Image by NASA.
Air Boss: Recovery 3 is in his approach for the second astronaut.
Air Boss: at this time, and the net is going in to the raft.
Air Boss: Astronaut is in the net. He's clear of the raft. Astronaut is halfway up.
Second crewman being hauled up now in the Billy Pugh net toward the Recovery 3 helicopter.
Recovery 3: Astronaut is aboard.
Air Boss: Recovery 3 is making his third approach for the third astronaut. Operation is normal.
Air Boss: Recovery 3 is at the raft. The net is in the raft at this time. The third astronaut is climbing aboard.
S69-21037 - The final crewman commences his trip up to the recovery helicopter in the Billy Pugh net - Image by NASA.
Third and last crewman is now being hoisted up into the helicopter.
S69-20621 - Final crewman arrives at the main hatchway of the recovery helicopter in the Billy Pugh net - Image by NASA.
Air Boss: [Garble] at the hatch. The third astronaut is aboard Recovery 3.
Following the recovery of the three crewmen, the recovery helicopter ferried them to the deck of the USS Princeton, the prime recovery vessel. Here they were greeted by the commanding officer Capt. Carl Cruise and his crew. The crew said a few words, thanking the crew from their prompt and professional recovery, before descending to the quarters, where a long awaited shower for each of them, helped to remove the insulation they have been irritated by since it blew out from the forward hatch at the time of the LM pressurization.
Recovery 3: Tower, this is Recovery 3. [Garble].
Tower: Roger, Recovery 3. Princeton at 7 knots [3.6 m/s]
Recovery 3: This is Recovery 3, Roger, out.
Air Boss: Recovery 2, Air Boss, go ahead, move in the pass, deliver the [garble].
Recovery 2: Recovery 2, wilco.
Air Boss: Control, Air Boss, do we know if the [garble] pick up that chute or not?
Control: Control here [garble].
This is Apollo Control. A few moments ago Manned Spacecraft Center Flight Operations Director Chris Kraft shouted across the control room to Rear Admiral Fred E. Bakutis, who is commander of Manned Spacecraft Recovery Force, Pacific, Carrier Task Force 130 his congratulations for a job well done in the Princeton recovery area. Recovery Aircraft number 3 now approaching the Princeton.
Flight Controllers here in Mission Control gathering ever more tightly here, crowding around looking at the large 10 by 10 television projector at the front of the Mission Control Center as the helicopter lands on the deck of the Princeton awaiting the crew stepping out of the chopper onto the carrier. On deck at 41 minutes past - 31 minutes past the hour. I think the boxes of cigars are being broken out here in Mission Control as the helicopter touches down on deck.
NASA Administrator Thomas. O. Paine here in the Control Center, as is Manned Spacecraft Center Director Dr. Robert Gilruth. Almost elbow to elbow in here. Cigars are beginning to light up all around the room. [Applause onboard the recovery ship.]
Download MP3 audio file.
Clip courtesy John Stoll, ACR Senior Technician at NASA Johnson.
Great deal of applause here in Mission Control as the crew steps out of the helicopter; control room is elbow to elbow, from door to door. Cigars have been passed around, I have no estimate on boxes of cigars. On the center screen, 10 by 20 scribing projector, we have a large American flag, 20 feet wide - next to that is the Apollo 10 crew patch on a 10 by 10 projector. Here in Mission Control, they just hung the Apollo 10 patch along with the rest of the manned Apollo mission patches, up next to the ceiling, along one sidewall; there's a large number of American flags on all the consoles, lot of cigar smoke drifting up, everyone is waving their flag for the benefit of commercial TV. Quite noisy in here - now impossible to hear the communication circuits.
This is Apollo Control. This Control Center I doubt could hold more than about 3 more people, pandemonium personified; cigars, cameras, flags, people, lot of exhilaration, exuberance here, hand shaking, congratulations going in all directions, various people among the Department of Defense, and the National Aeronautics and Space Administration, after a very successful lunar mission, a predecessor to lunar landing in Apollo 11. At 192 hours, 49 minutes Ground Elapsed Time; this is Apollo Control, signing off.
S69-20544 - Cernan, Stafford and Young emerge from the recovery helicopter after landing on the deck of USS Princeton - Image by NASA.
The Command Module, Charlie Brown is lifted on to USS Princeton.
The crew can be seen in their whites, but in correspondence between the author and Lance Daugherty, who served on the USS Princeton at the time of the Apollo 10 recovery as a Boiler Technician 2nd Class (BT-2), it was pointed out during normal activities, the crew would be wearing their standard blue work dungarees. This was obviously a special occasion.
Further in the correspondence with Lance Daugherty, he mentioned that once the crew had left for American Samoa, the USS Princeton left the prime recovery area along with the CM heading for Hawaii, arriving at Ford Island on 31 May 1969, where the CM was offloaded. The CM was then flown to Long Beach, California arriving on 4 June 1969.
This concludes the Apollo 10 Flight Journal.
Previous Index
Day 8, part 35: Entry Preparations Journal Home Page